EasyManua.ls Logo

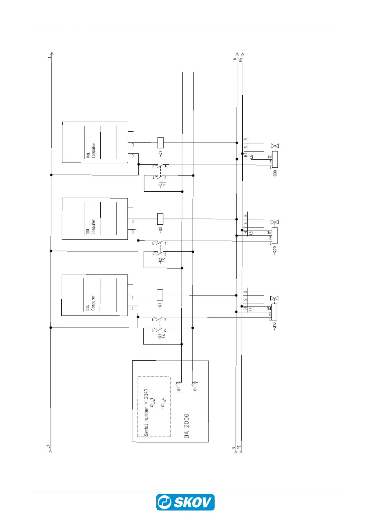
Skov DA 2000 - 4.4 Multi-Section Cooling Control; System Wiring Diagram

Skov DA 2000
40 pages
Print Icon
To Next Page IconTo Next Page
To Next Page IconTo Next Page
To Previous Page IconTo Previous Page
To Previous Page IconTo Previous Page
Loading...
DA 2000
28 Technical User Guide
230 V
House section
1
House section
2
House section
3