EasyManua.ls Logo

SolarShine SR981 - 3 Mounting of Solar Station; 4 Attention Items for Solar Station Installation

Default Icon
59 pages
Print Icon
To Next Page IconTo Next Page
To Next Page IconTo Next Page
To Previous Page IconTo Previous Page
To Previous Page IconTo Previous Page
Loading...
SR971,SR972 Solar station operation manual
-------------------------------------------------------------------------------------------------------------------------------------
10
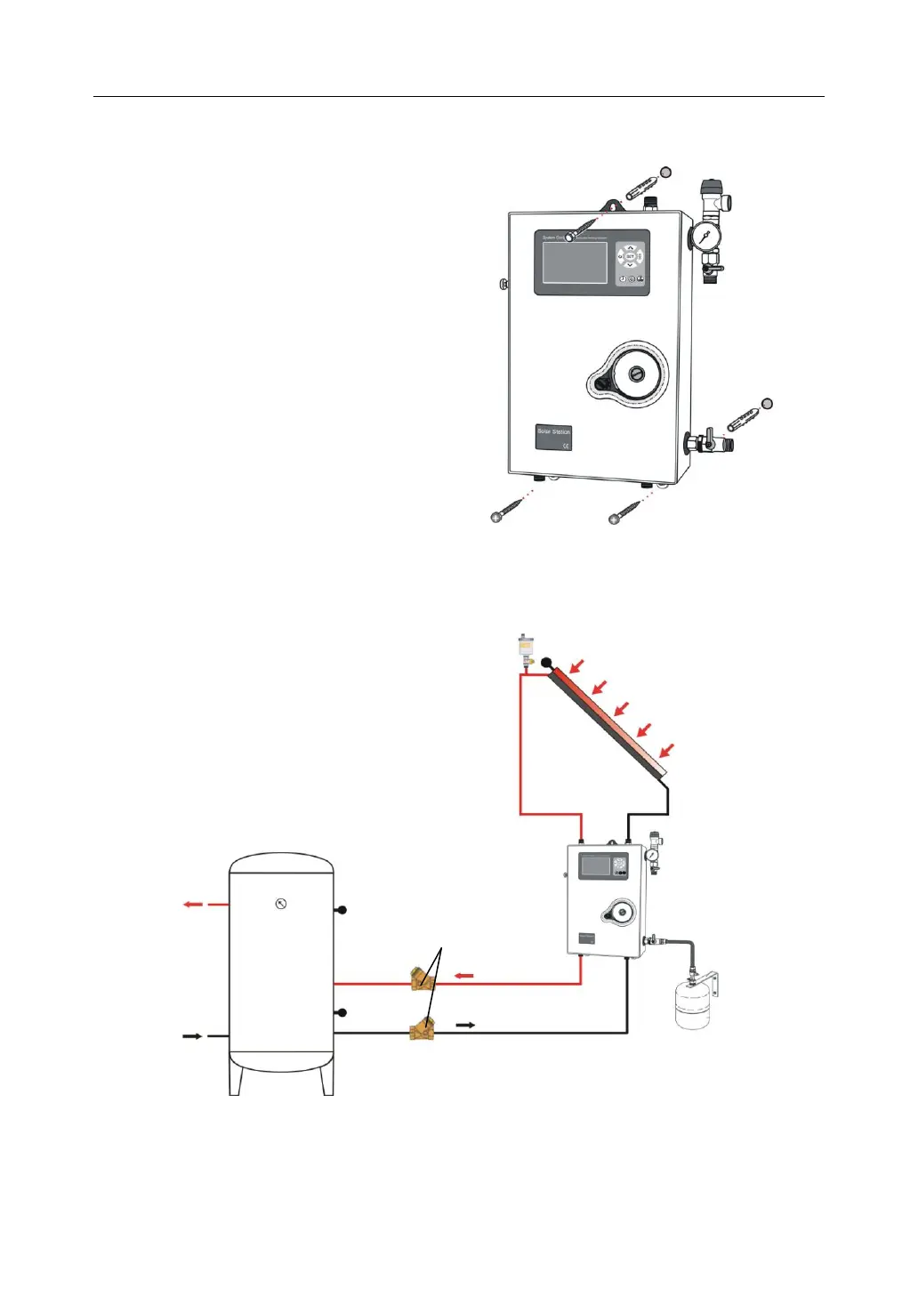
3. Mounting of solar station
Drill the upper fixing hole
Fasten the screw
Mark the bottom fixing hole
Drill the bottom hole
Fasten the bottom screw
4. Attention Items for solar station installation
A

Table of Contents