EasyManua.ls Logo

SolarShine SR981 - Page 59

Default Icon
59 pages
Print Icon
To Previous Page IconTo Previous Page
To Previous Page IconTo Previous Page
Loading...
SR971,SR972 Solar station operation manual
-------------------------------------------------------------------------------------------------------------------------------------
58
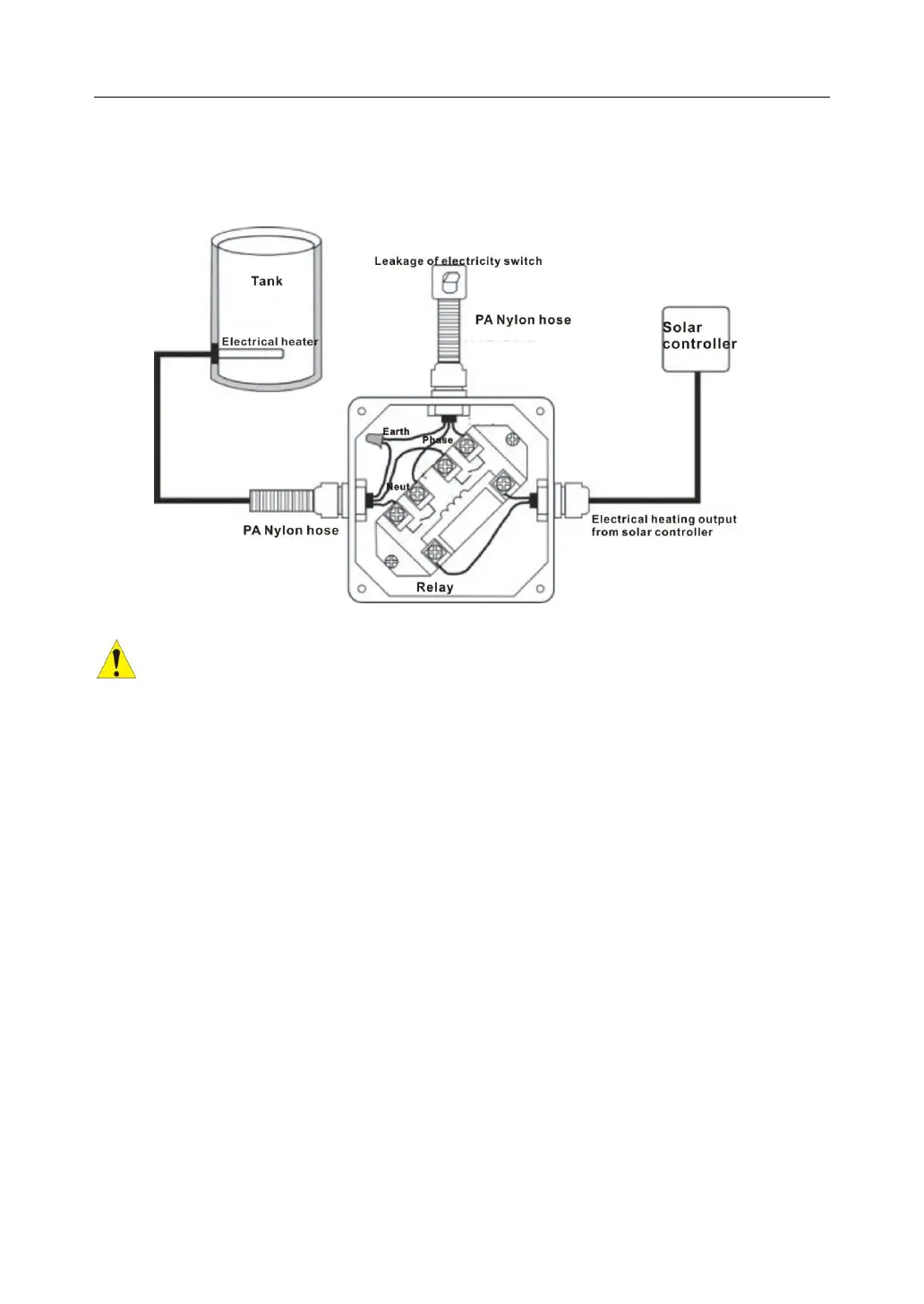
SR802 connection example
Note: only qualified person can connect SR802

Table of Contents