EasyManua.ls Logo

Sonifex S1 - Fig 2-3: Main MIX Stage; Fig 2-23: Fader

Sonifex S1
80 pages
Print Icon
To Next Page IconTo Next Page
To Next Page IconTo Next Page
To Previous Page IconTo Previous Page
To Previous Page IconTo Previous Page
Loading...
8
S1 User Handbook
2
USER GUIDE
USER GUIDE
HF EQ LF EQ
Fader
Fader Up
Pan
Pan
VCA
VCA
Trim
AUX 1
Send
AUX 2
Send
Talkback
Open
Logic
Channels
1-5
Channel 1
Only
From Mono Inputs
Input 1
Input 2
Cue/PFL
On
Channels
PFL
On
AUX
Pre
Post
Pre
Post
PGM L
PGM R
PFL R
PFL L
TBOUT
STCF R
STCF L
Cleanfeed
AUX 1L
AUX 1R
AUX 2L
AUX 2R
To Output Drivers + Monitor Selection
Analogue Audio Multiplexers Onto Mix Busses
HF EQ LF EQ Trim Bal
Fader
Fader Up
AUX 1
Send
AUX 2
Send
VCA
VCA
Open
Logic
Insert On
Channel 7 Only
6-10
Channels
From Stereo Inputs
TRIM
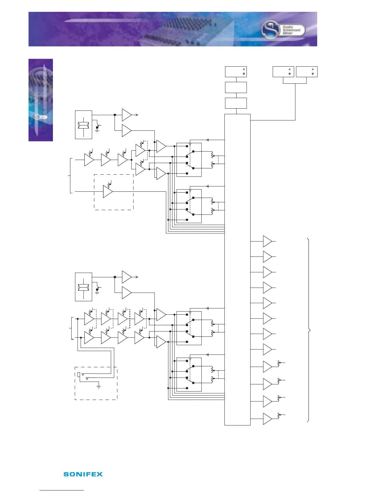
Fig 2-3: Main Mix Stage

Table of Contents

Other manuals for Sonifex S1