EasyManua.ls Logo

Sony CDX-1150 - Page 21

Sony CDX-1150
32 pages
Print Icon
To Next Page IconTo Next Page
To Next Page IconTo Next Page
To Previous Page IconTo Previous Page
To Previous Page IconTo Previous Page
Loading...
– 29 –
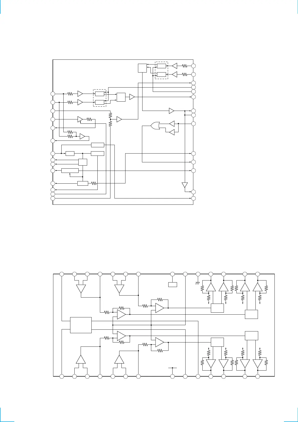
• IC Block Diagrams
IC102 AN8835SB
IC103 BA5984FP-E2
A
B
F
E
A CH
B CH
RF DET
RF EQ
OFFR DET
3 TENV
AGC
BDO DET
VCBA
F CH
E CH
VCBA
RX
RX
28
27
26
25
24
23
22
21
20
19
18
17
16
1
2
3
4
5
6
7
8
9
10
11
12
13
14
GND
LD ON
BDO
CEA
CSBRT
ARF
CAGC
RFI
RFO
LD
LPD
VCC
PDB
PDA
15
PDF
PDE
V
REF
F BAL
T BAL
TE
CCRS
TE BPF
ENV
V DET
OFFR
CROSS
NRF DET
FE
+
++
REV
FWD
OUT B
OUT A
+
+
+
+
+
+
MUTE
+
+
+
+
+
+
+
LEVEL
SHIFT
LEVEL
SHIFT
–+
LEVEL
SHIFT
–+
LEVEL
SHIFT
–+
–+
VCC
LOADING DRIVER
24 23 22 21 20 19 18 17 16 15
4 5 6 7 8 9 10 11 12 13 1421 3
2728 26 25
REV
OPIN4(+)
OPIN4(–)
OPOUT4
OPIN3(+)
OPIN3(–)
OPOUT3
MUTE
BIAS
GND
VO3(–)
VO3(+)
VO4(–)
VO4(+)
FWD
O
PIN1(+)
O
PIN1(–)
OPOUT1
O
PIN2(+)
O
PIN2(–)
OPOUT2
VCC
VOL(–)
VOL(+)
VO2(–)
VO2(+)
VO1(–)
VO1(+)

Other manuals for Sony CDX-1150

Related product manuals