EasyManua.ls Logo

Sony DP-IF5000 - Schematic Diagram -LED Section

Sony DP-IF5000
28 pages
Print Icon
To Next Page IconTo Next Page
To Next Page IconTo Next Page
To Previous Page IconTo Previous Page
To Previous Page IconTo Previous Page
Loading...
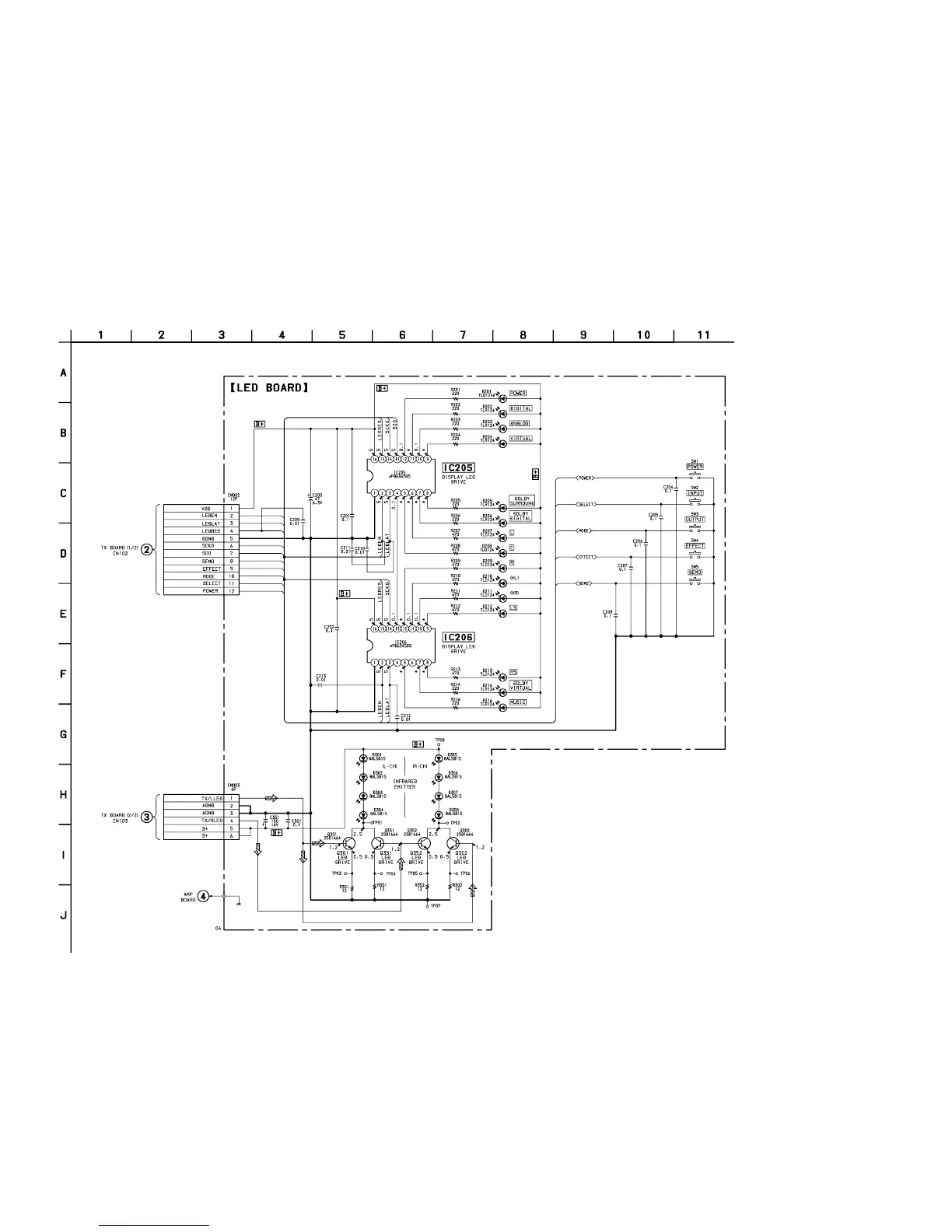
5-7. SCHEMATIC DIAGRAM — LED SECTION — • Refer to page 28 for IC Block Diagrams.
– 23 – – 24 –
DP-IF5000
Note:
All capacitors are in µF unless otherwise noted. pF: µµF
50 WV or less are not indicated except for electrolytics
and tantalums.
All resistors are in and
1
/
4
W or less unless otherwise
specified.
C : panel designation.
U : B+ Line.
Power voltage is dc 9 V and fed with regulated dc power
supply from external power voltage jack.
Voltage is dc with respect to ground under no-signal
condition.
no mark : POWER ON
: Impossible to measure
Voltages are taken with a VOM (Input impedance 10 M).
Voltage variations may be noted due to normal produc-
tion tolerances.
Signal path.
J : RF
(Page 26)
(Page 21)
(Page 19)

Related product manuals