EasyManua.ls Logo

Sony DVP-S7700 - Clock Generator) Schematic Diagram

Sony DVP-S7700
129 pages
Print Icon
To Next Page IconTo Next Page
To Next Page IconTo Next Page
To Previous Page IconTo Previous Page
To Previous Page IconTo Previous Page
Loading...
DVP-S7700
4-21 4-22
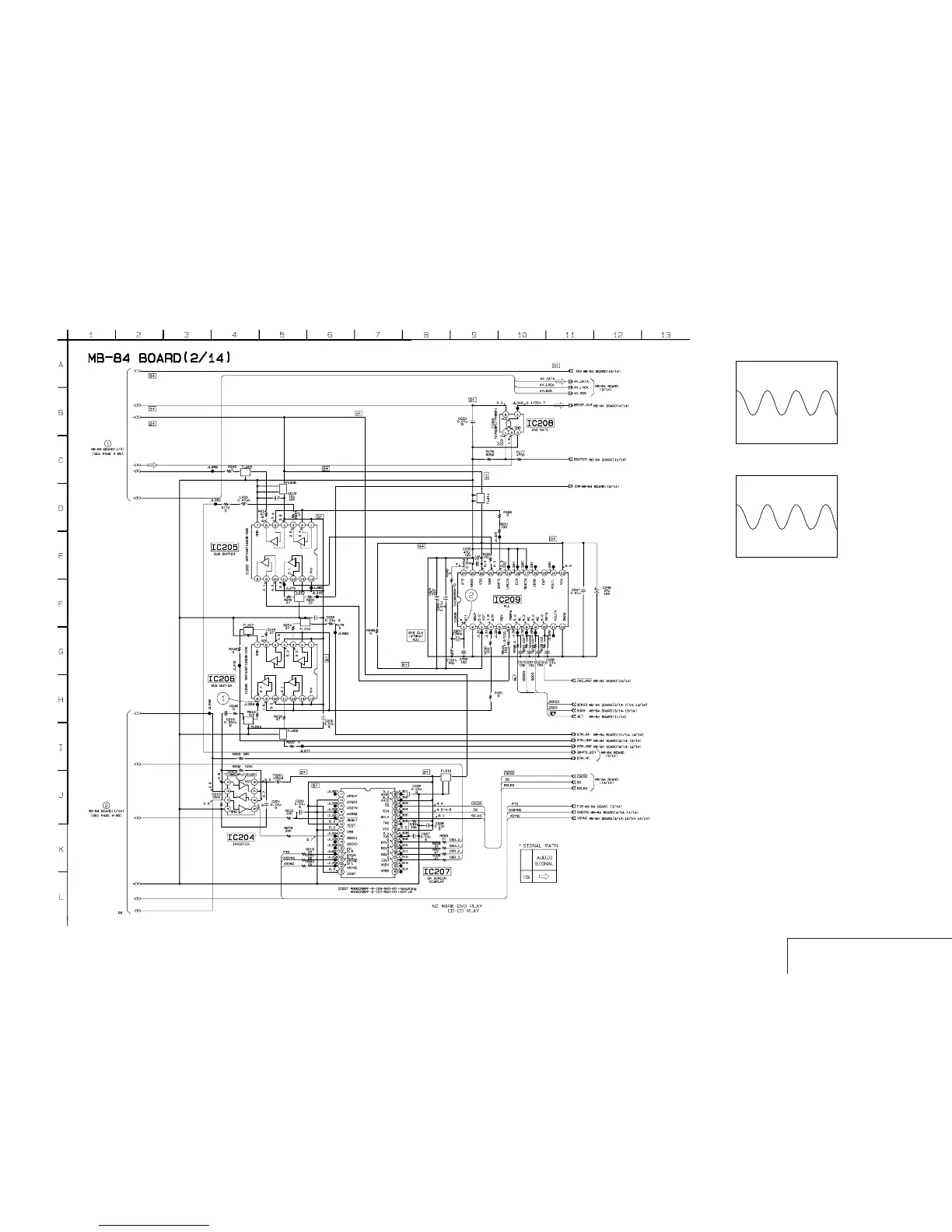
MB-84 (CLOCK GENERATOR) SCHEMATIC DIAGRAM See page 4-15 to 4-18 for printed wiring board.
– Ref. No.: MB-84 board; 2,000 series –
• Waveforms
1 IC206 8
3.28 Vp-p 27 MHz
2 IC209 1
1.4 Vp-p 27 MHz
CLOCK GENERATOR
MB-84 (2/14)

Table of Contents