EasyManua.ls Logo

Sony DWA-01D - ブロックダイヤグラム

Sony DWA-01D
Print Icon
To Next Page IconTo Next Page
To Next Page IconTo Next Page
To Previous Page IconTo Previous Page
To Previous Page IconTo Previous Page
Loading...
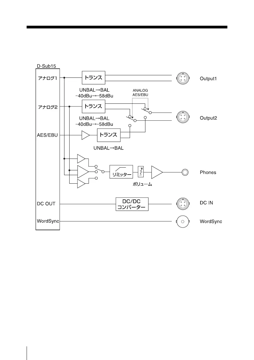
ブロックダイヤグラム
12
ブロックダイヤグラム

Table of Contents

Other manuals for Sony DWA-01D

Related product manuals