EasyManua.ls Logo

Sony DWA-01D - Schéma Fonctionnel

Sony DWA-01D
Print Icon
To Next Page IconTo Next Page
To Next Page IconTo Next Page
To Previous Page IconTo Previous Page
To Previous Page IconTo Previous Page
Loading...
38
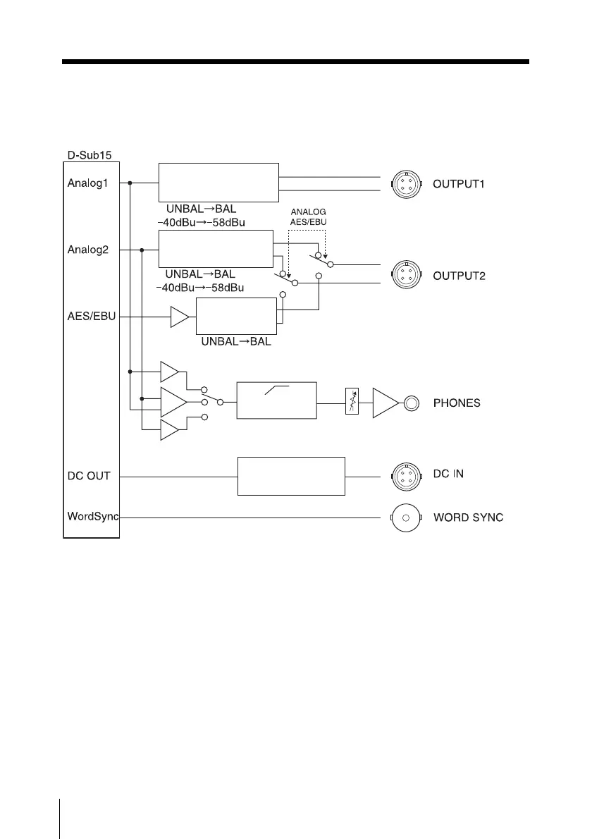
Schéma fonctionnel
Schéma fonctionnel
Transformateur
abaisseur
Limiteur
Convertisseur
CC/CC
Transformateur
Volume
Transformateur
abaisseur

Table of Contents

Other manuals for Sony DWA-01D

Related product manuals