EasyManua.ls Logo

Sony DWA-01D - Block Diagram

Sony DWA-01D
Print Icon
To Next Page IconTo Next Page
To Next Page IconTo Next Page
To Previous Page IconTo Previous Page
To Previous Page IconTo Previous Page
Loading...
25
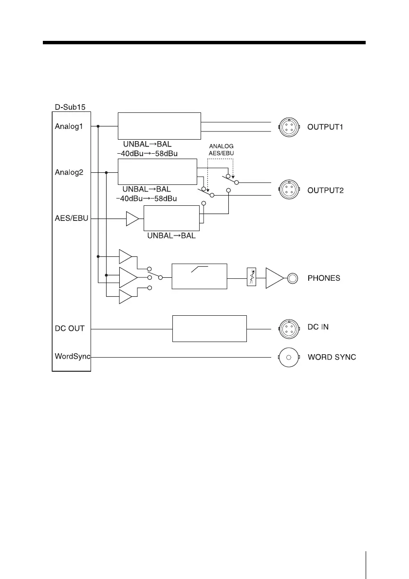
Block diagram
Block diagram
Step-down
transformer
Limiter
DC/DC
converter
Transformer
Volume
Step-down
transformer

Table of Contents