EasyManua.ls Logo

Sony DWA-01D - Esquema Funcional

Sony DWA-01D
Print Icon
To Next Page IconTo Next Page
To Next Page IconTo Next Page
To Previous Page IconTo Previous Page
To Previous Page IconTo Previous Page
Loading...
77
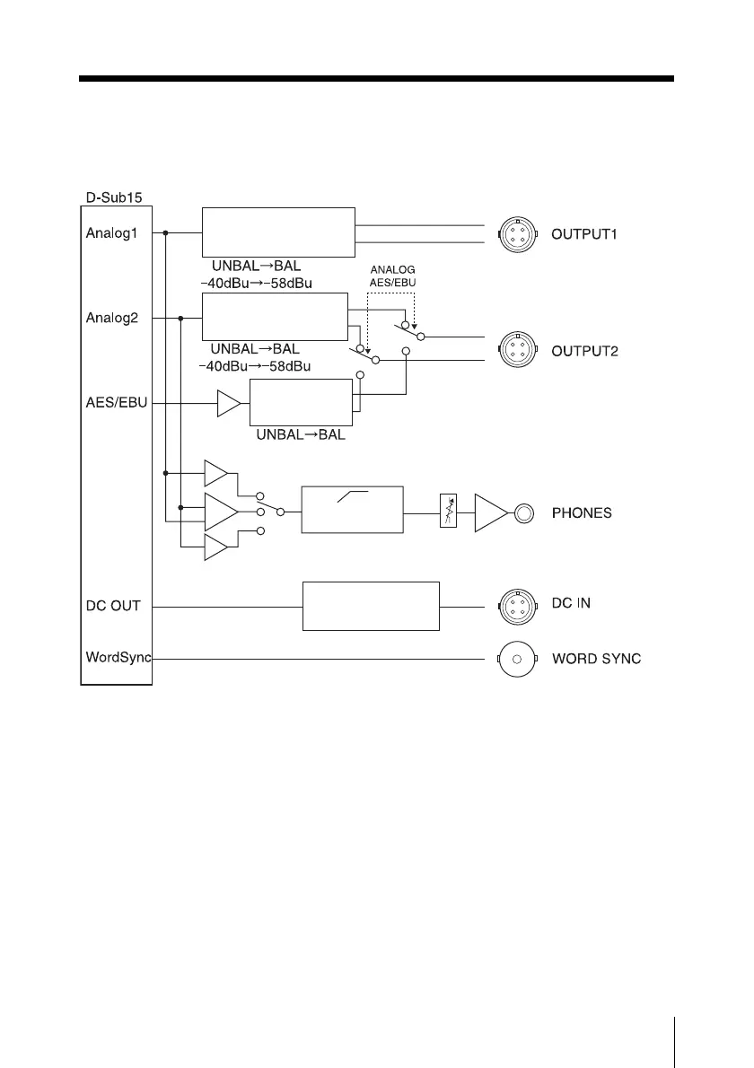
Esquema funcional
Esquema funcional
Transformador
reductor
Limitador
Convertidor CC/CC
Transformador
Volumen
Transformador
reductor

Table of Contents

Other manuals for Sony DWA-01D

Related product manuals