EasyManua.ls Logo

Sony HCD-BX7 - Schematic Diagram - Main (3;3) Section

Sony HCD-BX7
70 pages
Print Icon
To Next Page IconTo Next Page
To Next Page IconTo Next Page
To Previous Page IconTo Previous Page
To Previous Page IconTo Previous Page
Loading...
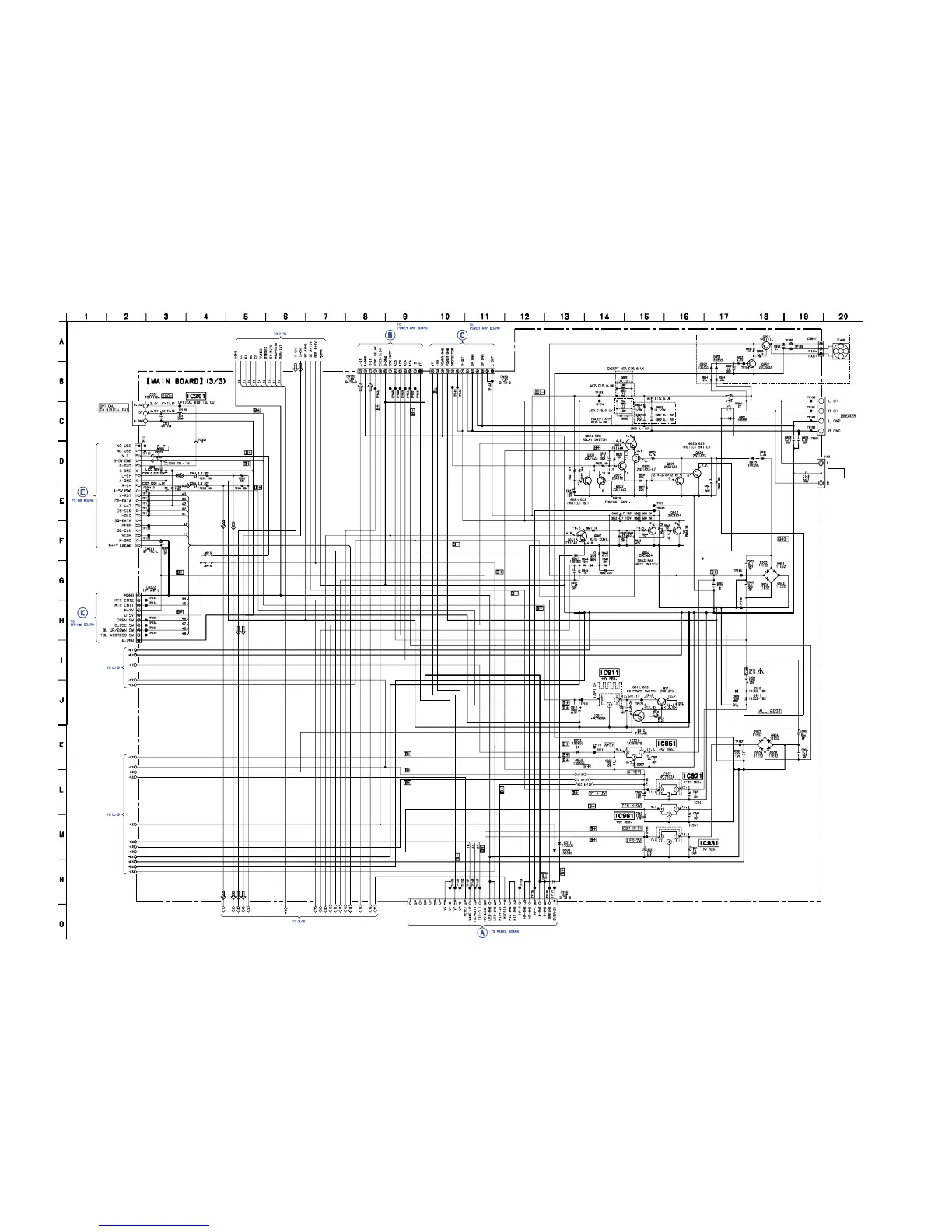
HCD-BX7/DX7/DX7J
2929
7-8. SCHEMATIC DIAGRAM MAIN (3/3) SECTION
(Page 31, 33)
(Page 31, 33)
(Page 27)
(Page
25)
(Page
39)
(Page 28)
(Page 28)
(Page 28)
(Page 35)
09
M5F7807L
M5F7809L
US, CND, DX7, DX7J MODEL
SURROUND
SPEAKER
C901
DX7/DX7J: 3300 25V
BX7: 3300 16V

Related product manuals