EasyManua.ls Logo

Sony HCD-BX7 - (BX7 Model)

Sony HCD-BX7
70 pages
Print Icon
To Next Page IconTo Next Page
To Next Page IconTo Next Page
To Previous Page IconTo Previous Page
To Previous Page IconTo Previous Page
Loading...
HCD-BX7/DX7/DX7J
4141
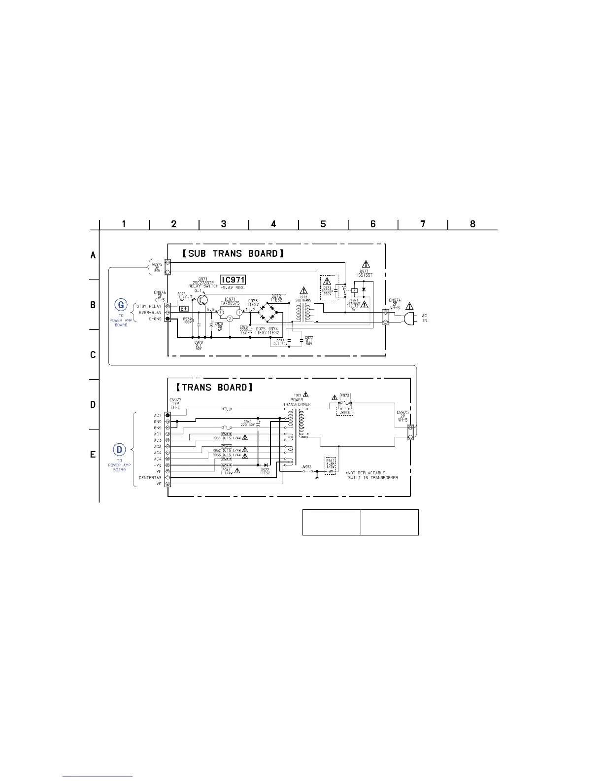
7-20. SCHEMATIC DIAGRAM TRANS SECTION (BX7 MODEL)
(Page 31)
(Page 31)
*F974
*F975
*F974, F975
6.3A/125V : US, CND
T6.3AL/250V
: EXCEPT US, CND
6.3A
US, CND MODEL
EXCEPT US, CND
09
US MODEL
US MODEL
The components identified by
mark 0 or dotted line with mark
0 are critical for safety.
Replace only with part number
specified.
Les composants identifiés par
une marque 0 sont critiques
pour la sécurité.
Ne les remplacer que par une
pièce portant le numéro spécifié.

Related product manuals