EasyManua.ls Logo

Sony HCD-BX7 - Page 48

Sony HCD-BX7
70 pages
Print Icon
To Next Page IconTo Next Page
To Next Page IconTo Next Page
To Previous Page IconTo Previous Page
To Previous Page IconTo Previous Page
Loading...
48
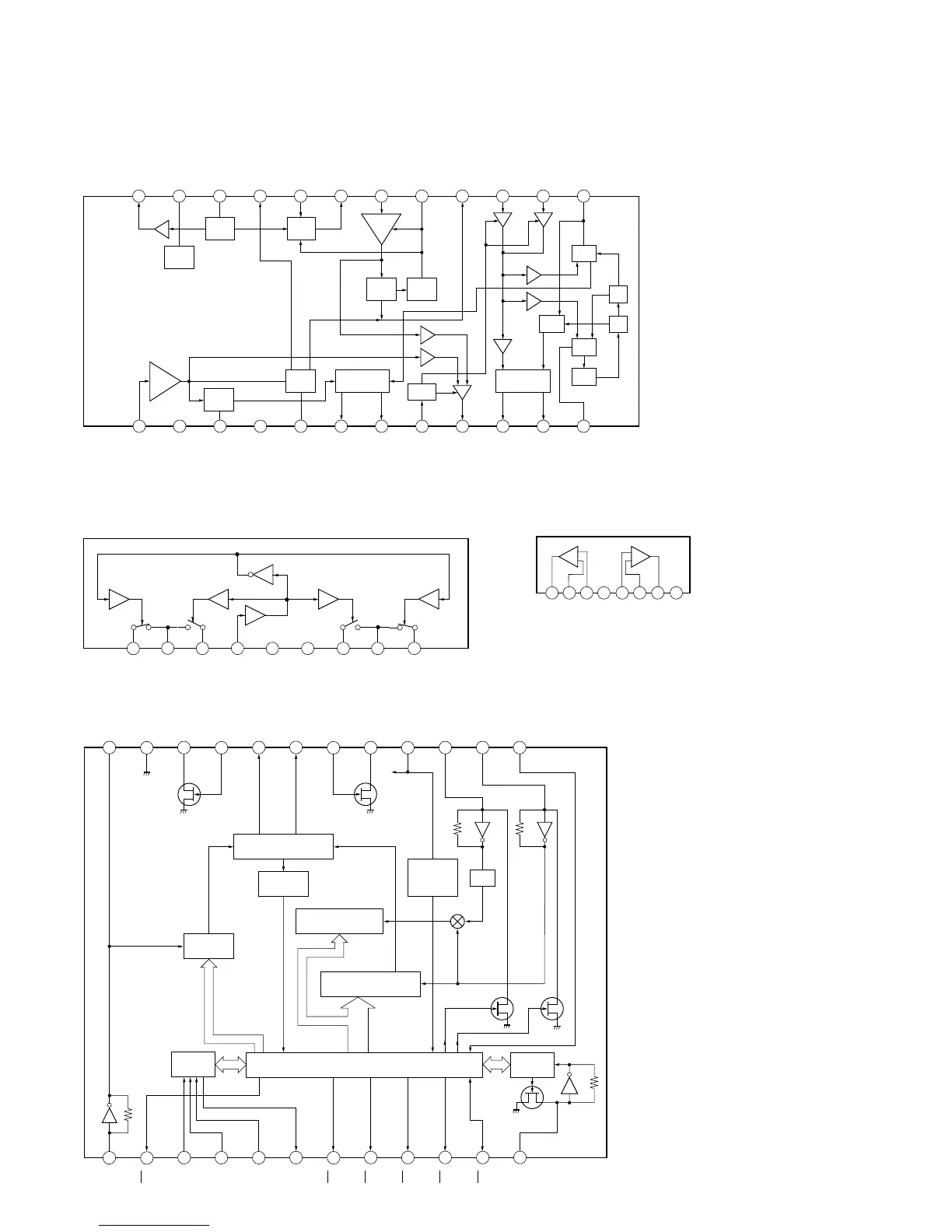
IC302 µPC1330H (MAIN BOARD)
1
2
3
4
5 6 7 8 9
INVERTER
COMPARATER
SW R1 GND SW P1
CONT GND VCC SW P2 GND
SW R2
IC681 M5218AFP (MAIN BOARD)
+
2 3 6
7
4
5
8
1
V+
+
V–
IC651 LC72130 (MAIN BOARD)
1
2
3
4
5
6
7
8
XIN
B03
CE
IFIN
AOUT
2
AIN1
AIN2
D1
CL
B04
D0
B01
I01
B02
XOUT
PD1
VSS
PD2
FMIN
AMIN
AOUT1
VDD
I02
B05
9
10
11
12
13
14
15
16
17
18
19
20
21
22
23
24
PHASE DETECTOR
CHARGE PUMP
SWALLOW COUNTER
1/16.1/17 4bits
SWALLOW COUNTER
1/16.1/17 4bits
POWER
ON
RESET
1/2
C B
I / F
REFERENCE
DIVIDER
REFERENCE
DIVIDER
C B
I / F
2
DATA SHIFT REGISTER
LATCH
IC601 BA1450 (MAIN BOARD)
1 2 3 4 5 6 7 8 9 10 11 12
161718
19
20212223
24
15
14 13
AM
OSC
AM
MIX
AM IF
FM
IF
FM
DET
AM
DET
SD
DET
AGC
LED
DRIVER
COMP
SD
SW
VCO
PD
1/2
DECODER
VREG
1/2
FM IN
FM DET
TUNED
STEREO
IF OUT
R OUT
L OUT
AM/FM
FM/AM DET OUT
AM MPX IN
FM MPX IN
IN REQ MUTE
FM SD ADJ
VCC
GND
AM OSC OUT
AM OSC
VCO STOP
AM RF IN
AM IF IN
AM AGC
AM MIX OUT
FM BAND WIDTH
V . REG

Related product manuals