EasyManua.ls Logo

Sony HCD-DJ2i - SCHEMATIC DIAGRAM - SIDE A Section

Sony HCD-DJ2i
88 pages
Print Icon
To Next Page IconTo Next Page
To Next Page IconTo Next Page
To Previous Page IconTo Previous Page
To Previous Page IconTo Previous Page
Loading...
HCD-DJ2i
HCD-DJ2i
4949
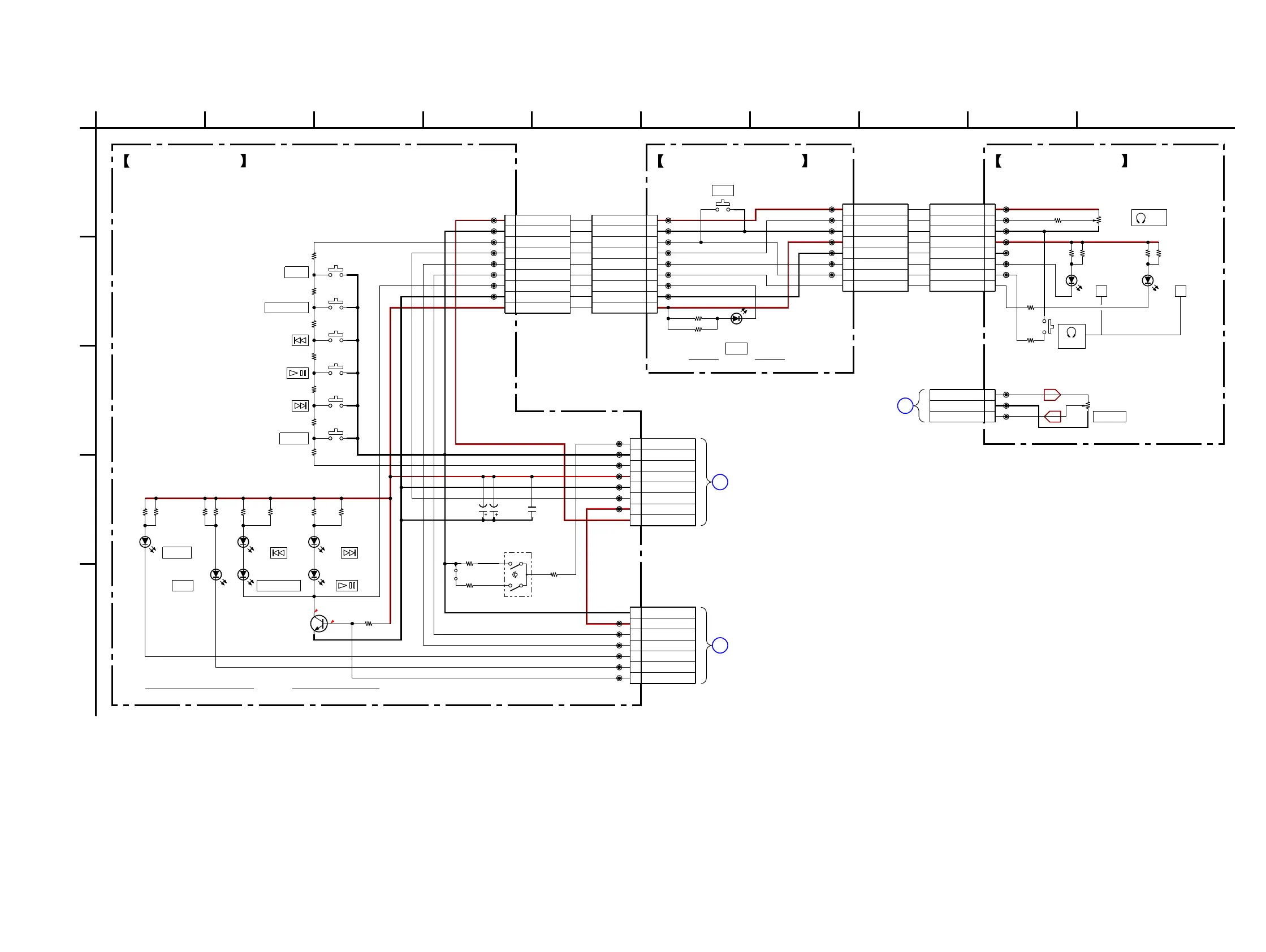
6-21. SCHEMATIC DIAGRAM – SIDE A Section –
B
2 103
D
51 8
C
A
94
E
67
I
MAIN DIGITAL
BOARD
(1/2)
CN1420
CN1012
R
BOARD
DISPLAY
Q
NO1006
SIDE B
BOARD
6.7
0
JL1122
S1105
S1104
1k
R1111
S1101
2.2k
R1104
JG1056
1
2
3
1k
R1109
D1101
1L434FA22E0TDT01
S1102
10V220
C1224
JL1128
JL1101
JL1129
4.7k
R1106
JL1130
JL1131
1k
R1110
D1106
1L434FA22E0TDT01
1k
R1235
JL1107
680
R1116
JW1004
JL1102
JL1110
D1104
1L434FA22E0TDT01
6.8k
R1107
JL1103
3.3k
R1105
10k
R1071
680
R1119
1
2
3
4
5
6
7
8
8P
NO1002
MULTI JOG A
D-GND
AD-KEY1
LED+9V
LED GND
MONITOR VOL
FL+3.3V
3.3VREF
JL1106
0
R1073
D1103
1L434FA22E0TDT01
S1100
22k
R1121
JL1111
1.5k
R1102
JL1120
JL1112
JL1100
JL1123
JL1109
JL1105
JL1104
0.1
C1221
1.5k
R1103
1
2
3
4
5
6
7
8
9
9P
NO1112
3.3VREF
D-GND
AD-KEY1
MONITOR VOL
LED MONITOR A
LED MONITOR B
LED ENTER
LED GND
LED+9V
D1102
1L434FA22E0TDT01
JL1121
1k
R1101
10k
R1072
D1105
1L434FA22E0TDT01
680
R1118
S1103
680
R1117
1
2
3
4
5
6
7
7P
CN1016
LED OP KEY
LED IPOD1
LED LINE IN1
LED MONITOR A
LED MONITOR B
FL+3.3V
D-GND
10V220
C1225
2SC3052EF-T1-LEF
Q1101
LED DRIVER
JL1108
JL1126
JL1165
JL1134
1kR1125
1kR1126
JL1161
JL1124
1
2
3
4
5
6
7
8
9
9P
CN1102
3.3VREF
D-GND
AD-KEY1
MONITOR VOL
LED MONITOR A
LED MONITOR B
LED ENTER
LED GND
LED+9V
JL1155
JL1158
JL1125
JL1135
1
2
3
4
5
6
7
8
8P
CN1101
3.3VREF
MONITOR VOL
D-GND
LED+9V
LED GND
LED MONITOR A
AD-KEY1
LED MONITOR B
JL1157
D1118
1L434FA22E0TDT01
S1118
JL1127
JL1132
JL1133
JL1167
JL1156
JL1144
1
2
3
4
5
6
7
8
8P
NO1111
3.3VREF
MONITOR VOL
D-GND
LED+9V
LED GND
LED MONITOR A
AD-KEY1
LED MONITOR B
JL1147
10k
R1140
1k
R1138
RV1136
50k
1
3
2
JL1141
JL1143
1k
R1136
D1135
1L434FA22E0TDT01
1
2
3
3P
NO1099
SIG IN
AGND
SIG OUT
RV1135
50k
1
3
2
JL1146
D1136
1L434FA22E0TDT01
1k
R1135
JL1140
100R1139
S1135
1k
R1137
JL1148
JL1145
JL1142
JL1149
0
JR1170
iPod 1
MENU/RETURN
(MULTI JOG DIAL A)
LINE IN 1
SIDE A BOARD
SIDE A SEL BOARD
CUE VOL BOARD
LINE IN 1
iPod 1
MENU/RETURN
ENTER
ENTER
SELECT
LEVEL
MIC LEVEL
A
B
CHANNEL A
CHANNEL A
(Page 51)
(Page 53)
(Page 37)

Table of Contents

Related product manuals