EasyManua.ls Logo

Sony HCD-EP404 - Schematic Diagram MAIN Section (2;3)

Sony HCD-EP404
42 pages
Print Icon
To Next Page IconTo Next Page
To Next Page IconTo Next Page
To Previous Page IconTo Previous Page
To Previous Page IconTo Previous Page
Loading...
2121
HCD-EP404
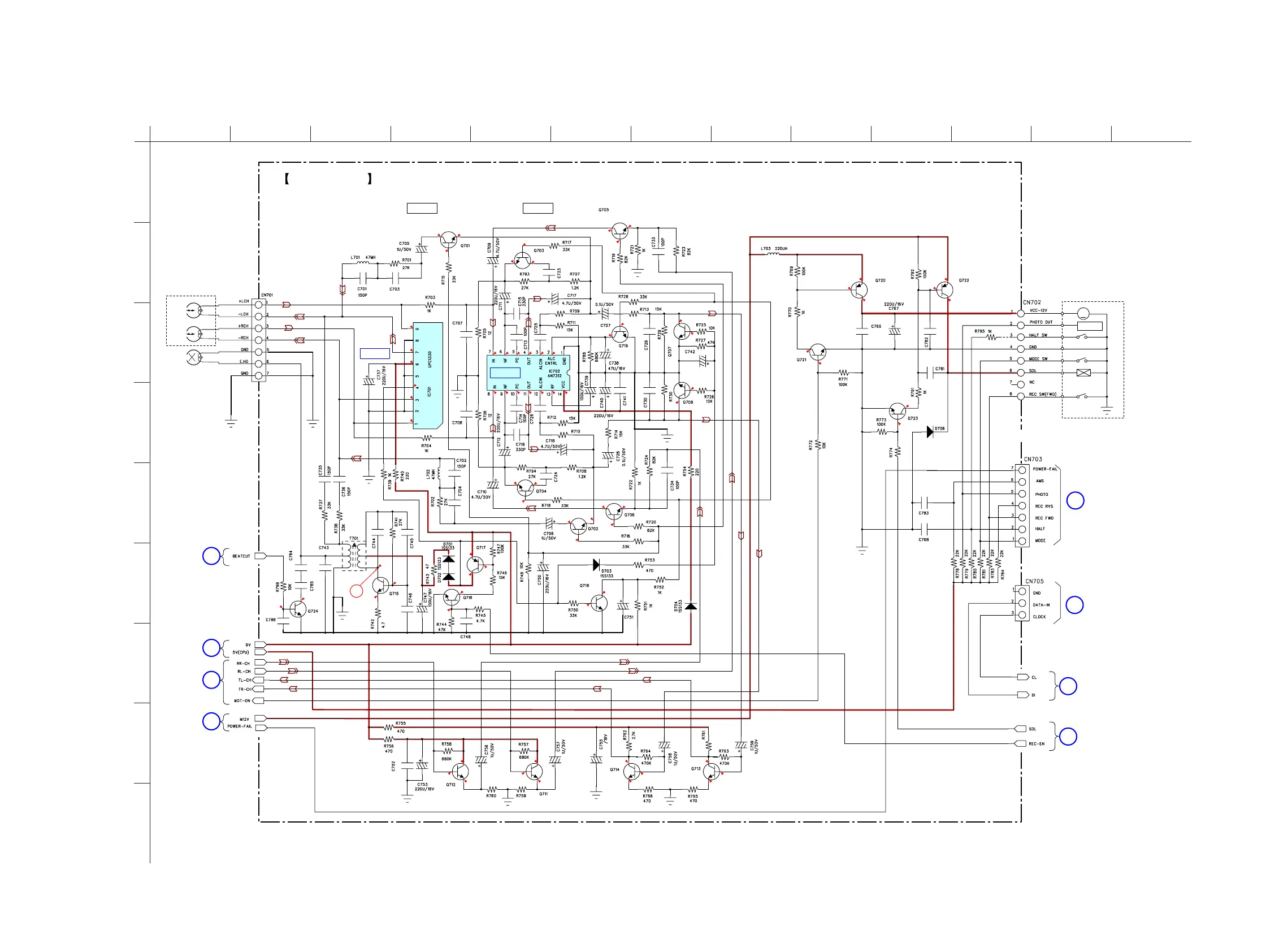
6-5. Schematic Diagram MAIN Section (2/3)
0
0
0
0
7.6
0
[8.9]
0
[1.9]
0
[1.9]
0.6 [0]
0
[2.5]
0 [0.1]
0
[0.1]
0
[0.7]
0 [0.7]
0 [0.7]
0
0 1.3 1.4
3.6
0 7.2 7.3
0
003.61.41.30
00
0
0
0
0.6 [0]
0.6 [0]
0 [0.1]
8.4 [0.1]
8.9 [0]
0
[0.1]
0
[5.9]
0
0
[0.7]
0
[0.7]
0
[0.1]
8.9
[8.2]
0
[8.8]
0.7
9
0 [0.1]
0 [1.9]
0 [1.9]
0 [0.7]
0 [2.5]
2
4.2
4.7
7.8
4.2
4.7
7.8
0.7
1.3
3.7
0.7
1.3
3.9
11.8
11.8
11.8
11.9
0
0
0
11.8
11.9
0
No mark : FM
[ ] : REC
0.0012
2SC945
2SC945
2SC945
0.12
3.3k
0.0047
0.001
0.001
0.0012
0.001
0.01
0.012
2SC945
2SC945
2SC945
2SC945
2SC945
2SC945
2SC945
0.001
0.1
2SA733
0.1
0.0027
0.0027
0.022
2SC945
3.3k 3.3k
2SC945
2SC945
2SC945
220
100
16V
0.12
3.3k
MAIN BOARD
(2/3)
0.047
0.022
0.022 0.022
8.2k
10 50v
2SC945
2SC945
2SC945
8.2k
2.7k
0.1
0.1
5.6k
1SS133
2SC945
2SC945
0.1
0.1
2SB926 2SB926
0.022
(RECORD/PLAYBACK HEAD)
(ERASE)
(L-CH)
(R-CH)
M
TAPE PLAY
DETECT SENSOR
(HALF)
(CAPSTAN/REEL)
(MODE)
(TRIGGER PLUNGER)
(PROTECT(FWD))
IC701
IC B/D
REC/PB
SWITCH
REC/PB
SWITCH
REC/PB
SWITCH
IC702
ALC,
REC,PB AMP
AMP GAIN
CONTROL
ALC
CONTROL
Q707, 708
MUTING
REC/PB
SWITCH
Q702, 706
Q704
AMP GAIN
CONTROL
Q716, 717
REC BIAS
AMP
BAIS
OSC
ISS
SWITCHING
REC AMP
REC AMP
PB AMP
PB AMP
Q720,721
CAPSTAN/REEL
MOTER DRIVE
Q722,723
TRIGGER
PLUNGER DRIVE
TO
DISPLAY
BOARD
C
(Page 24)
TO
DISPLAY
BOARD
D
(Page 24)
MAIN
BOARD
(1/3)
1
MAIN
BOARD
(1/3)
5
IC B/D
MAIN
BOARD
(3/3)
MAIN
BOARD
(1/3)
MAIN
BOARD
(1/3) (3/3)
3
4
MAIN
BOARD
(3/3)
6
2
12
A
B
C
D
E
F
G
H
I
345678910111213
• See page 15 for Waveforms. • See page 28 for IC Block Diagrams.

Related product manuals