EasyManua.ls Logo

Sony HCD-EP404 - Schematic Diagram POWER Section

Sony HCD-EP404
42 pages
Print Icon
To Next Page IconTo Next Page
To Next Page IconTo Next Page
To Previous Page IconTo Previous Page
To Previous Page IconTo Previous Page
Loading...
2626
HCD-EP404
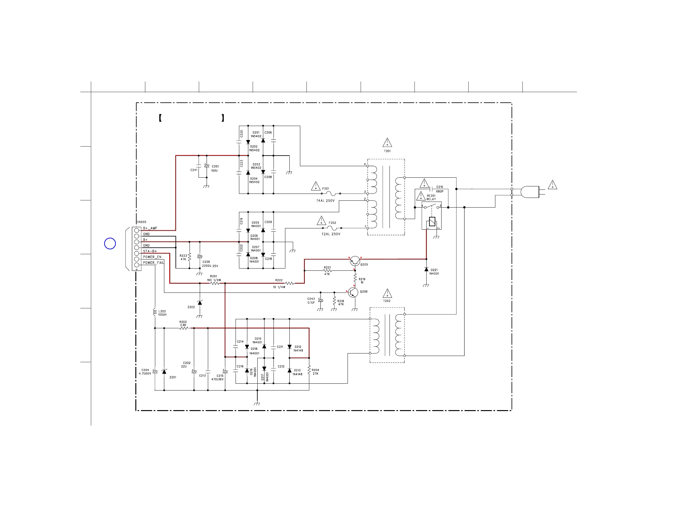
6-10. Schematic Diagram POWER Section
0
5
0.7
5.8 5.7
No mark : FM
AC IN
POWER TRANSFORMER
POWER TRANSFORMER
2SC536NP-F
2SA608SP-G
Q205,206
POWER ON/OFF
RELAY DRIVE
50V
22000p
22000p
22000p
22000p
22000p
22000p
22000p
22000p
22000p
22000p
22000p 22000p 22000p 22000p
25v
MTZJ-T-72-6.8B
MTZJ-T-
72-6.2B
50V
TO
MAIN BOARD
(3/3)
A
(Page 22)
POWER BOARD
12
A
B
C
D
E
F
3456789

Related product manuals