EasyManua.ls Logo

Sony HCD-FLX5D - BLOCK DIAGRAM - TUNER;TAPE DECK Section

Sony HCD-FLX5D
160 pages
Print Icon
To Next Page IconTo Next Page
To Next Page IconTo Next Page
To Previous Page IconTo Previous Page
To Previous Page IconTo Previous Page
Loading...
HCD-FLX5D/FLX7D
3535
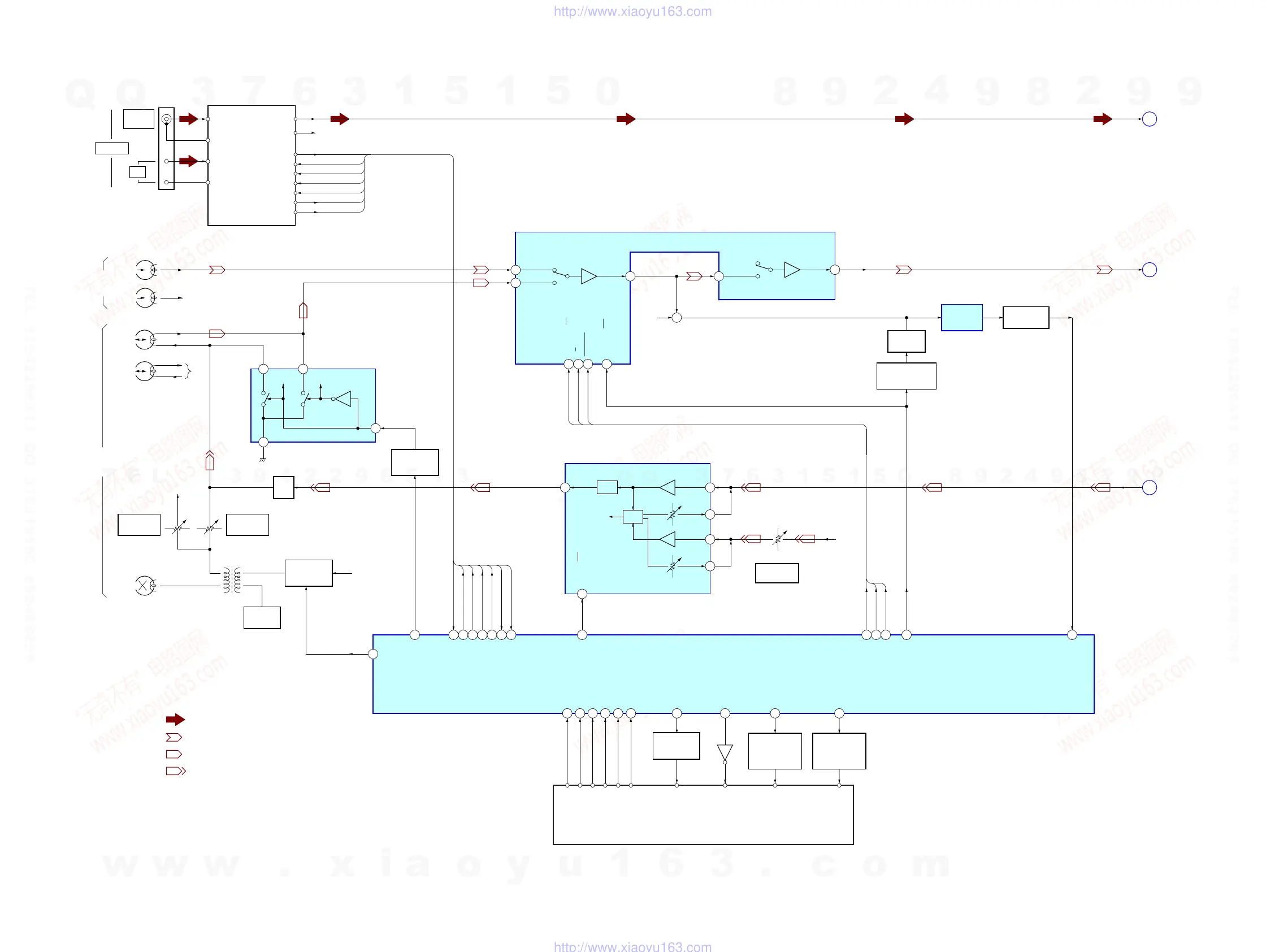
7-2. BLOCK DIAGRAM – TUNER/TAPE DECK Section –
ST-DIN
ST-CLK
ST-CE
ST-MUTE
TUNED
STEREO
L-CH
R-CH
ST-DOUT
FM/AM TUNER PACK
R-CH
58
ST DIN
57
ST DOUT
59
ST-CLK
56
ST CE
53
ST MUTE
DI
DO
CLK
CE
MUTING
55
TUNED
54
STEREO
TUNED
STEREO
R-CH
L-CH
R-CH
L-CH
ERASE
R-CH
HP901
(PB)
(DECK A)
HRPE901
(REC/PB/ERASE)
(DECK B)
13
2
4
R-CH R-CH
REC/PB SWITCHING
IC2
R-CH
BIAS OSC
T301
BIAS
TRAP
REC BIAS
SWITCH
Q2, 3, 9
TC +10V
BIAS OSC
Q4, 5
TRIGGER
PLUNGER DRIVE
(DECK B)
Q251, 252
23
A-TRIG
TRIGGER
PLUNGER DRIVE
(DECK A)
Q253, 254
25
B-TRIG
21
CAPM-H/L
22
CAPM-CONT1
34
32
BIN1
AIN1
15 13 12 14
28 27
EQOUT1
26
PB-OUT1
TAI1
MUTE
DECK A/B SELECT SWITCH,
PB EQ AMP
IC1 (1/2)
R-CH
23
REC-
OUT1
REC-IN1
ALC1
REC EQ AMP, ALC
IC1 (2/2)
21
R-CH
58
ALC
15
TAPE
L-CH
14
TUNER
L-CH
16
REC
L-CH
81 BIAS
CAPSTAN
MOTOR DRIVE
Q256.257
50
B PLAY
49
A PLAY
11
ALC ON/OFF
27
A-HALF
93
B-HALF
SYSTEM CONTROLLER
IC101 (1/4)
• SIGNAL PATH
• R-ch is omitted due to same as L-ch.
: TUNER
: TAPE PLAY (DECK A)
: REC
: TAPE PLAY (DECK B)
DO
CE
MUTING
TUNED
STEREO
DI
CLK
REC BIAS (L)
(DECK B)
RV2
REC BIAS (R)
(DECK B)
RV52
Q255
A/B
NORMAL/HIGH SPEED
MUTE ON/OFF
REC MUTE ON/OFF
A/B
NOR/HIGH
REC MUTE
85 9761 67 66
A/B
NOR/HIGH
REC-MUTE
PB-A/B
EQ-H/N
TC-MUTE
AMS-IN
REC MUTE
EQ
ALC
REC LEVEL
(DECK B)
RV53
82
TC-RELAY
+
MUTING
Q40
MUTING CONTROL
SWITCH
Q41
BUFFER
Q6 - 8
LOW-PASS
FILTER
IC3
24
8
REC-IN2
ALC2
7
REC/PB
SWITCHING
Q20, 21
R-CH
AM
ANTENNA
FM ANT
AM ANT
ANT GND
ANT GND
FM 75
COAXIAL
TAPE MECHANISM
DECK BLOCK
CAPM+
BHALF
AHALF
BPLAY
APLAY
92
B-SHUT
91
A-SHUT
BSHUT
ASHUT
CAPMH/L
ATRGM+
BTRGM+
(Page 37)
(Page 37)
(Page 37)
w
w
w
.
x
i
a
o
y
u
1
6
3
.
c
o
m
Q
Q
3
7
6
3
1
5
1
5
0
9
9
2
8
9
4
2
9
8
T
E
L
1
3
9
4
2
2
9
6
5
1
3
9
9
2
8
9
4
2
9
8
0
5
1
5
1
3
6
7
3
Q
Q
TEL 13942296513 QQ 376315150 892498299
TEL 13942296513 QQ 376315150 892498299
http://www.xiaoyu163.com
http://www.xiaoyu163.com

Table of Contents

Related product manuals