EasyManua.ls Logo

Sony HCD-FLX5D - SCHEMATIC DIAGRAM - PANEL Section

Sony HCD-FLX5D
160 pages
Print Icon
To Next Page IconTo Next Page
To Next Page IconTo Next Page
To Previous Page IconTo Previous Page
To Previous Page IconTo Previous Page
Loading...
HCD-FLX5D/FLX7D
7575
S301
S312S311
R321 R322 R323 R324 R325 R326 R327 R328
S313 S314 S315 S316 S317 S318 S319
D302D303D304
R303
S325
D309 D310
PM301 PM302
NO809ANO809B
CP304
CP303
CP302
CP301
NO813
JW322
JW321
C301
R313
R314
IC301
R305R306R329R330R331
S323 S322 S321 S320 S302 S304 S303
CN209
NO816
C313
J301
NO811
NO818
NO806
S324
NO812
R302
D301
R301
S326 S307 S306 S305
R309 R308 R307R338
680 1k 1.5k 1.5k 2.2k 3.3k 4.7k 6.8k
SELS5923CSELS5923CSELS5923C
100
1SS355 1SS355
2P2P
5P
47
10V47
47
TSOP7000
6801k6801k1.5k
3P
3P
0.01
3P
6P
5P
9P
100
SEL5223S
220
2.2k 1.5k 1.5k3.3k
TUNER/BAND
EVER+3.3V
LED GND
D GND
POWER KEY
LED4
LED5
LED A
LED B
KEY0
D GND
DISC SELECT +
TUNER/BANDTAPE A/B
TAPE A/B
DVD
DVD
TC DOOR SW
SOLENOID A
SOLENOID B
D GND
OPEN/CLOSE DETECT
M/LED GND
TC HOLDER TC HOLDER
OPEN
(DECK B)(DECK A)
CASSETTE LID
OPEN
HP-GND
HP-R
HP-L
KEY2
DISPLAY KEY
KEY0
D-GND
HP
KEY0 RTN
EVER +3.3V
D GND
SIRCS
RECEIVER
REMOTE
CONTROL
(SAT)
VIDEO
GROOVEDISPLAYDIGITAL
REC
PAUSE/START
CD SYNC
HI-DUB
EFFECT
(CHASSIS)
B
EVER +3.3V
SIRCS
KEY0
KEY1
A
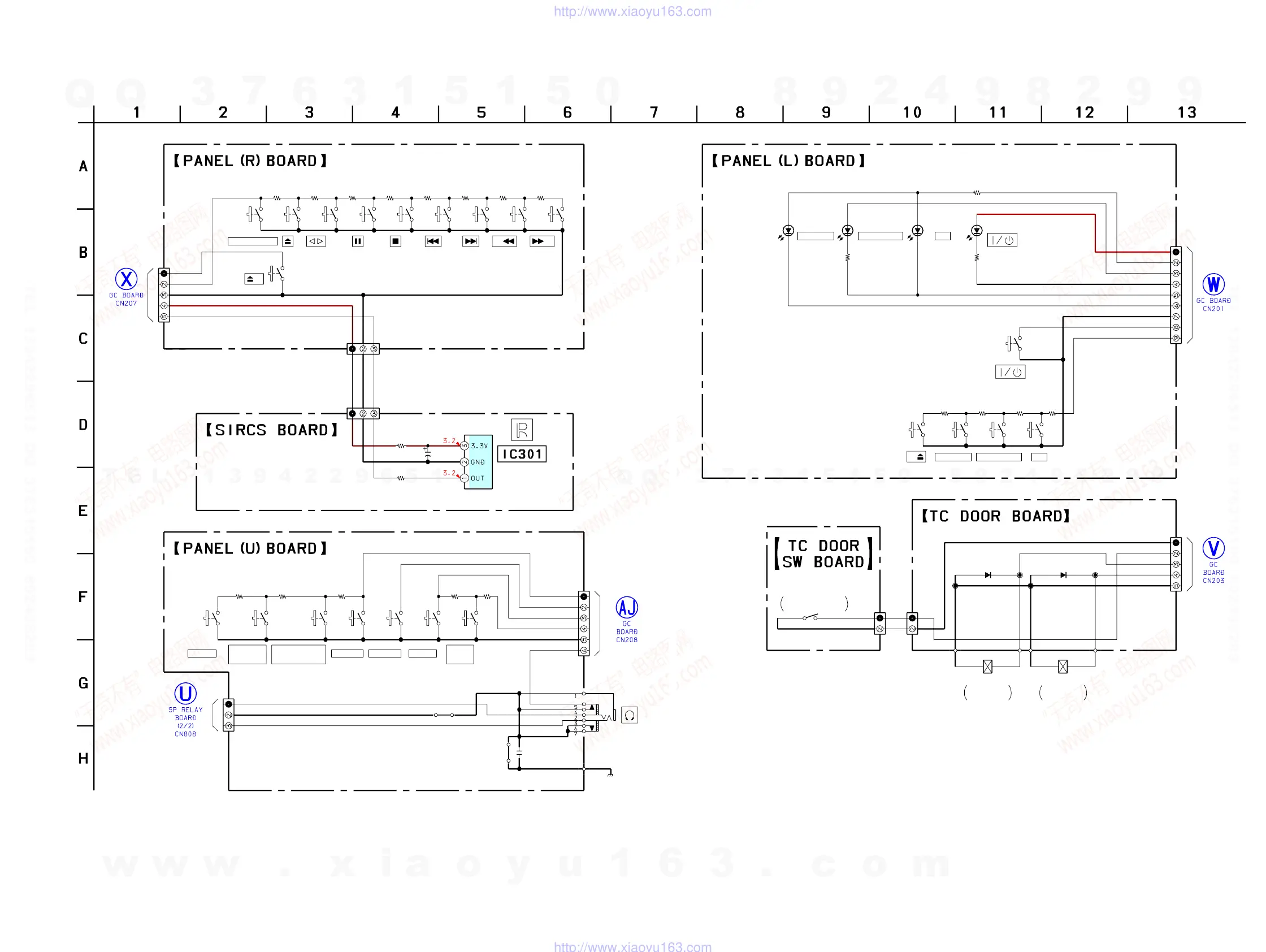
7-42. SCHEMATIC DIAGRAM – PANEL Section –
(Page 69)
(Page 67)
(Page 69)
(Page 69)
(Page 69)
w
w
w
.
x
i
a
o
y
u
1
6
3
.
c
o
m
Q
Q
3
7
6
3
1
5
1
5
0
9
9
2
8
9
4
2
9
8
T
E
L
1
3
9
4
2
2
9
6
5
1
3
9
9
2
8
9
4
2
9
8
0
5
1
5
1
3
6
7
3
Q
Q
TEL 13942296513 QQ 376315150 892498299
TEL 13942296513 QQ 376315150 892498299
http://www.xiaoyu163.com
http://www.xiaoyu163.com

Table of Contents

Related product manuals