EasyManua.ls Logo

Sony HCD-FLX5D - Schematic Diagram − TRANS Board

Sony HCD-FLX5D
160 pages
Print Icon
To Next Page IconTo Next Page
To Next Page IconTo Next Page
To Previous Page IconTo Previous Page
To Previous Page IconTo Previous Page
Loading...
HCD-FLX5D/FLX7D
8181
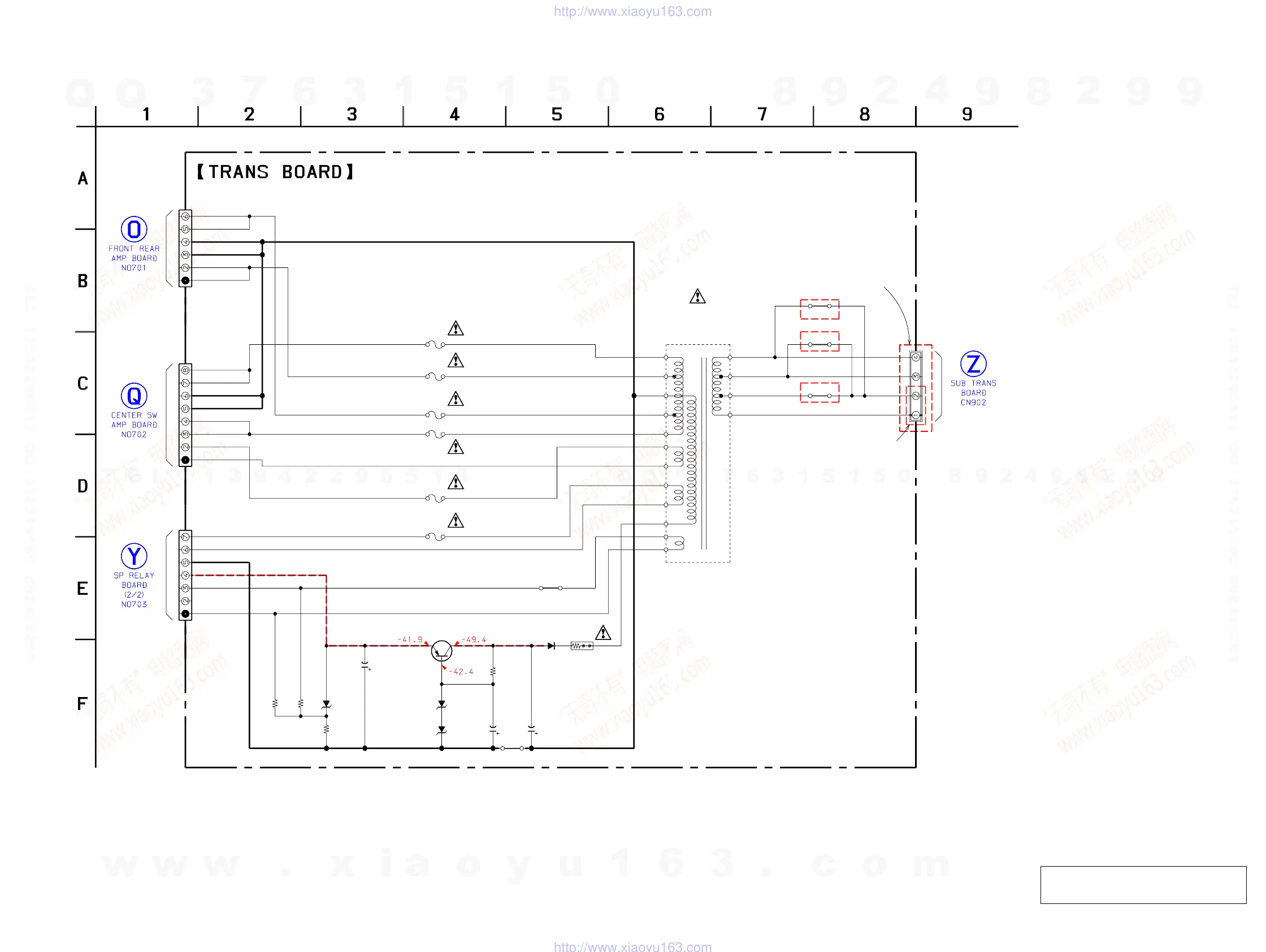
7-48. SCHEMATIC DIAGRAM – TRANS Board –
The components identified by mark 0 or dotted
line with mark 0 are critical for safety.
Replace only with part number specified.
(Page 63)
(Page 83)
(Page 61)
JW922
JW923
CN915
CN916
CN914
T911
R912
D911
R914
Q971
R915
R916R917
C915
D913 D912
D914 C914
R913
C913
JW928
F914
F915
F918
F919
F917
F916
JW921
NO3
6P
8P
7P
10EDB40
1k
2SA1932
10k
100100
100
50V
RD6.2F
-T7B2
MTZJ-T-72
-39A
MTZJ-T-72
-3.6A
1
50V
0.68
100
63V
T8AL
250V
T8AL
250V
T6.3AL
250V
T5AL
250V
T8AL
250V
T8AL
250V
D-GND
VP
VF
VF
AC2(VH)
AC2(VH)
AC1(VL)
AC1(VL)
AC3(MOTOR)
AC3(MOTOR)
AC4(PRE)
AC4(PRE)
AC2(VH)
AC2(VH)
AC1(VL)
AC1(VL)
N.C.
AC GND
AC GND
AC GND
AC GND
-42V
REGULATOR
TRANSFORMER
POWER
MAIN
230/240
220
120
NEURAL
D911
RECT
(FLX5D:KR,TH)
(EXCEPT FLX5D:KR,TH,AUS)
(FLX5D:AUS)
(FLX5D:KR,TH,AUS)
(EXCEPT FLX5D:KR,TH,AUS)
NO3
2P
4P (EXCEPT FLX5D:KR,TH,AUS)
(FLX5D:KR,TH,AUS)
(Page 67)
w
w
w
.
x
i
a
o
y
u
1
6
3
.
c
o
m
Q
Q
3
7
6
3
1
5
1
5
0
9
9
2
8
9
4
2
9
8
T
E
L
1
3
9
4
2
2
9
6
5
1
3
9
9
2
8
9
4
2
9
8
0
5
1
5
1
3
6
7
3
Q
Q
TEL 13942296513 QQ 376315150 892498299
TEL 13942296513 QQ 376315150 892498299
http://www.xiaoyu163.com
http://www.xiaoyu163.com

Table of Contents

Related product manuals