EasyManua.ls Logo

Sony HCD-GN800 - CD Mechanism Deck Section 2 Exploded View

Sony HCD-GN800
76 pages
Print Icon
To Next Page IconTo Next Page
To Next Page IconTo Next Page
To Previous Page IconTo Previous Page
To Previous Page IconTo Previous Page
Loading...
60
HCD-GN800
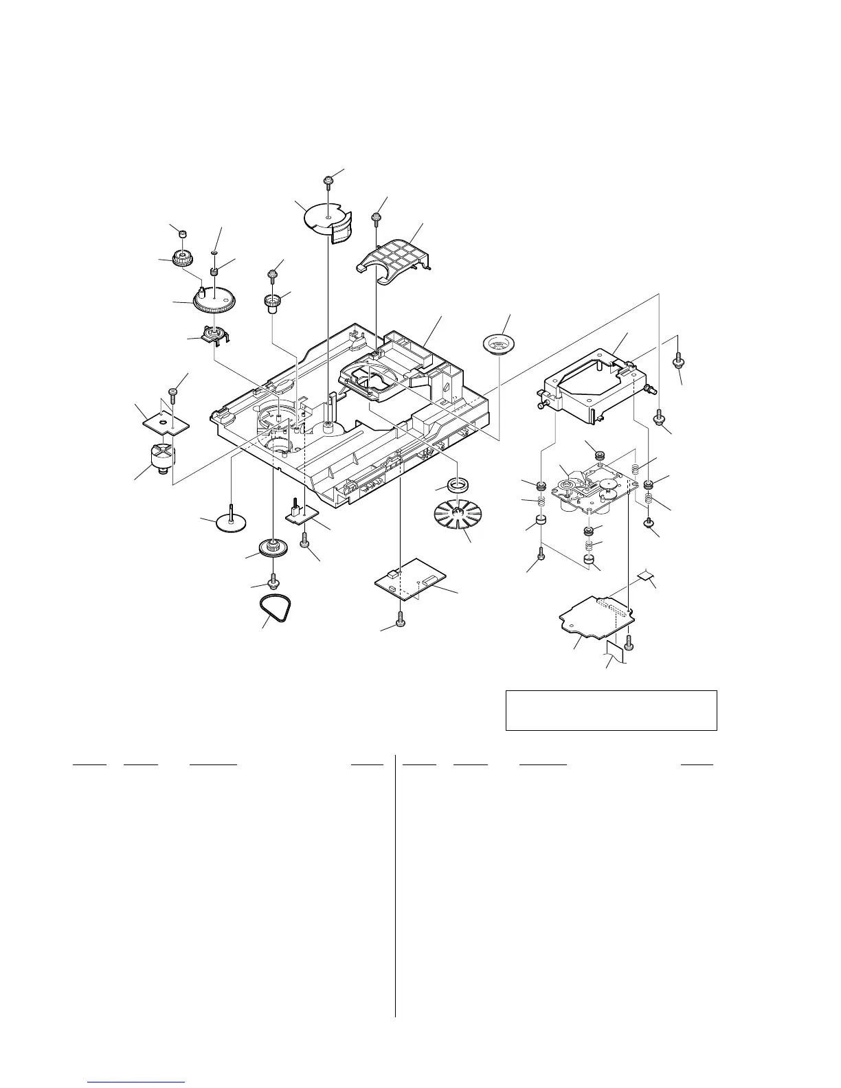
Ref. No. Part No. Description Remark
Ref. No. Part No. Description Remark
201 1-687-135-11 DRIVER BOARD
202 4-218-253-31 SCREW (M2.6), +BTTP
203 1-687-669-11 SW BOARD
204 4-244-034-01 BELT (LOADING)
205 4-218-252-61 SCREW (+PTPWH M2.6), FLOATING
206 4-225-844-01 GEAR (LOADING A)
207 4-224-613-01 GEAR (SHAFT)
208 1-687-133-11 MOTOR (LD) BOARD
210 4-244-108-01 GEAR, SWING
211 4-224-609-01 GEAR (LOADING C)
212 4-224-608-01 COLLAR, SWING
213 3-016-533-01 WASHER (FR), STOPPER
214 4-224-611-01 GEAR (LOADING B)
215 4-224-606-01 GEAR (RV)
216 4-243-818-01 GEAR (U/D)
217 4-243-822-01 LEVER (LIFTER)
218 X-4955-774-1 PULLEY (SM) ASSY, CHUCKING
219 4-221-688-01 PULLEY (B), CHUCKING
220 X-4955-536-1 HOLDER (213) ASSY
222 4-277-549-11 INSULATOR
223 4-277-045-11 SPRING (INSULATOR), COIL
224 4-231-151-01 STOPPER (BU)
225 4-218-253-31 SCREW (M2.6), +BTTP
226 1-782-817-11 WIRE (FLAT TYPE) (16 CORE)
227 1-775-280-11 WIRE (FLAT TYPE) (31 CORE)
228 A-4731-446-A CD BOARD, COMPLETE
0 229 A-4735-357-A BASE ASSY, OP (including KSS-213DCP)
230 1-471-035-11 MAGNET ASSY
231 4-243-817-11 CHASSIS
M751 A-4737-553-A MOTOR ASSY, LOADING
RE701 1-477-680-11 ENCODER, ROTARY
#6 7-685-534-19 SCREW +BTP 2.6X8 TYPE2 N-S
8-5. CD MECHANISM DECK SECTION-2
(CDM74-K6BD47S)
201
202
202
202
203
204
205
206
207
208
210
211
212
213
214
215
216
217
219
231
220
205
205
222
223
223
224
224
225
226
227
228
230
218
223
223
222
222
229
222
205
205
205
205
M751
RE701
#6
The components identified by mark 0 or dotted
line with mark 0 are critical for safety.
Replace only with part number specified.

Table of Contents

Related product manuals