EasyManua.ls Logo

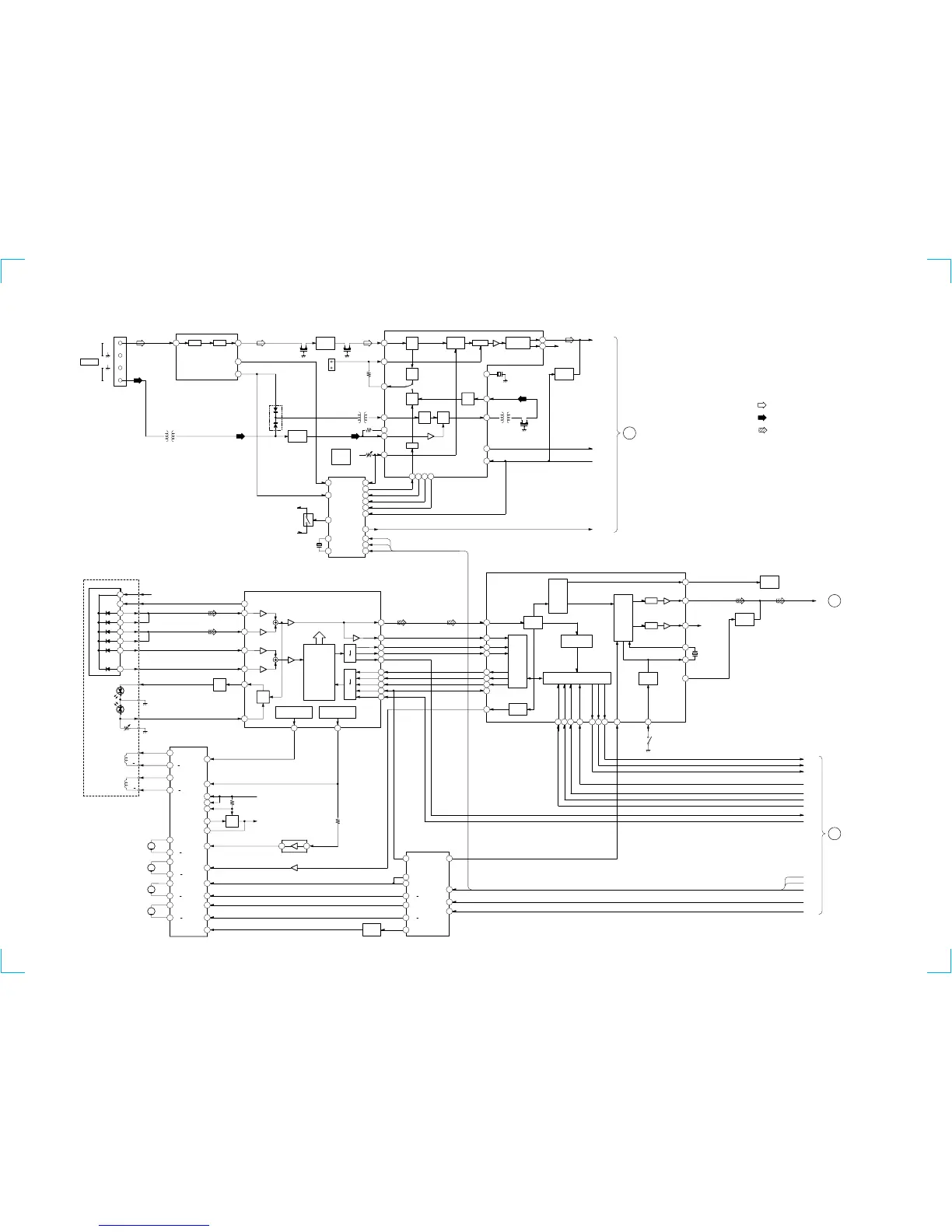
Sony HCD-GRX20 - Tuner;CD Section

Sony HCD-GRX20
56 pages
Print Icon
To Next Page IconTo Next Page
To Next Page IconTo Next Page
To Previous Page IconTo Previous Page
To Previous Page IconTo Previous Page
Loading...
HCD-GRX20/RXD3
1818
TUNER/CD SECTION
CE
16
10
6
4
5
3
22
1
PLL
IC103
FM
XO
XI
CLK
DI
DO
CE
CLK
DI
DO
OPTICAL PICK-UP
BLOCK
APC
Q701
41
+5V
VC
LD
GND
A
C
B
E
F
FOCUS
COIL
F+
F
T+
T
TRACKING
COIL
36
37
42
39
38
51
APC
FOCUS PHASE
COMPENSATION
DECODER
SERIAL/
PARALLEL
CONVERTER
FE
AMP
RF
AMP
IIL
TTL
TTL
IIL
COMAND
VC
TRACKING PHASE
COMPENSATION
LD
PD
E
F
PD1
PD2
6
25
24
21
20
23
22
33
27
SENS1
RFO
FOK
C OUT
DATA
XLT
CLK
XRST
13
FEO TAO
IC703
T.T/TRAY MOTOR
DRIVER
CD RF/SERVO
PROSSESOR
IC701 (1/2)
2
5
T IN
1
3
4
VR
PD
PD
18
17
19
20
6
F IN
22
SL IN
13
T.T F IN
F+
F
T+
T
SL+
SL
SP+
SP
M
M
MOTOR
M102
SLED
MOTOR
M101
SPINDOL
EFM
DEMO.
XRST
CLV
SERVO
DIGITAL
CLV
D/A
I/F
SUB CODE
PROSSESOR
CPU I/F
7 9 4 5 6 6257
MDP
SENS
SCOR
SQSO
SQCK
CLOCK
DATA
CLK
XLT
DAT
SE
CIN
FOK
RF
SERIAL
I/F
PWM
67
70
71
NL
XTA1
XTA0
X701
MUTE
R-CH
CD DIGITAL
SIGNAL PROCESSOR
IC702
16
:FM
:CD
• SIGNAL PATH
14
7
8
4
2
1
6
10
DETECTOR
16
OSC
FM
75
AM
ANTENNA
JK101
3
8
RF
MIX
1
4
FM FRONT END
FE101
RF IF
AMP
Q101
CF101
10.7MHz
CF102
10.7MHz
L105
MW OSC
IF
G
L104
AM ANT
AM RF
AMP
Q108
MPX
16
FM IF
1
OSC
23
AFC
22
AM RF
21
FM
IF
FM OUT
19
FM
DET
AM/FM
IF BUFF
AM
OSC
AM
MIX
AM
DET
SMET
20
CF103
450kHz
MUTE
AGC
AM
IF
DECODER
13
L
14
R
4
2
T102
AM IFT
8
FM DET
CF104
10.7MHz
R CH
FM/AM MPX
IC102
FM
TUNED
LEVEL
PD1
18
X201
7.2MHz
FM B+
7
TUB+
+12V
Q114
ST MONO
12
15
AM
OSC/FMSD
24
B+
11
SD IN
9
ST/MONO
TU LED
6
12
IF IN
SD SPEED
7
ST IND
10
AM/FM
MUTE
Q117
TU L
ST IND
TU MUTE
DO1
A
MAIN
SECTION
D
5
LD
PD
F/T COIL
SL/SP MOTOR
14
15
30
31
T.T+
T.T
TR+
TR
M
M
MOTOR
T/T
MOTOR
TRAY
21
SP IN
29
TR F IN
12
T.T R IN
28
TR T IN
27
MUTE IN
IC705
IC701 (2/2)
67
REG
Q703
9
REG I
10
REG B
11
REG OUT
7
VCC
8
VCC
+5V
B+
XRST
6
SPEED
11
CONTROL
5
SWITCH
Q702
13
12
TR+
TR
7
14
T.T+
T.T
4
MUTE
3
CLOK
1
STB
IC704
MOTOR DRIVE
REG CONTROL
T.T/TRAY
35
18
11
10
12
13
14
79
21
18
SPOA
STOP
SWITCH
S05
8
XLAT
CLOCK
GEN.
PWM
74
NR
MUTE
Q705,707
CD L
SCOR
SENS1
SQSO
XLAT
SQCK
DATA
CE
STB
CLK
DI
C
MAIN
SECTION
:AM
• RCH is omitted
SFR101
SENS2
LOCK
VT
TP9
2
DATA
26
SENS2
19
LOCK
16.9344MHz
2
L MUTE
53
D OUT
DIGITAL
OUT
PH701
B
MAIN
SECTION
CLK
DATA IN
Q108
D553
8
AM/FM
PH DET
11
(Page 17)
(Page 17)
(Page 17)