EasyManua.ls Logo

Sony HCD-MD5 - Page 73

Sony HCD-MD5
101 pages
Print Icon
To Next Page IconTo Next Page
To Next Page IconTo Next Page
To Previous Page IconTo Previous Page
To Previous Page IconTo Previous Page
Loading...
– 127 –
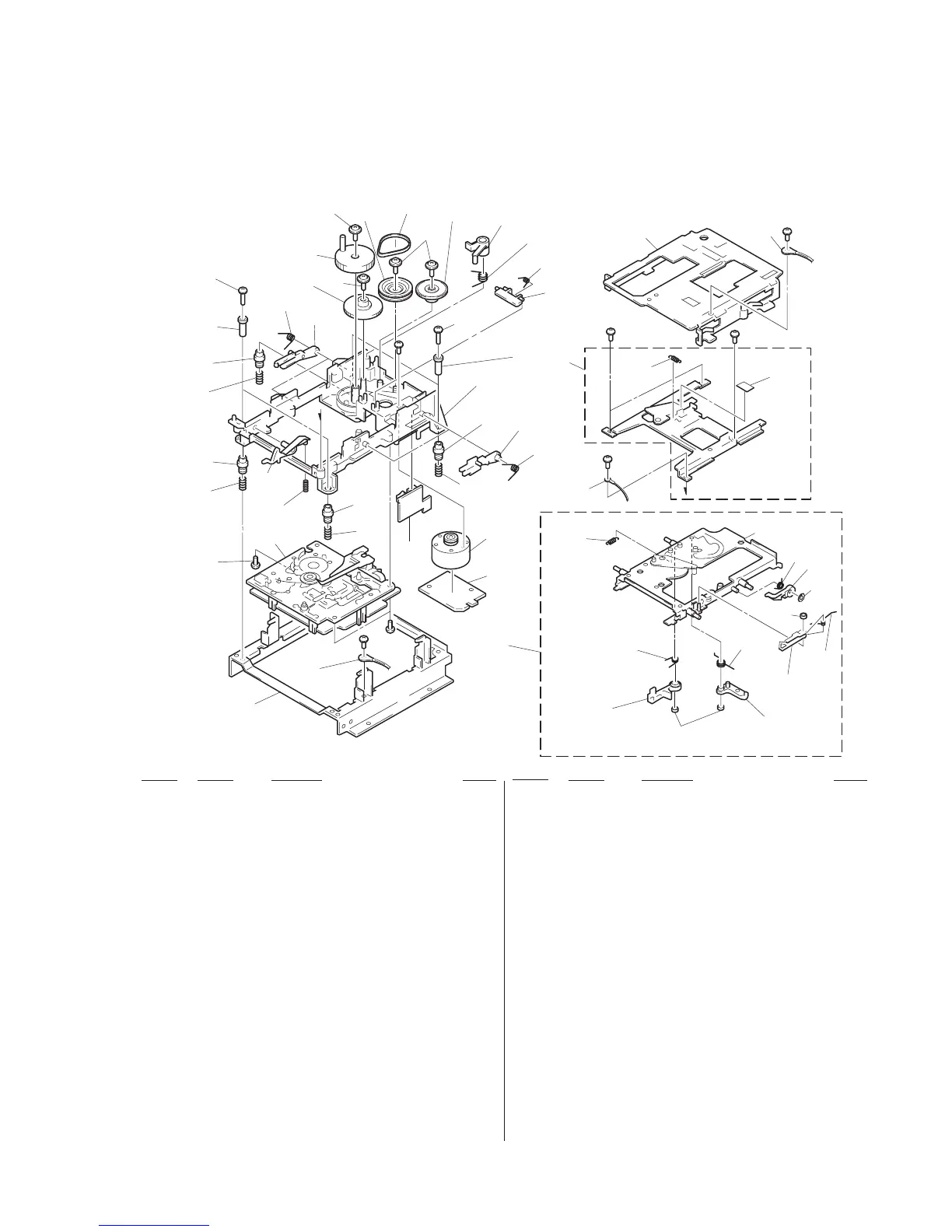
(3) MD MECHANISM SECTION
(MDM-2FR)
Ref. No. Part No. Description Remark
Ref. No. Part No. Description Remark
101 4-967-673-01 SPRING, COMPRESSION
102 4-967-671-01 INSULATOR (MD)
103 4-970-710-01 SPRING, COMPRESSION
104 4-979-400-01 LEVER (DOOR)
105 4-983-100-01 COLLAR (DAMPER)
106 4-972-910-01 SCREW (2.6X18), +B
107 4-967-668-01 SPRING (UDL), TORSION
108 4-967-667-01 LEVER (UDL)
109 4-977-610-01 GEAR (BD-B)
110 X-4945-069-1 CAM ASSY
111 4-933-134-01 SCREW (+PTPWH M2.6X6)
112 4-967-656-01 BELT (BD)
113 4-977-608-01 PULLEY (BD)
114 4-977-609-01 GEAR (BD-A)
115 4-967-637-01 LEVER (SLM)
116 4-984-426-01 SPRING (SLM), TORSION
117 4-968-273-01 SPRING (OWH), TORSION
118 4-968-272-01 LEVER (OWH)
* 119 X-4945-872-1 SLIDER (M) ASSY
120 A-4672-087-A BRACKET (LVO) ASSY
121 4-967-664-05 SPRING, TENSION
122 4-983-110-01 CUSHION (LVO)
123 4-977-777-01 BASE (BD)
124 4-967-669-01 LEVER (UDR)
125 4-967-670-01 SPRING (UDR), TORSION
* 126 1-653-411-11 DETECTION SW BOARD
* 127 1-653-412-11 MOTOR BOARD
128 A-4672-071-B HOLDER COMPLETE ASSY
129 4-967-641-01 LEVER (L)
130 4-967-642-01 SPRING (L), TORSION
131 4-971-743-02 SPRING, TENSION
132 X-4947-136-2 HOLDER ASSY
133 4-982-099-01 SPRING (LOCK), TORSION
134 4-968-919-01 WASHER, STOPPER
135 4-968-919-11 WASHER, STOPPER
136 4-967-646-01 SPRING (SHT), TORSION
137 4-967-645-01 LEVER (SHT)
138 4-967-639-01 LEVER (LM)
139 4-983-106-02 SPRING (LM), TORSION
140 4-982-040-01 LEVER (LOCK)
M191 A-4660-646-A MOTOR (LOADING) ASSY
106
105
102
101
102
101
#6
not
supplied
not
supplied
#2
#6
127
M191
126
102
101
104
103
125
124
NBU-2F
101
123
102
105
106
#4
A
#3
#3
110
111
113
112
114
115
116
117
118
107
109
108
119
not
supplied
#2
#5
#5
121
120
#5
not
supplied
128
A
122
129
130
131
132
134
136
137
139
135
140
133
138
134

Related product manuals