EasyManua.ls Logo

Sony HCD-MD5 - Page 74

Sony HCD-MD5
101 pages
Print Icon
To Next Page IconTo Next Page
To Next Page IconTo Next Page
To Previous Page IconTo Previous Page
To Previous Page IconTo Previous Page
Loading...
– 128 –
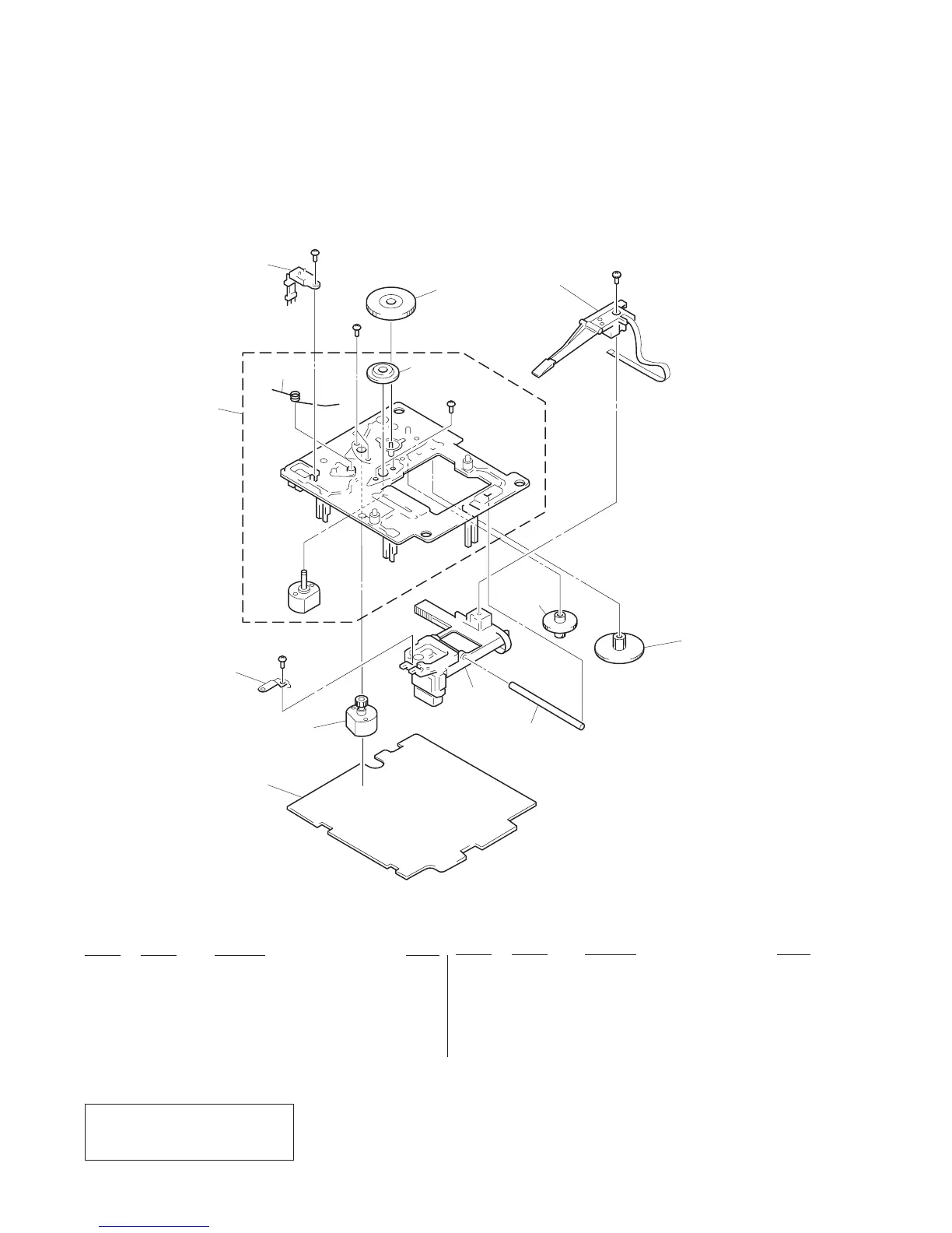
(4) MD BASE UNIT SECTION
(MBU-2F)
The components identified by mark ! or
dotted line with mark ! are critical for
safety.
Replace only with part number specified.
Ref. No. Part No. Description Remark
Ref. No. Part No. Description Remark
* 151 A-4673-656-A BD (MD) BOARD, COMPLETE
152 4-967-679-01 SPRING (OP), LEAF
! 153 8-583-009-11 OPTICAL PICK-UP (MD) KMS-210A/J-N
154 4-967-678-01 SHAFT (OP)
155 4-967-677-01 GEAR (SL-C)
156 4-967-676-01 GEAR (SL-B)
157 4-967-675-01 GEAR (SL-A)
HR901 1-500-304-21 HEAD, OVER LIGHT
M101 A-4660-651-A MOTOR (SLED) ASSY (MD)
M102 A-4660-650-A CHASSIS ASSY, BU (SPINDLE) (MD)
S102 1-762-148-11 SWITCH, PUSH (2 KEY)
#8
S102
#7
157
M102
not supplied
not
supplied
#7
#8
M101
152
151
153
154
155
156
#8
HR901

Related product manuals