EasyManua.ls Logo

Sony HCD-S300 - 6-12.Schematic Diagram - DVD (7;12) Section

Sony HCD-S300
74 pages
Print Icon
To Next Page IconTo Next Page
To Next Page IconTo Next Page
To Previous Page IconTo Previous Page
To Previous Page IconTo Previous Page
Loading...
HCD-S300
38 38
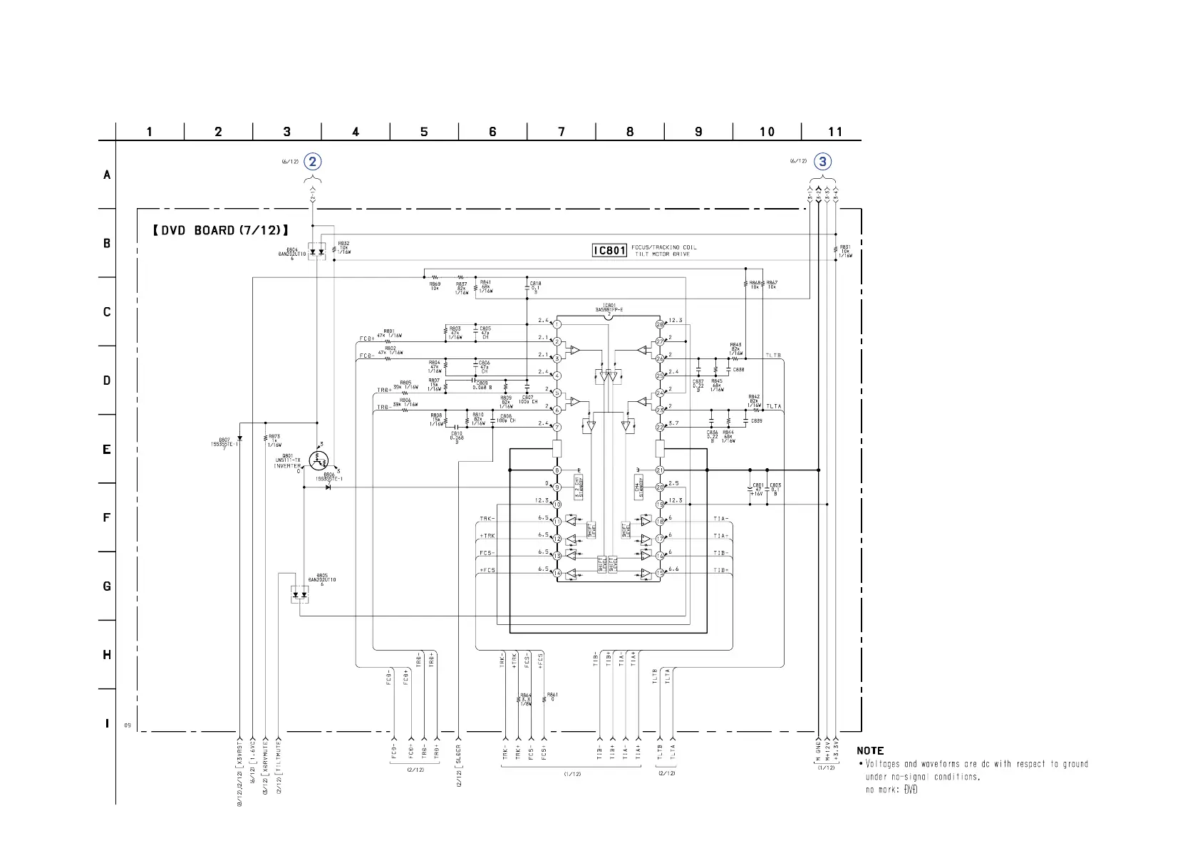
6-12. SCHEMATIC DIAGRAM – DVD (7/12) SECTION –
• See page 20 for Waveforms.
• See page 30 for Printed Wiring Board.
• See page 65 for IC Block Diagrams.
(Page 37)(Page 37)

Table of Contents

Related product manuals