EasyManua.ls Logo

Sony HCD-S300 - 6-27.Printed Wiring Board - PROTECT Section

Sony HCD-S300
74 pages
Print Icon
To Next Page IconTo Next Page
To Next Page IconTo Next Page
To Previous Page IconTo Previous Page
To Previous Page IconTo Previous Page
Loading...
65
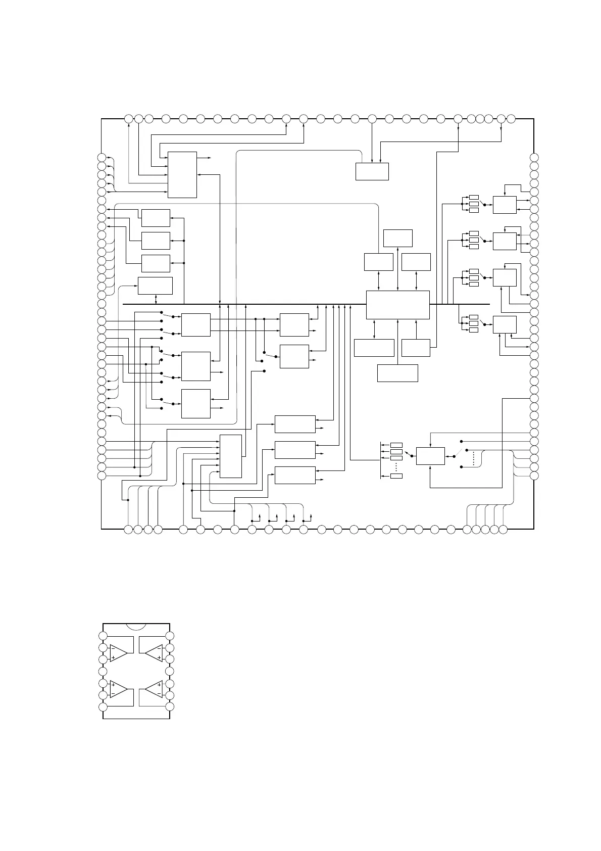
IC701 CXD8791AQ
IC803 BA10324AFV
Host
Interface
INT6N
1HRD/HRXD
HWR/HFS
HCS
HA1
HA0/HCK
VDD
PWM2
PWM1
PWM0
VSS
EMU1
EMU0
TDO
TCK
TDI
TMS
TRST
VDD
VSS
TRREF
TRIN
FGREF
FGIN
PGREF
PGIN
RS
LG
DFCTI
HEAD
CLKOOIS
CLKOUT1
VDD
VSS
GIO15
GIO14
GIO13
GIO12
GIO11
GIO10
GIO9
GIO8
GIO7
GIO6/TMC2
GIO5/TMC1
VDD
GIO4/TMC0
GIO3/INT5
GIO2/INT4
GIO1/INT3
GIO0/INT2
VSS
TESTC
TEST3
TEST2
TEST1
TEST0
TESTSIA1
TESTSIA0
TESTSOA
ADC9
ADC8
ADC7
ADC6
ADC5
128 127 126 125 124 123 122 121 120 119 118 117 116 115 114 113 112 111 110 109 108 107 106 105 104 103
39 40 41 42 43 44 45 46 47 48 49 50 51 52 53 54 55 56 57 58 59 60 61 62 63 64
2
3
4
5
6
7
8
9
10
11
12
13
14
15
16
17
18
19
20
21
22
23
24
25
26
27
28
29
30
31
32
33
34
35
36
37
38
102
101
100
99
98
97
96
95
94
93
92
91
90
89
88
87
86
85
84
83
82
81
80
79
78
77
76
75
74
73
72
71
70
69
68
67
66
65
8-bit
PWM0
8-bit
PWM0
8-bit
PWM0
256 word
SARAM
Clock
Generator
544 word
DARAM
JTAG
Bool Program
ROM
PLL
x1, x1.5
10K word
Program RAM
16-bit
Timer2
16-bit
Timer1
16-bit
Timer0
DAC Output
Selector
Pulse
Corrector
FG/PG
Phase
Detector
INT4N
INT4N
INT5N
INT3N
INT5N
INT2N
INT1N
INT5N
FG/PG
Phase
Counter
Track
Pulse
Counter
Track
Pariod
Counter
GIO
Port
8-bit
DAC0
8-bit
DAC1
8-bit
DAC2
8-bit
DAC3
8-bit
ADC
12345
6
7
8
99
1
INT4N INT3N INT2N
TEST SIB0
TEST SIB1
GNDAS
VCCAS
VRT0
DAB0
VRB0
VDD3V3
VSS3V3
VRB1
DAB1
VRT1
VCCA4
GNDA4
GNDA3
VCCA3
VRT2
DAB2
VRB2
VDD3V2
VSS3V2
VRB3
DAB3
VRT3
VCCA2
GNDA2
VDD3V1
VSS3V1
VRBA
GNDA1
TESTA
VCCA1
VRTA
ADC0
ADC1
ADC2
ADC3
ADC4
T320C2xLP
Core
HINT/HTX
D
SRPRN
VSS
HD0/HO0
HD1/HO1
HD2/HO2
HD3/HO3
VDD
HD4/HO4
HD5/HO5
HD6/HO6
HD7/HIO
VSS
VDD
GNDA5
LF
VCCA5
VSS
VDD
X1
X2/CLKIN
VSS
VDD
TESTB
PLLMD
TESTSOB
3
4
2
8
9
10
12
13
11
14
7
6
5
3
2
4
1
OUT2
+IN2
-IN2
+IN1
VCC
OUT1
-IN1
OUT3
+IN3
-IN3
+IN4
GND
OUT4
-IN4
1

Table of Contents

Related product manuals