EasyManua.ls Logo

Sony HCD-U1BT - Block Diagram - AUDIO Section

Sony HCD-U1BT
106 pages
Print Icon
To Next Page IconTo Next Page
To Next Page IconTo Next Page
To Previous Page IconTo Previous Page
To Previous Page IconTo Previous Page
Loading...
3030
HCD-U1BT
HCD-U1BT
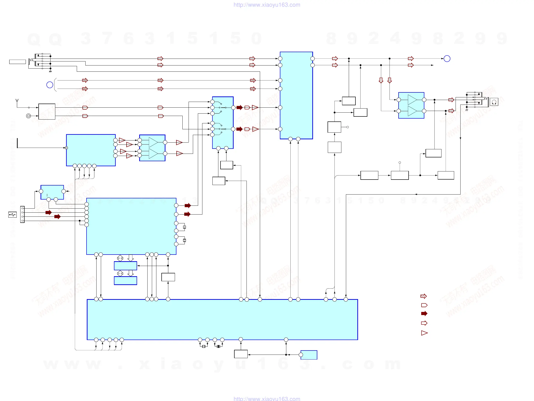
6-3. BLOCK DIAGRAM — AUDIO SECTION —
: CD
: TUNER
: USB
: AUDIO
: BLUETOOTH
• Signal Path
J620
AUDIO IN
AM ANT
A
BD/DRIVER
SECTION
(Page 28)
FM
5
1
OUT
V BUS
DVDD5
D–
D+
GND
IC1
V_BUS SWITCH
4
IN
EN
FM/AM
TUNER
177
176
INT4
PG2
UDM
UDP
AVSUS12
DVSUS33
115
116
119
113
XTAL
226
EXTAL
225
193 192
SIO
SD0
195 202
nSCS0
PE5
191
nSCK0
101
nRST
1
100
USB_DO
XC_IN
XC_OUT
USB_DI
42
10
34
35 38
36
90
11
75
USB_CS
USB_RDEN
2
USB_CLK
43
USB_RESET
X001
22.5MHz
TX
127
TEX
126
AOUT R
218
AOUT L
217
X1
X2
TU-L
USB-L
TU-R
USB-R
IC112
AUDIO SELECTOR
IC110
AUDIO CONTROLLER
IC109
HP AMP
L-CH
OUT2
R-CH
14
X0
X
12
13
15
2
C1
9
B2
8
B1
7
A1
5
A2
6
16
OUT1
L-CH
R-CH
CD-L
CD-R
CD-L
CD-R
L-CH
R-CH
OUT2
17
5
3
7
1
X002
48MHz
IC8
USB PROCESSOR
IC905
IC6
NOR FLASH ROM
Q3
USB RST
IC7
SRAM
IC107 (3/5)
SYSTEM CONTROLLER
3
FLG
Y1
Y2
1
Y0
Y
BA
5
9 10
3
C2
10
SI
14
SC
13
X101
32.768KHz
X_IN
X_OUT
13 15
X102
5MHz
Q121
SWITCH
Q119
SWITCH
57
SEL_A
58
SEL_B
27
AUDIO IN
60
AMP_DATA
65
LINE_MUTE
61 28
HP_MUTE
HP_DET
59
AMP_CLOCK
Q114
LINE
MUTE-1
Q113
LINE
MUTE-2
Q110
HP MUTE-1
Q112
MUTE
Q111
MUTE
Q108
HP MUTE-3
Q107
HP MUTE-4
HP_MUTE
HP_DET
12V
12V
LINE_MUTE
Q109
HP MUTE-2
J621
AMP
L
AMP
R
IC902
BT AMP
1
5
2
AMP
L
AMP
R
C
AMP SECTION
(Page 31)
CN2
DET
12
20
Q116
SWITCH
IC108
OUT RESET
1
AC_CUT
RESET
BT_RESET
BT_CTS
BT_DATA_OUT
BT_RTS
BT_DATA_IN
BT-L
BT-R
7
8
9
10
39
40
38
41
46
A0UT_N_L
A0UT_N_R
AOUT_P_L
AOUT_P_R
RESET
UART_TXD
UART_CTS
UART_RXD
UART_RTS
BT RECIEVER
ANT IN
CTS
DATA-OUT
RTS
DATA-IN
RESET
BT ANT
7
3
6
+
+
-
-
w
w
w
.
x
i
a
o
y
u
1
6
3
.
c
o
m
Q
Q
3
7
6
3
1
5
1
5
0
9
9
2
8
9
4
2
9
8
T
E
L
1
3
9
4
2
2
9
6
5
1
3
9
9
2
8
9
4
2
9
8
0
5
1
5
1
3
6
7
3
Q
Q
TEL 13942296513 QQ 376315150 892498299
TEL 13942296513 QQ 376315150 892498299
http://www.xiaoyu163.com
http://www.xiaoyu163.com

Table of Contents

Related product manuals