EasyManua.ls Logo

Sony HCD-U1BT - Schematic Diagram - HP, SP Section

Sony HCD-U1BT
106 pages
Print Icon
To Next Page IconTo Next Page
To Next Page IconTo Next Page
To Previous Page IconTo Previous Page
To Previous Page IconTo Previous Page
Loading...
4646
HCD-U1BT
HCD-U1BT
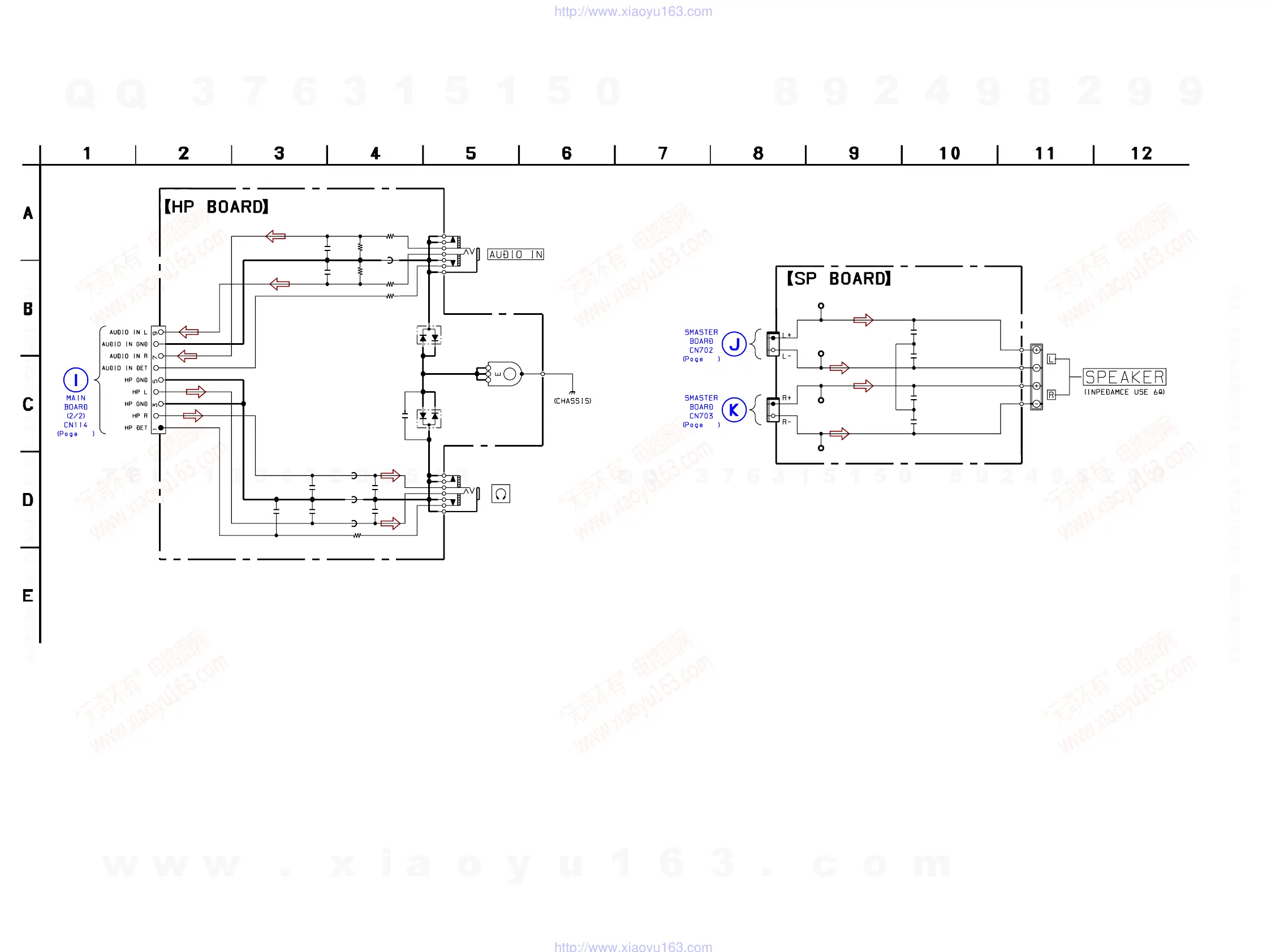
6-20. SCHEMATIC DIAGRAM — HP, SP SECTION —
38
40
40
TP601
TP602
TP603
TP604
J621
J620
EP601
R620
R624
R623
FB619
FB621
FB622
FB623
NO702
NO703
C606
C605
C601
C602
C627 C625
C626
C623
C624
FB620
C629
D602
C621
C622 R622
R621
D601 J601
CN620
EARTH TERMINAL
1k
2.2k
2.2k
FERRITE
FERRITE
FERRITE
FERRITE
CON ASSY 2P
CON ASSY 2P
470p
470p
470p
470p
0.022 0.022
0.022
0.01
0.01
1K
0.01
MC2840
100p
100p 100k
100k
MC2840 SPEAKER TERMINAL
9P
w
w
w
.
x
i
a
o
y
u
1
6
3
.
c
o
m
Q
Q
3
7
6
3
1
5
1
5
0
9
9
2
8
9
4
2
9
8
T
E
L
1
3
9
4
2
2
9
6
5
1
3
9
9
2
8
9
4
2
9
8
0
5
1
5
1
3
6
7
3
Q
Q
TEL 13942296513 QQ 376315150 892498299
TEL 13942296513 QQ 376315150 892498299
http://www.xiaoyu163.com
http://www.xiaoyu163.com

Table of Contents

Related product manuals