EasyManua.ls Logo

Sony HCD-VP1 - Block Diagram - DISPLAY;POWER SUPPLY Section

Sony HCD-VP1
52 pages
Print Icon
To Next Page IconTo Next Page
To Next Page IconTo Next Page
To Previous Page IconTo Previous Page
To Previous Page IconTo Previous Page
Loading...
18
HCD-VP1
18
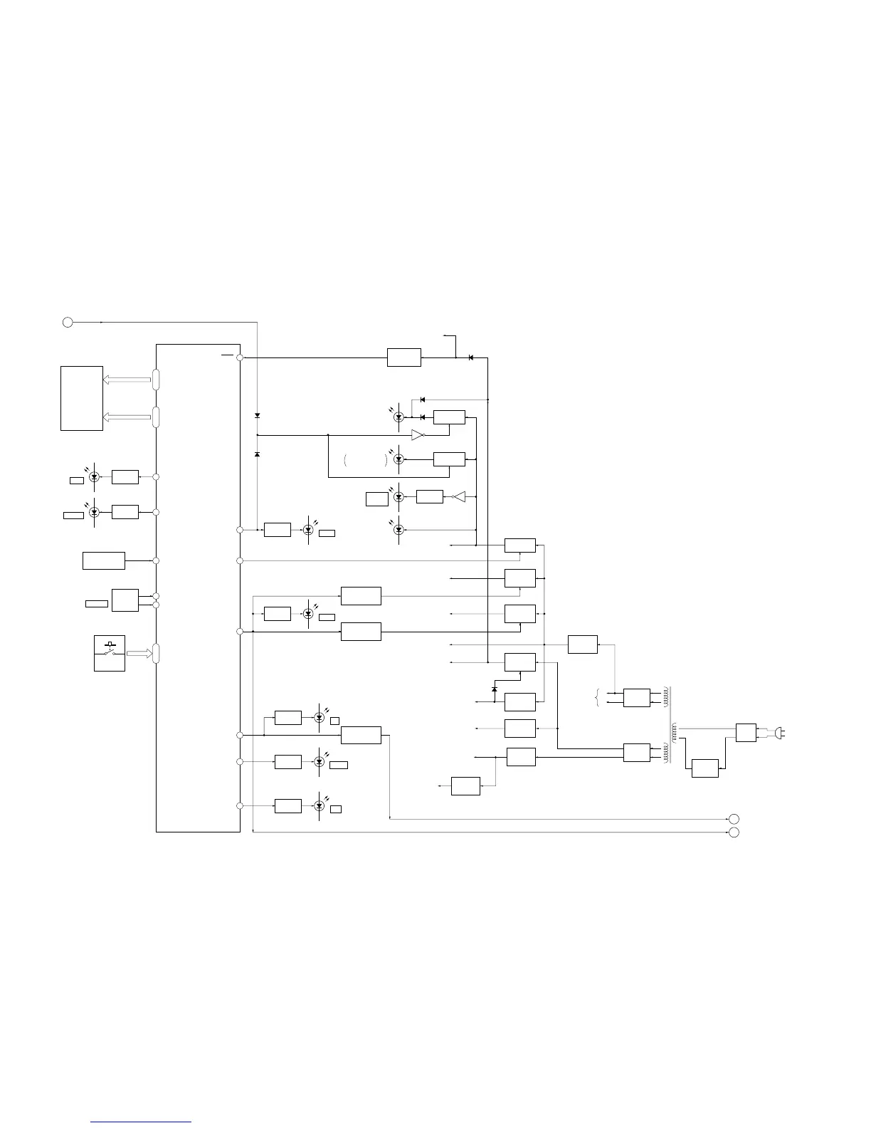
5-4. BLOCK DIAGRAM – DISPLAY/POWER SUPPLY Section –
05
SYSTEM CONTROLLER,
LCD DRIVER
IC801 (4/4)
C
(Page 16)
REC/PB
D
(Page 17)
CD-ON
MUTING
CONTROL SWITCH
Q311, 312
+12V
REGULATOR
IC306
+5V
REGULATOR
Q310
+8V
REGULATOR
IC304
+8V
REGULATOR
IC311
–8V
REGULATOR
IC305
–5V
REGULATOR
IC312
RECT
D911 – 914
RECT
D907 – 910
POWER TRANSFORMER
T901
VOLTAGE
SELECTOR
S901
LINE
FILTER
LF901
+10V
REGULATOR
Q313
AC IN
B+
B–
+5V
CD BLOCK B+
+12V
TDA7439 (IC301) B+
+10V
TUNER PACK B+
–8V
AUDIO
CIRCUIT
POWER AMP
(IC101, 201)
D315
E
(Page 17)
TU-ON
REGULATOR
CONTROL SWITCH
Q321, 322
LED DRIVE
Q852
D814
D815
D813
D812
D802
Q655
CD
D852
CD-ON
94
VCD
8
TU-ON
25
TC-ON
REG-CON
98
26
RESET
38
+7.5V
REGULATOR
Q314
RESET SIGNAL
GENERATOR
IC803
FM 7.5V
FM CIRCUIT B+
B+ SWITCH
Q661, 662
B+ SWITCH
Q653, 654
B+ SWITCH
Q651, 652
LED B+
REGULATOR
CONTROL SWITCH
Q315, 316
LED DRIVE
Q500
VCD ON
D500
PBC
16
LED DRIVE
Q501
PBC
D501
LED DRIVE
Q855
TUNER
D855
LED DRIVE
Q854
LED DRIVE
Q856
LED DRIVE
Q858
TAPE
D854
DSG
D856
D858
(DISC TRAY ILLUMINATION)
STANDBY
I/u
D851
D657 – 660
(LCD BACK LIGHT)
BACK UP +5V
SYSTEM CONTROLLER (IC801) B+
Q859
REMOTE CONTROL
RECEIVER
IC802
3
REMOCON
D.S.G.
27
LED DRIVE
Q857
CD SYNC
D857
CD-SYNC
ROTARY
ENCODER
RV801
JOG-A
21
JOG-B
20
36 – 33
SEG0 – SEG31
KEY1 – KEY4
54 – 85
COM0 – COM3
50 – 53
S801 – 822, 824-829
RV801
VOLUME
LIQUID CRYSTAL
DISPLAY
LCD801
CASSETTE HOLDER
BACK LIGHT
7
–5V
CD BLOCK B–
+8V
AUDIO CIRCUIT
+8V
CD BLOCK, DISC TRAY OPEN/
CLOSE MOTOR DRIVER (IC306) B+

Related product manuals