EasyManua.ls Logo

Sony HCD-VP1 - Page 41

Sony HCD-VP1
52 pages
Print Icon
To Next Page IconTo Next Page
To Next Page IconTo Next Page
To Previous Page IconTo Previous Page
To Previous Page IconTo Previous Page
Loading...
41
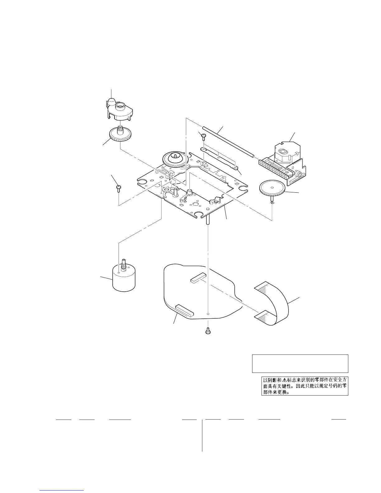
(5) CD MECHANISM DECK SECTION-2
(KSL-2130CCP/K1N)
Ref. No. Part No. Description Remark
Ref. No. Part No. Description Remark
201 A-4426-613-A CD BOARD, COMPLETE
202 2-625-188-02 GEAR (A)
203 2-627-003-02 GEAR (B) (RP)
204 1-791-495-11 WIRE (FLAT TYPE) (16 CORE)
205 2-626-908-01 SHAFT, SLED
! 206 8-820-070-02 OPTICAL PICK-UP KSM-213CCP/K1N
207 3-713-786-51 SCREW +P 2X3
206 2-641-386-01 SCREW (2X5), TAPPING (S)
M101 X-2646-381-1 MOTOR CHASSIS ASSY (MB) (SPINDLE)
M102 X-2625-769-1 MOTOR GEAR ASSY (MB) (RP) (SLED)
not supplied
not supplied
203
207
208
M102
201
204
M101
#6
202
206
205
The components identified by mark ! or dotted
line with mark ! are critical for safety.
Replace only with part number specified.

Related product manuals