EasyManua.ls Logo

Sony HTC-V5550 - Block Diagrams

Sony HTC-V5550
64 pages
Print Icon
To Next Page IconTo Next Page
To Next Page IconTo Next Page
To Previous Page IconTo Previous Page
To Previous Page IconTo Previous Page
Loading...
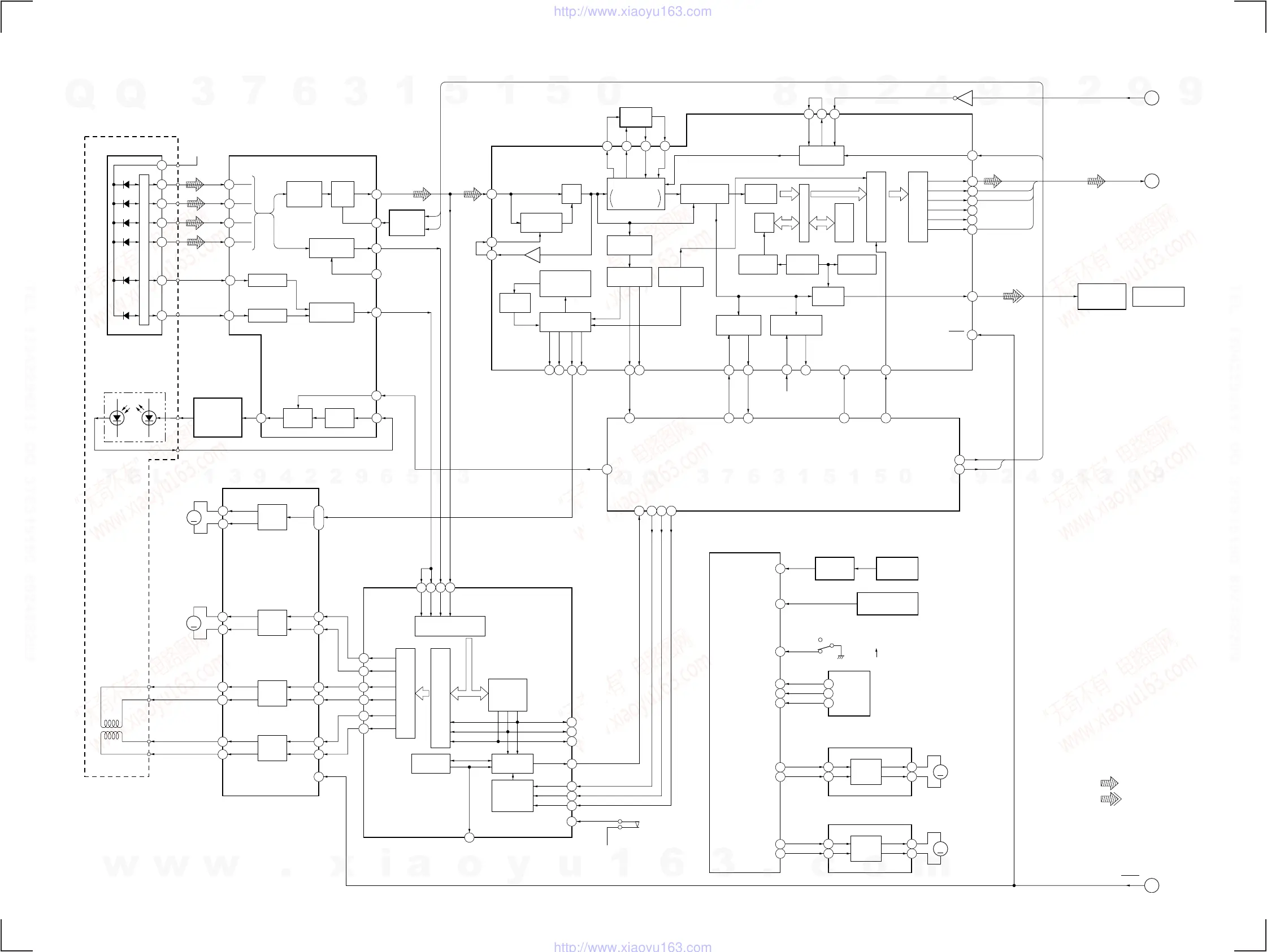
HTC-V5550
6-2. BLOCK DIAGRAMS
— SERVO SECTION —
— 17 — — 18 —
CD MECHANISM
CONTROLLER
IC502 (1/2)
A/D
CONVERTER
OUT+
OUT–
3
4
7
2
1
5
10
6
4
5
6
16
15
14
13
8
9
19
2
1
77
78
71
55
54
45
47
46
6320
31
33
34
32
36
38
39
26
93
27
28
29
80
88
89
100
2
4
6
8
10
9
10
4
5
19
20
13
12
27
26
23, 24
A
E
B
C
D
A
A+5V
F
DETECTOR
A
B
C
D
RF
SUMMING
AMP
FOCUS
ERROR AMP
RF EQ
SWITCH
Q102, 103
RF EQ
AMP
TRACKING
ERROR AMP
RFO
17
RFE
FE
FE BIAS
RF AMP,
FOCUS/TRACKING ERROR AMP
IC103
TE
E
F
F I-V AMP
E I-V AMP
AUTOMATIC
POWER
CONTROL
Q101
OPTICAL
TRANSCEIVER
IC107
CD OPTICAL
DIGITAL OUT
APC LD
AMP
APC PD
AMP
LD
LD
PD
LASER DIODE
RFAC
MIX
ASYO
ASYI
CTL1
CTL2
FILTER
FILO
PCO
CLTV
FILI
DIGITAL PLL
ASYMMETRY
CORRECTOR
EFM
DEMODULATOR
REGISTER
DIGITAL SIGNAL PROCESSOR
IC101 (1/2)(BD BOARD)
MON
MDP
MDS
94
95
96
97
FSW
CLV
PROCESSOR
18-TIMES
OVERSAMPLING
FILTER
NOISE
SHAPER
INTERNAL BUS
32K
RAM
ERROR
CORRECTOR
SUBQ
SQCK
83
SCLK
79
MUTE
76
EXCK
SUBCODE Q
PROCESSOR
SUBCODE P – W
PROCESSOR
SYNC
PROTECTOR
TIMING
GENERATOR 1
TIMING
GENERATOR 2
DATA
DATA
BCK
LRCK
64
XTSL
VCKI
XTAO
62
XTAI
BCLK
LRCK
RFCK
GFS
56
C2PO
C2PO
CTL1
DOUT
DIGITAL
OUT
SERIAL/PARALLEL
PROCESSOR
D/A DIGITAL
PROCESSOR
CLOCK
GENERATOR
ADDRESS
GENERATOR
PRIORITY
ENCODER
PEAK
DETECTOR
74
SCOR
73
WFCK
75
SBSO
18
28
SENSE CLK
1
SENSE
5
3
DSP CLK
DSP DATA
4
DSP LATCH
81
SE
TE
FE
RFDC
FOCUS/TRACKING/SLED
SERVO DSP
FOCUS/TRACKING/SLED
PWM GENERATOR
SFDR
IN+
IN–
OUT+
OUT–
IN–
IN+
IN–
IN+
15
MUTE
SRDR
TFDR
TRDR
FFDR
FRDR
SSTP
COUT
S101
(LIMIT)
A+5V
MIRR/DFCT/
FOK
DETECTOR
SERVO AUTO
SEQUENCER
SERVO
INTERFACE
CPU
INTERFACE
CLOK
86
DATA
87
99
XLAT
SENS
FOK
91
92
MIRR
DFCT
IN+, IN–
OUT+
OUT–
M101
(SPINDLE)
MOTOR
DRIVE
XRST
LDON
10
DSP MUTE
MOTOR
DRIVE
COIL
DRIVE
OUT–
OUT+
COIL
DRIVE
M
M
M102
(SLED)
16
FOCUS/TRACKING COIL DRIVE,
SPINDLE/SLED MOTOR DRIVE
IC102
2-AXIS
DEVICE
(TRACKING)
(FOCUS)
DIGITAL SERVO
PROCESSOR
IC101 (2/2)
(BD BOARD)
OPTICAL PICK-UP
(KSS-213D/Q-NP)
LDON
PD
(Page 19)
SIGNAL PATH
: CD PLAY
: DIGITAL OUT
I-V AMP
2
1
17
16
2
CTRL1
CTL1
CTL2
11
CTRL2
27
SUBQ DATA
36
SUBQ CLK
SCOR
37
VARI-PITCH
DOUBLE SPEED
MCLK
33.8MHz
B
(Page 19)
DATA, BCK,
LRCK, C2PO
C
(Page 20)
RESET
IC104
D+5V
TBL-L
TBL-R
M
3
6
7
2
MOTOR
DRIVE
DISC TRAY TURN MOTOR DRIVE
IC701
OUT1
OUT2
IN1
IN2
M701
(TURN MOTOR)
SYSTEM CONTROLLER
IC101 (1/3)(MAIN BOARD)
LEVEL SHIFT
Q701
DISC SENSOR
IC703
TABLE SENSOR
IC702
ROTARY
ENCODER
S811
DISC-SENS
OPEN
S801
(OPEN/CLOSE DET)
ENC1
ENC2
ENC3
75
T-SENS
76
4
80
CLOSE
OPEN
81
79
78
2
3
60
61
LOAD-OUT
LOAD-IN
M
10
2
7
4
MOTOR
DRIVE
DISC TRAY SLIDE MOTOR DRIVE
IC801
OUT1
OUT2
FIN
RIN
M801
(SLIDE MOTOR)
63
64
w
w
w
.
x
i
a
o
y
u
1
6
3
.
c
o
m
Q
Q
3
7
6
3
1
5
1
5
0
9
9
2
8
9
4
2
9
8
T
E
L
1
3
9
4
2
2
9
6
5
1
3
9
9
2
8
9
4
2
9
8
0
5
1
5
1
3
6
7
3
Q
Q
TEL 13942296513 QQ 376315150 892498299
TEL 13942296513 QQ 376315150 892498299
http://www.xiaoyu163.com
http://www.xiaoyu163.com

Related product manuals