EasyManua.ls Logo

Sony HTC-V5550 - Schematic Diagram - CD Motor Section

Sony HTC-V5550
64 pages
Print Icon
To Next Page IconTo Next Page
To Next Page IconTo Next Page
To Previous Page IconTo Previous Page
To Previous Page IconTo Previous Page
Loading...
HTC-V5550
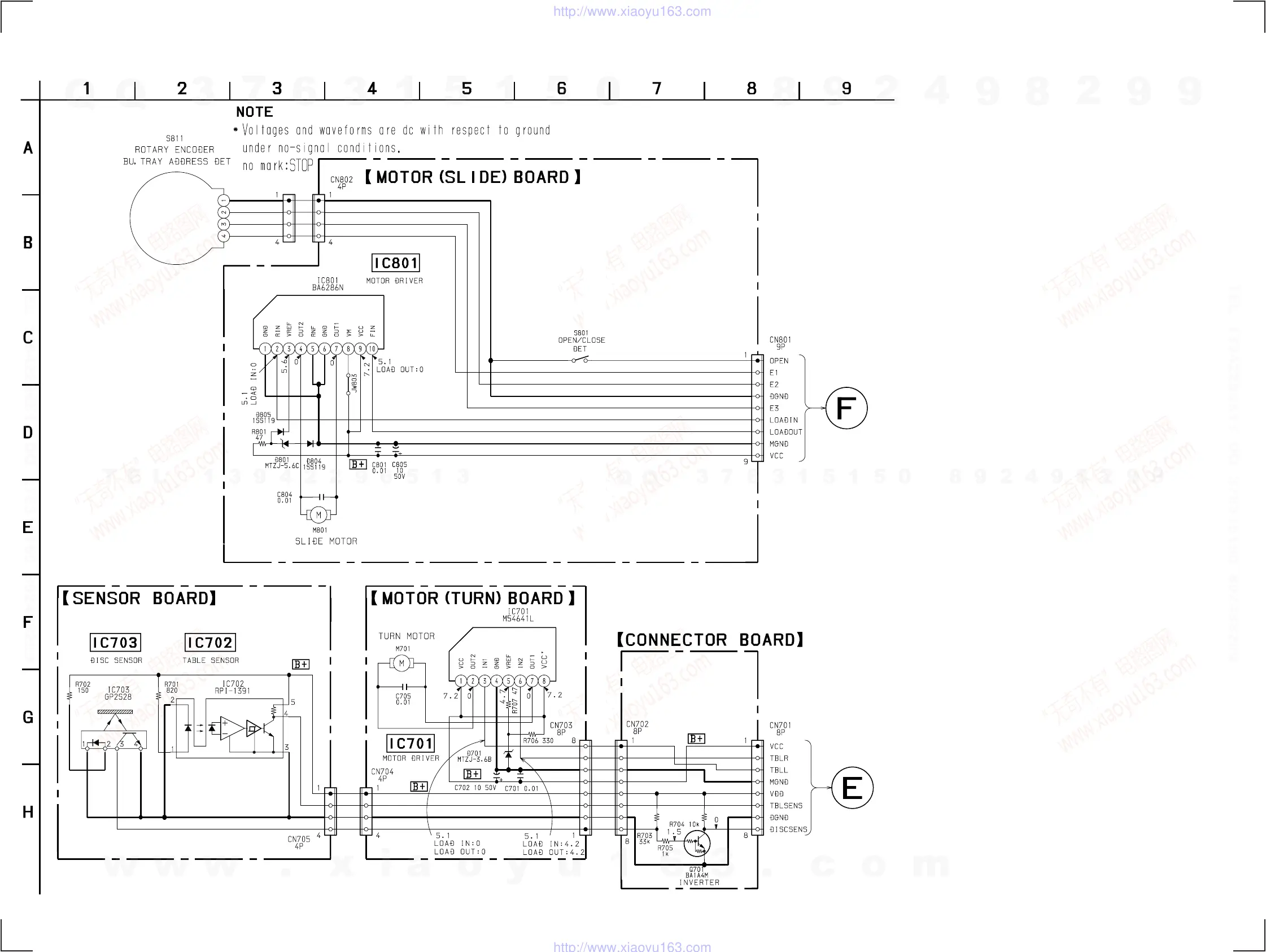
6-14. SCHEMATIC DIAGRAM — CD MOTOR SECTION —
— 45 — — 46 —
MAIN BOARD
CN112
(Page 35)
MAIN BOARD
CN111
(Page 35)
16
• Refer to page 59 for IC Block Diagrams.
w
w
w
.
x
i
a
o
y
u
1
6
3
.
c
o
m
Q
Q
3
7
6
3
1
5
1
5
0
9
9
2
8
9
4
2
9
8
T
E
L
1
3
9
4
2
2
9
6
5
1
3
9
9
2
8
9
4
2
9
8
0
5
1
5
1
3
6
7
3
Q
Q
TEL 13942296513 QQ 376315150 892498299
TEL 13942296513 QQ 376315150 892498299
http://www.xiaoyu163.com
http://www.xiaoyu163.com

Related product manuals