EasyManua.ls Logo

Sony HTC-V5550 - TC Mechanism Exploded Views

Sony HTC-V5550
64 pages
Print Icon
To Next Page IconTo Next Page
To Next Page IconTo Next Page
To Previous Page IconTo Previous Page
To Previous Page IconTo Previous Page
Loading...
— 72 —
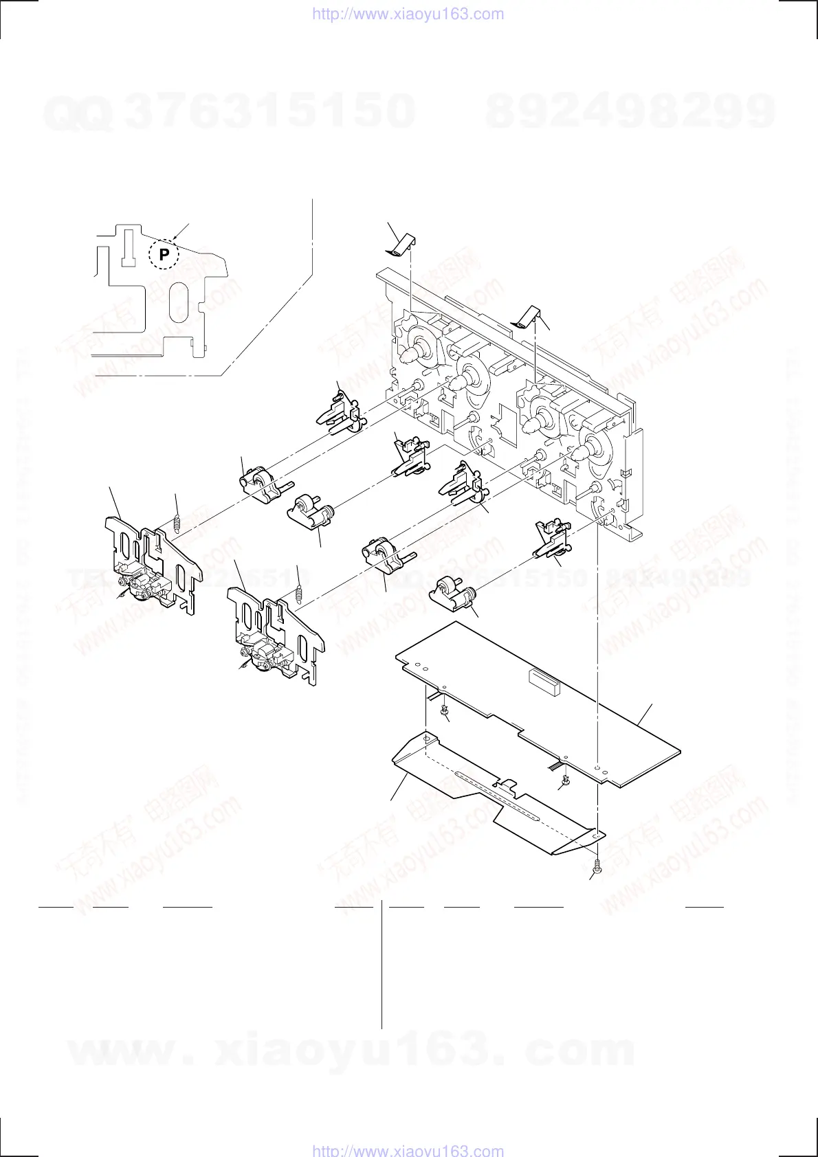
7-6. TC MECHANISM SECTION 1 (TCM-230AWR2/230PWR2)
*
NOTE: Two types of parts which are not interchangeable are available
for the Head deck (A) ASSY and Head deck (B) ASSY.
When replacing the parts, refer to the following figure, and
use the appropriate part
401
402
402
403
403
404
404
405
405
406
406
407
408
408
407
HRPE101
not supplied
HP101
409
Parts with “P” mark: 230PWR2
Parts without “P” mark: 230AWR2
401 3-376-464-11 SCREW(+PTT 2.6 × 6),GROUND POINT
402 3-911-116-21 RIVET, PUSH
403 3-016-574-01 SPRING (HEAD),TENSION
404 X-3374-156-1 PINCH LEVER (REV) ASSY
405 X-3374-155-1 PINCH LEVER (FWD) ASSY
406 3-016-564-01 BASE (PINCH LEVER FWD)
407 3-016-565-01 BASE (PINCH LEVER REV)
408 3-026-892-01 SPRING (CASSETTE), LEAF
* 409 A-2007-731-A AUDIO BOARD, COMPLETE
HP101 A-2056-681-A DECK (A) ASSY, HEAD (230AWR2) (*NOTE)
HP101 A-2056-683-A DECK (A) ASSY, HEAD (230PWR2) (*NOTE)
HRPE101A-2056-682-A DECK (B) ASSY, HEAD (230AWR2) (*NOTE)
HRPE101A-2056-684-A DECK (B) ASSY, HEAD (230PWR2) (*NOTE)
Ref. No. Part No. Description Remarks Ref. No. Part No. Description Remarks
w
w
w
.
x
i
a
o
y
u
1
6
3
.
c
o
m
Q
Q
3
7
6
3
1
5
1
5
0
9
9
2
8
9
4
2
9
8
T
E
L
1
3
9
4
2
2
9
6
5
1
3
9
9
2
8
9
4
2
9
8
0
5
1
5
1
3
6
7
3
Q
Q
TEL 13942296513 QQ 376315150 892498299
TEL 13942296513 QQ 376315150 892498299
http://www.xiaoyu163.com
http://www.xiaoyu163.com

Related product manuals