EasyManua.ls Logo

Sony HTC-V5550 - Schematic Diagrams

Sony HTC-V5550
64 pages
Print Icon
To Next Page IconTo Next Page
To Next Page IconTo Next Page
To Previous Page IconTo Previous Page
To Previous Page IconTo Previous Page
Loading...
HTC-V5550
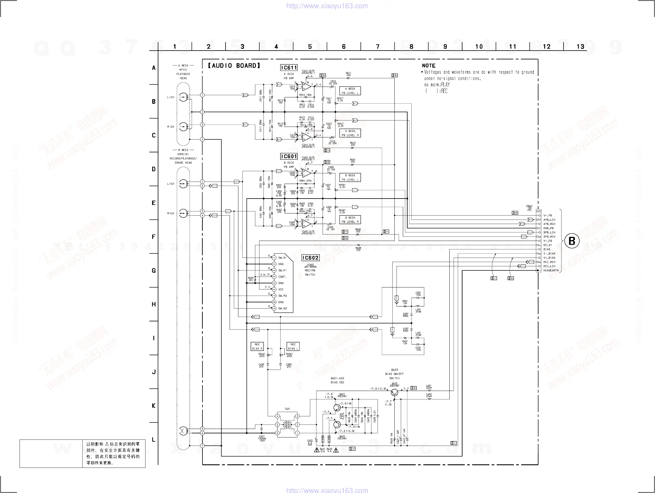
6-5. SCHEMATIC DIAGRAM — DECK SECTION —
• Refer to page 59 for IC Block Diagrams.
— 29 — — 30 —
16
MAIN BOARD
CNS101
(Page 36)
The components identified by
mark ! or dotted line with mark
! are critical for safety.
Replace only with part number
specified.
w
w
w
.
x
i
a
o
y
u
1
6
3
.
c
o
m
Q
Q
3
7
6
3
1
5
1
5
0
9
9
2
8
9
4
2
9
8
T
E
L
1
3
9
4
2
2
9
6
5
1
3
9
9
2
8
9
4
2
9
8
0
5
1
5
1
3
6
7
3
Q
Q
TEL 13942296513 QQ 376315150 892498299
TEL 13942296513 QQ 376315150 892498299
http://www.xiaoyu163.com
http://www.xiaoyu163.com

Related product manuals