EasyManua.ls Logo

Sony HTC-V5550 - Power Section; Power Supply Circuit Details

Sony HTC-V5550
64 pages
Print Icon
To Next Page IconTo Next Page
To Next Page IconTo Next Page
To Previous Page IconTo Previous Page
To Previous Page IconTo Previous Page
Loading...
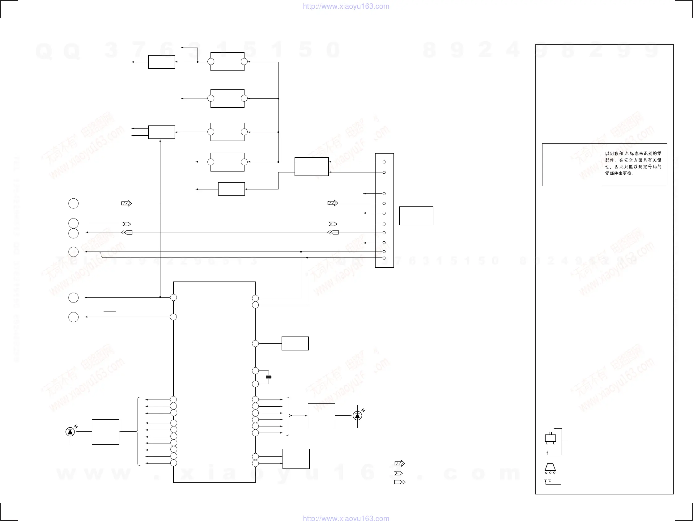
HTC-V5550
— POWER SECTION —
THIS NOTE IS COMMON FOR PRINTED WIRING
BOARDS AND SCHEMATIC DIAGRAMS.
(In addition to this, the necessary note is printed
in each block.)
For schematic diagrams.
Note:
All capacitors are in µF unless otherwise noted. pF: µµF
50 WV or less are not indicated except for electrolytics
and tantalums.
All resistors are in and
1
/
4
W or less unless otherwise
specified.
¢
: internal component.
1 : fusible resistor.
C : panel designation.
For printed wiring boards.
Note:
X : parts extracted from the component side.
p : parts mounted on the conductor side.
®
: Through hole.
b : Pattern from the side which enables seeing.
(The other layers' patterns are not indicated.)
Abbreviation
HK : Hong Kong
SP : Singapore
MY : Malaysia
CH : Chinese
TH : Thai
IA : Indonesia
U : B+ Line.
V : B– Line.
H : adjustment for repair.
Voltages and waveforms are dc with respect to ground
under no-signal (detuned) conditions.
Voltages are taken with a VOM (Input impedance 10 M).
Voltage variations may be noted due to normal produc-
tion tolerances.
Waveforms are taken with a oscilloscope.
Voltage variations may be noted due to normal produc-
tion tolerances.
Circled numbers refer to waveforms.
Signal path.
F : FM
f : AM
E : PB (DECK A)
d : PB (DECK B)
G : REC (DECK B)
J : CD (AUDIO)
L : CD (VIDEO)
c : DIGITAL OUT
Indication of transistor
Q
C
These are omitted
EB
— 23 — — 24 —
RESET
IC101
11
10
X101
5MHz
15
16
65
67
72
54
70
69
CD-PLAY
D224-230
DISC1
DISC2
DISC3
EXIST1
EXIST2
EXIST3
LED
ON/OFF
SWITCH
Q214-223
57
XRST
46
CD-POWER
55
56
IIC DATA
IIC CLK
RESET
X1
X2
MASTER CONTROL
IC101
DECO1
DECO2
CD-PAUSE
CD-L
CD-POWER
IIC-DATA
IIC-CLK
RESET
PB L
REC L
52
(Page 20)
(Page 19)
(Page 20)
(Page 19)
KEY
MATRIX
53
• R CH: Same as L ch
• SIGNAL PATH
: CD
: PB
: REC
68
66
LED1
LED2
LED3
LED4
LED5
LED6
2
3
4
5
7
KEY B
KEY A
30
29
6
D201-206
LED
ON/OFF
SWITCH
Q201-206
+7.5V REG
Q852
+12V REG
IC851
3 1
+5V SW
Q102-104
-7.5V REG
Q855
+5V REG
IC854
3 1
+
-
+7V REG
IC853
3
A+7.5V
D+5V
A+5V
M12V
+5V
M+7V
A-7.5V
1
17
13
(CD R)
R CH
(PB R)
R CH
(REC R)
R CH
CNB108
2
3
9
7
6
4
14
16
RECT
D901-904
SYSTEM
CONTROL
+5V REG
IC852
3 1
J
D
F
E
(Page 22)
G
(Page 22)
H
Note:
The components identi-
fied by mark ! or dotted
line with mark ! are criti-
cal for safety.
Replace only with part
number specified.
Note:
C
These are omitte
d
EB
w
w
w
.
x
i
a
o
y
u
1
6
3
.
c
o
m
Q
Q
3
7
6
3
1
5
1
5
0
9
9
2
8
9
4
2
9
8
T
E
L
1
3
9
4
2
2
9
6
5
1
3
9
9
2
8
9
4
2
9
8
0
5
1
5
1
3
6
7
3
Q
Q
TEL 13942296513 QQ 376315150 892498299
TEL 13942296513 QQ 376315150 892498299
http://www.xiaoyu163.com
http://www.xiaoyu163.com

Related product manuals