EasyManua.ls Logo

Sony HTC-V5550 - TC Mechanism Section 2 (TCM-230 AWR2)

Sony HTC-V5550
64 pages
Print Icon
To Next Page IconTo Next Page
To Next Page IconTo Next Page
To Previous Page IconTo Previous Page
To Previous Page IconTo Previous Page
Loading...
— 73 —
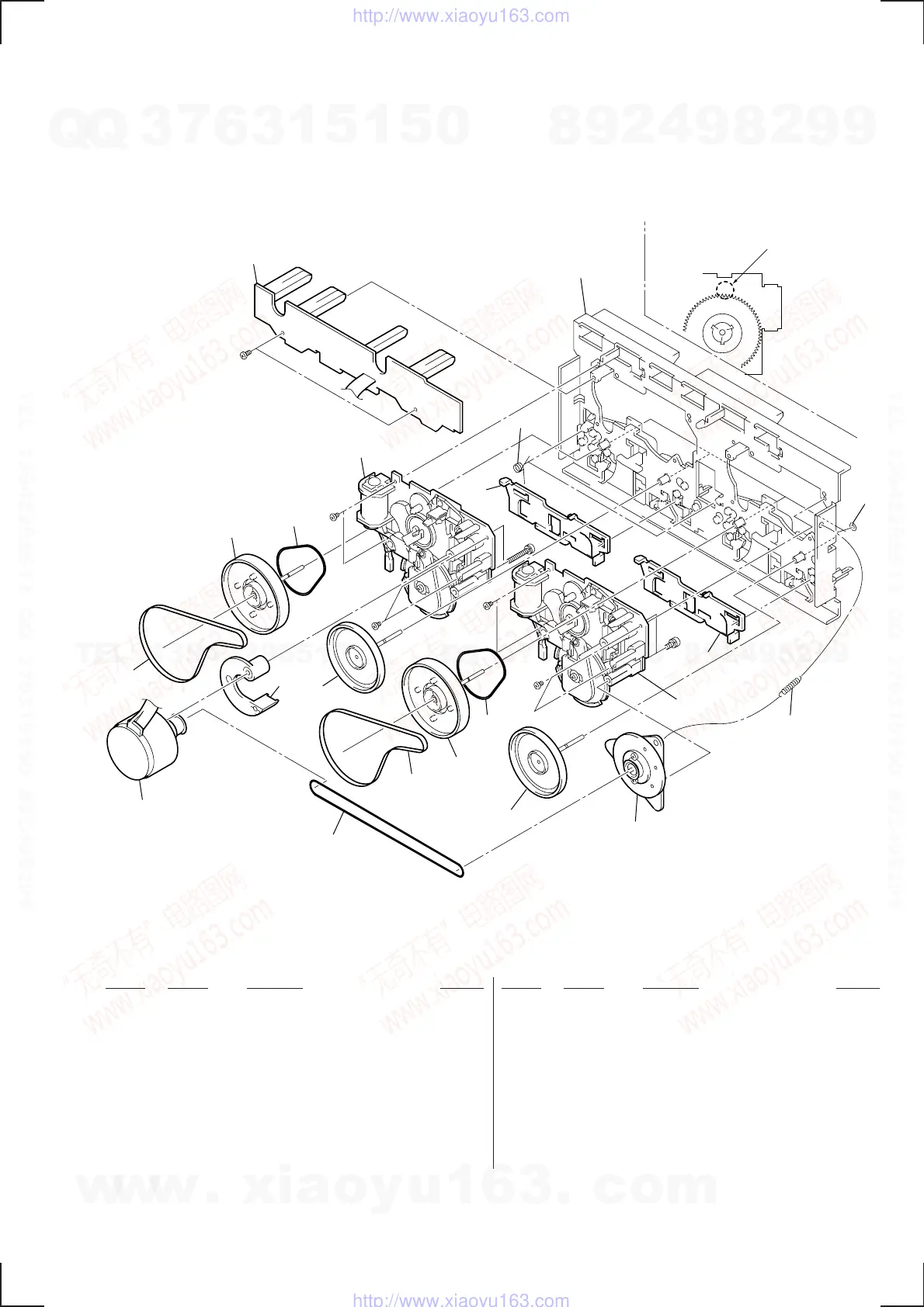
7-7. TC MECHANISM SECTION 2 (TCM-230AWR2/230PWR2)
*
NOTE: Two types of parts which are not interchangeable are available
for the mechanical block assembly. When replacing the parts,
refer to the following figure, and use the appropriate part.
P
451
452
452
453
454
455
455
456
456
457
464
458
458
459
459
460
460
461
462
463
M1
#5
#6
#7
#5
#5
#5
#8
Parts with “P” mark: 230PWR2
Parts without “P” mark: 230AWR2
* 451 X-3374-214-3 CHASSIS ASSY, MAIN
452 3-016-570-01 BELT (CAPSTAN)
453 3-016-569-01 BELT (TENSION)
454 3-017-360-01 BRACKET (MOTOR)
455 X-3374-234-8 FLYWHEEL (FWD) ASSY
456 X-3374-235-1 FLYWHEEL (REV) ASSY
457 X-3374-238-1 PULLEY ASSY, TENSION
458 3-024-405-01 BELT (FR2)
459 A-2004-629-A MECHANICAL BLOCK ASSY (230AWR2)
(*NOTE)
459 A-2004-630-A MECHANICAL BLOCK ASSY (230PWR2)
(*NOTE)
460 3-016-566-01 SLIDER, REVERSE
* 461 A-2007-732-A LEAF SW BOARD, COMPLETE
462 3-016-575-01 SPRING, TORSION
463 3-019-208-01 WASHER, STOPPER
464 3-027-453-01 SPRING (GROUND), TENSION
M1 A-2004-628-A MOTOR ASSY, CAPSTAN
Ref. No. Part No. Description Remarks Ref. No. Part No. Description Remarks
w
w
w
.
x
i
a
o
y
u
1
6
3
.
c
o
m
Q
Q
3
7
6
3
1
5
1
5
0
9
9
2
8
9
4
2
9
8
T
E
L
1
3
9
4
2
2
9
6
5
1
3
9
9
2
8
9
4
2
9
8
0
5
1
5
1
3
6
7
3
Q
Q
TEL 13942296513 QQ 376315150 892498299
TEL 13942296513 QQ 376315150 892498299
http://www.xiaoyu163.com
http://www.xiaoyu163.com

Related product manuals