EasyManua.ls Logo

Sony KDF-46E2000 - B Board Schematic Diagram (4 of 11)

Sony KDF-46E2000
139 pages
Print Icon
To Next Page IconTo Next Page
To Next Page IconTo Next Page
To Previous Page IconTo Previous Page
To Previous Page IconTo Previous Page
Loading...
61
KDF-46E2000/46E2010/50E2000/50E2010/55E2000/55E2010
KDF-46E2000/46E2010/50E2000/50E2010/55E2000/55E2010
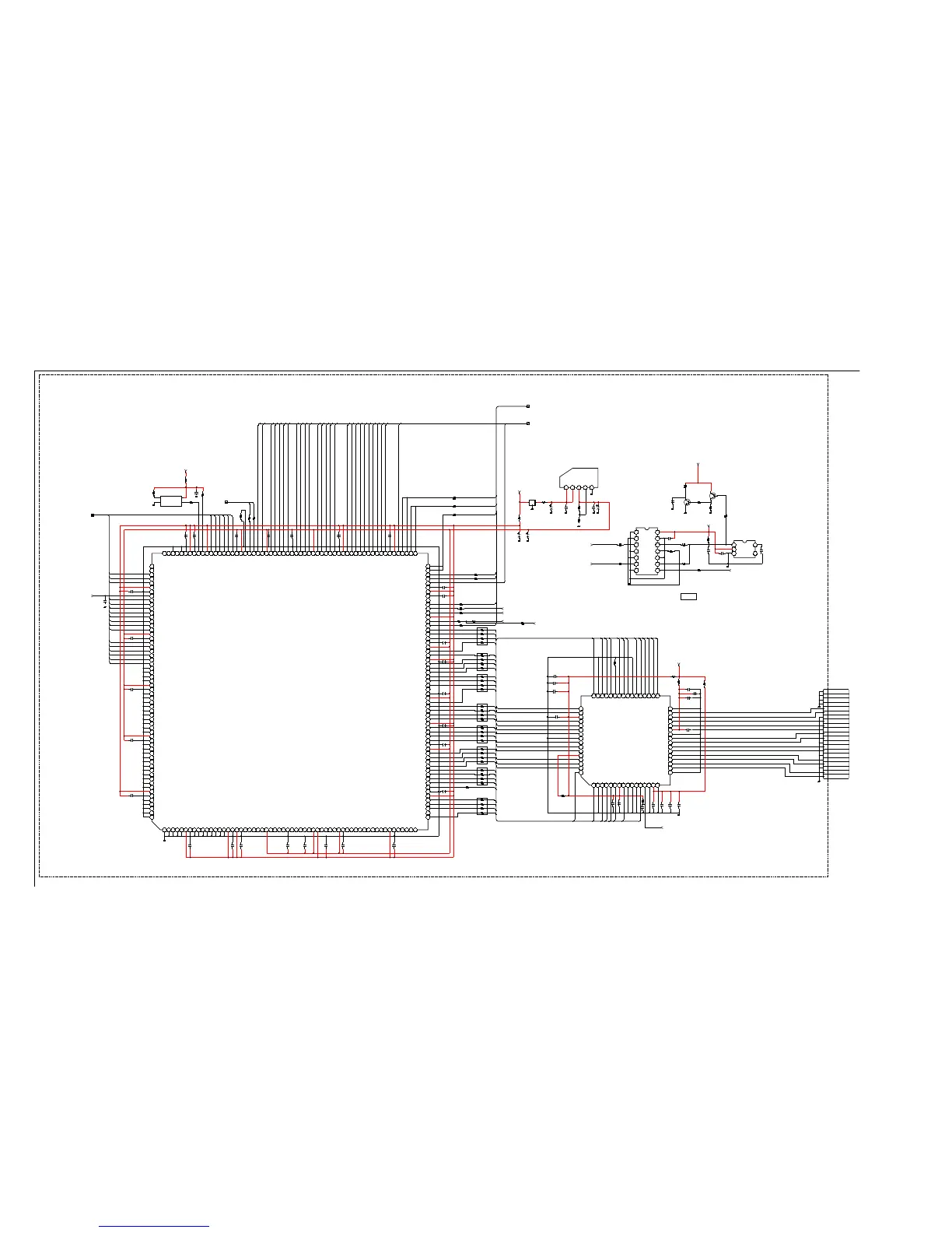
Due to the complexity of this board, performing component level field repairs is not recommended. If service is required, complete block assembly replacement is the preferred repair method.
1 | 2 | 3 | 4 | 5 | 6 | 7 | 8 | 9 | 10 | 11 | 12 | 13 | 14 | 15 | 16 | 17 | 18 | 19 | 20 | 21 | 22 | 23 | 24 | 25 | 26 | 27 | 28 |
A
B
C
D
E
F
G
H
I
J
K
L
M
N
O
P
B BOARD SCHEMATIC DIAGRAM (4 OF 11)
1608
16V
0. 1
B
C3508
12
1608
16V
0. 1
B
C3537
1 2
1608
16V
0. 1
B
C3547
1 2
1608
16V
0. 1
B
C3548
12
1608
16V
0. 1
B
C3552
12
1608
16V
0. 1
B
C3554
1 2
1608
16V
0. 1
B
C3555
12
1608
16V
0. 1
B
C3559
1 2
6.3V
47
C3530
1
2
6.3V
47
C3531
1
2
1608
50V
1000 p
B
C3541
12
1608
50V
1000 p
B
C3544
12
1608
50V
1000 p
B
C3549
12
1608
50V
1000 p
B
C3557
1 2
1608
50V
4700 p
B
C3569
12
1608
25V
0. 01
B
C3500
12
1608
25V
0. 01
B
C3501
12
1608
25V
0. 01
B
C3503
12
1608
25V
0. 01
B
C3504
12
1608
25V
0. 01
B
C3505
12
1608
25V
0. 01
B
C3506
1 2
1608
25V
0. 01
B
C3507
12
1608
25V
0. 01
B
C3509
1 2
1608
25V
0. 01
B
C3510
12
1608
25V
0. 01
B
C3511
1 2
1608
25V
0. 01
B
C3512
12
1608
25V
0. 01
B
C3513
12
1608
25V
0. 01
B
C3514
12
1608
25V
0. 01
B
C3515
1 2
1608
25V
0. 01
B
C3516
12
1608
25V
0. 01
B
C3517
12
1608
25V
0. 01
B
C3518
1 2
1608
25V
0. 01
B
C3519
12
1608
25V
0. 01
B
C3520
1 2
1608
25V
0. 01
B
C3521
12
1608
25V
0. 01
B
C3522
1 2
1608
25V
0. 01
B
C3523
1 2
1608
25V
0. 01
B
C3524
1 2
1608
25V
0. 01
B
C3525
1 2
1608
25V
0. 01
B
C3526
1 2
1608
25V
0. 01
B
C3527
1 2
1608
25V
0. 01
B
C3528
1 2
1608
25V
0. 01
B
C3529
1 2
1608
25V
0. 01
B
C3540
12
1608
25V
0. 01
B
C3545
12
1608
25V
0. 01
B
C3553
12
1608
25V
0. 01
B
C3558
1 2
1608
25V
0. 01
B
C3570
1
2
1608
25V
0. 01
B
C3572
12
1/10W
RN-CP
5%
22
R3501
1 2
1/10W
RN-CP
5%
22
R3507
1 2
1/10W RN-CP
5%
22
R3508
1 2
1/10W
RN-CP
5%
22
R3537
1 2
1/10W
RN-CP
5%
22
R3539
1 2
1/10W
RN-CP
5%
33
R3522
1 2
1/10W
RN-CP 5%4 7
R3517
1 2
1/10W
RN-CP
5%
47
R3518
1 2
1/10W
RN-CP 5%
47
R3519
1 2
1/10W
RN-CP 5%
47
R3521
1 2
1608
1/10W
RN-CP
5%
R3531
100
1 2
1/10W
RN-CP
5%
100
R3538
1 2
1608
1/10W
RN-CP
5%
R3542
100
1 2
1/10W
RN-CP
5%
1k
R3503
12
1/10W
RN-CP
5%
10k
R3500
1 2
1/10W
RN-CP
5%
10k
R3547
12
CHIP
0
R3506
12
CHIP
0
R3530
1 2
1608
CHIP
R3532
0
1 2
CHIP
0
R3535
1 2
CHIP
0
R3562
12
CHIP
0
R3563
12
CHIP
0
R3564
12
CHIP
0
R3566
1 2
CHIP
0
R3565
1 2
1/10W
RN-CP
0.5%
1k
R3559
1
2
1/10W
RN-CP
0.5%
1k
R3560
12
EMI
G
0uH
FL3500
1
2
3
33
RB3506
2
1
4
3
6
5
8
7
33
RB3507
2
1
4
3
6
5
8
7
33
RB3508
2
1
4
3
6
5
8
7
33
RB3509
2
1
4
3
6
5
8
7
33
RB3510
2
1
4
3
6
5
8
7
33
RB3511
2
1
4
3
6
5
8
7
33
RB3512
2
1
4
3
6
5
8
7
33
RB3513
2
1
4
3
6
5
8
7
10uH
L3502
1
2
1uH
L3504
1
2
10uH
L3500
1
2
10uH
L3506
1
2
10uH
L3507
1
2
10uH
L3509
1
2
CONT VDD
OUT
24MHz
X3500
1
2
3
4
5 4
321
PST3629NR
IC35 05
1
OUT
2
VDD
3
VSS
4
NC
5
CD
1 2 3 4 5 6 7 8 9 10 1 1 12 13 14 15 1 6 17 18 19 20 2 1 22 23 24 25 2 6 27 28 29 30 3 1 32 33 34 35 3 6 37 38 39 40 4 1 42 43 44 4 5 46 47 48 49 5 0 51 52 53 54 5 5 56 57 58 59 6 0
61
62
63
64
65
66
67
68
69
70
71
72
73
74
75
76
77
78
79
80
81
82
83
84
85
86
87
88
89
90
91
92
93
94
95
96
97
98
99
100
101
102
103
104
105
106
107
108
109
110
111
112
113
114
115
116
117
118
119
120
12112212312412512 612 712 81 291 301 3113213313413513613713813914014114214314414514614 714 814 91 501 511 5215315415515615715815916016116216316416516616 716 816 91 701 711 72173174175176177178179180
181
182
183
184
185
186
187
188
189
190
191
192
193
194
195
196
197
198
199
200
201
202
203
204
205
206
207
208
209
210
211
212
213
214
215
216
217
218
219
220
221
222
223
224
225
226
227
228
229
230
240
231
232
233
234
235
236
237
238
239
CXD9690Q
IC35 00
1
CRFIN9
2
CRFIN8
3
CRFIN7
4
CRFIN6
5
CLKF
6
VDDE
7
VSS
8
CRFIN5
9
CRFIN4
10
CRFIN3
11
CRFIN2
12
CRFIN1
13
CRFIN0
14
HFIN
15
VFIN
16
OVDD
17
OVSS
18
VDDE
19
VSS
20
YGOUT9
21
YGOUT8
22
YGOUT7
23
YGOUT6
24
YGOUT5
25
VDDI
26
YGOUT4
27
YGOUT3
28
YGOUT2
29
YGOUT1
30
VSS
31
YGOUT0
32
CBOUT9
33
CBOUT8
34
CBOUT7
35
CBOUT6
36
VDDI
37
OVDD
38
CBOUT5
39
CBOUT4
40
CBOUT3
41
CBOUT2
42
VDDI
43
VSS
44
CBOUT1
45
CBOUT0
46
CROUT9
47
CROUT8
48
CROUT7
49
CROUT6
50
CROUT5
51
CROUT4
52
CROUT3
53
CROUT2
54
VDDE
55
VSS
56
CLKO
57
CROUT1
58
CROUT0
59
HOUT
60
VOUT
61
GBRVOUT
62
GBRBLK
63
GBRHOUT
64
BOUT9
65
BOUT8
66
VDDE
67
VSS
68
GBRCLKO
69
BOUT7
70
BOUT6
71
BOUT5
72
BOUT4
73
BOUT3
74
BOUT2
75
BOUT1
76
BOUT0
77
VDDI
78
VSS
79
GOUT9
80
GOUT8
81
GOUT7
82
GOUT6
83
OVDD
84
GOUT5
85
GOUT4
86
GOUT3
87
GOUT2
88
GOUT1
89
VDDI
90
VSS
91
OSD2CLKO
92
GOUT0
93
ROUT9
94
ROUT8
95
ROUT7
96
ROUT6
97
ROUT5
98
OVDD
99
ROUT4
100
ROUT3
101
VDDI
102
VSS
103
ROUT2
104
ROUT1
105
ROUT0
106
OSD1VOUT
107
OSD1CLK0
108
OVDD
109
OSD2VOUT
110
OSD2HOUT
111
OSD1HOUT
112
CLP1OUT
113
OVSS
114
VDDE
115
VSS
116
OSD1HIN
117
YS2
118
YM2
119
OSD2BIN1
120
OSD2BIN0
121
OSD2GIN1
122
OSD2GIN0
123
OSD2RIN1
124
OSD2RIN0
125
OSD1BIN7
126
VDDE
127
VSS
128
OSD1CLK
129
OSD1BIN6
130
OSD1BIN5
131
OSD1BIN4
132
OSD1BIN3
133
OSD1BIN2
134
OSD1BIN1
135
OSD1BIN0
136
OSD1GIN7
137
OSD1GIN6
138
VDDE
139
VSS
140
OSD1GIN5
141
OSD1GIN4
142
OSD1GIN3
143
OSD1GIN2
144
OSD1GIN1
145
VDDI
146
OSD1GIN0
147
OSD1RIN7
148
OSD1RIN6
149
OSD1RIN5
150
VSS
151
OSD1RIN4
152
OSD1RIN3
153
OSD1RIN2
154
OSD1RIN1
155
OSD1RIN0
156
VDDI
157
YS1
158
YM1
159
SCL
160
SDA
161
SASEL
162
VDDI
163
VSS
164
HIN
165
VIN
166
YGIN9
167
YGIN8
168
YGIN7
169
YGIN6
170
OVDD
171
IN
172
BUS
173
OVSS
174
VDDE
175
VSS
176
VPD0
177
TCK
178
TRST
179
TMS
180
TDI
181
TD0
182
NC
183
YGIN5
184
YGIN4
185
YGIN3
186
VDDE
187
VSS
188
RST_X
189
YGIN2
190
YGIN1
191
YGIN0
192
CBIN9
193
CBIN8
194
CBIN7
195
CBIN6
196
CBIN5
197
VDDI
198
VSS
199
CLK
200
CBIN4
201
CBIN3
202
CBIN2
203
CBIN1
204
CBIN0
205
CRIN9
206
CRIN8
207
CRIN7
208
CRIN6
209
DDI
210
VSS
211
CRIN5
212
CRIN4
213
CRIN3
214
CRIN2
215
CRIN1
216
CRIN0
217
YGFIN9
218
YGFIN8
219
YGFIN7
220
YGFIN6
221
VDDI
222
VSS
223
YGFIN5
224
YGFIN4
225
YGFIN3
226
YGFIN2
227
YGFIN1
228
YGFIN0
229
CBFIN9
230
CBFIN8
231
CBFIN7
232
CBFIN6
233
CBFIN5
234
VDDE
235
VSS
236
CBFIN4
237
CBFIN3
238
CBFIN2
239
CBFIN1
240
CBFIN0
1 2 3 4 5 6 7 8 9 10 1 1 12 13 14 15 1 6
17
18
19
20
21
22
29
28
27
26
25
24
23
30
31
32
33343 53637383 940414 24344454 64748
49
50
51
52
53
54
55
56
57
58
59
60
61
62
63
64
THC63LVD103
IC35 02
1
TD5
2
GND
3
TD6
4
TE0
5
TE1
6
TE2
7
VCC
8
TE3
9
TE4
10
GND
11
TE5
12
CLKIN
13
PD
14
PGND
15
PVCC
16
TE6
17
LGND
18
TE+
19
TE-
20
TD+
21
TD-
22
TCLK+
23
TCLK-
24
TC+
25
TC-
26
LGND
27
LVCC
28
TB+
29
TB-
30
TA+
31
TA-
32
LGND
33
TA0
34
TA1
35
TA2
36
TA3
37
TA4
38
TA5
39
GND
40
TA6
41
TB0
42
TB1
43
RS
44
TB2
45
TB3
46
TB4
47
GND
48
TB5
49
TB6
50
TC0
51
VCC
52
TC1
53
TC2
54
TC3
55
TC4
56
GND
57
TC5
58
TC6
59
TD0
60
R/F
61
TD1
62
TD2
63
TD3
64
TD4
1 2 3 4 5
PQ070XZ01ZPH
IC35 06
1
2
3
4 5
14 13 12 11 1 0 9 8
7654321
TC74LVX125FT(EL)
IC35 03
1
1G
2
1A
3
1Y
4
2G
5
2A
6
2Y
7
GND
8
3Y
9
3A
10
3G
11
4Y
12
4A
13
4G
14
VCC
1608
25V
0. 01
B
C3502
12
DCP_VS_OUT
DCP_HS_OUT
D3.3V
DCP_RST
I2C-TV0
D3.3V
HELIOS_RST
DCP_RST
D3.3V
LVDS1_PD
1/10W
RN-CP
5%
100k
R3544
12
D3.3V
1
2
3
4
5
6
7
8
9
10
11
12
13
14
15
16
17
18
19
20
21
BLK
21P
CN3500
TE+
TE-
DRAIN(GND)
TD+
TD-
DRAIN(GND)
TCLK+
TCLK-
DRAIN(GND)
TC+
TC-
DRAIN(GND)
TB+
TB-
DRAIN(GND)
TA+
TA-
GND
GND
GND
GND
LVDS1_PD
HELIOS_DCP
ATI_GRAPHICS
SAIPH_OSD
DCP_CLK_TO_SW
2012
6.3V
10
B
C3538
1 2
2012
6.3V
10
B
C3556
12
2012
6.3V
10
B
C3560
1 2
6.3V
100
C3571
1
2
6.3V
100
C3573
1
2
DCP_CLK_TO_SAIPH
1/16W
47
R3525
1/16W CHIP
5%
47
R3516
1 2
1/10W
RN-CP
5%
1k
R3632
1/10W
RN-CP
5%
1k
R3652
1/10W
RN-CP
5%
1k
R3634
2SA1235TP-1 EF
Q3500
2SC3052E F-T1-LEF
Q3501
1608
25V
0. 01
B
C3546
D3.3V
47
R3534
1608
1/10W
RN-CP
5%
R3653
1k
S-YM
S-YS
DSP_VS
R0
R1
R2
R3
R4
R5
R6
R7
R8
R9
G0
G1
G2
G3
G4
G5
G6
G7
G8
G9
B0
B1
B2
B3
B4
B5
B6
B7
CLK
B8
B9
HS
VS
DSP_HS
D-HS
D-VS
D-Y9
D-Y8
D-Y7
D-Y6
D-C0
D-C1
D-C2
D-C3
D-Y3
D-Y4
D-Y5
D-C4
D-C5
D-C6
D-C7
D-C8
D-C9
D-Y0
D-Y1
D-Y2
D-CLK
SDA-TV0
SCL-TV0
A-YM
A-YS
A-R4
A-R3
A-R2
A-R1
A-G1
A-G7
A-G6
A-G5
A-B4
A-B3
A-B2
A-B1
A-B7
A-B6
A-B5
A-R0
G3
G4
G5
G6
G7
G8
G9
B0
B1
B2
B3
B4
CLK
VS
HS
B9
B8
B7
B6
R0
R1
R2
R3
R4
R5
R6
R7
R8
R9
G0
G1
G2
B5
A-B0
A-CLK
S-R2
S-B2
S-G2
A-HS
A-G2
A-G3
A-G4
A-G0
A-R7
A-R5
A-R6
DCP
LVDS
TRANSMITTER
2.5V-REG
RESET
TOC BOARD
DCP/LVDS
B 4/11
9-88 3-709- 01<LA4> B-4
CN9001
BUFFER
RESET

Table of Contents

Related product manuals