EasyManua.ls Logo

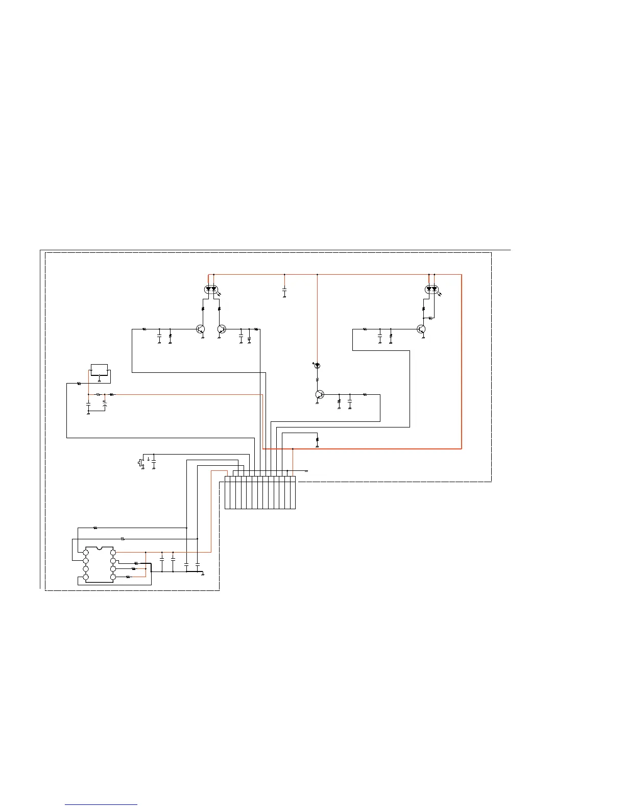
Sony KDF-46E2000 - HB Board Schematic Diagram

Sony KDF-46E2000
139 pages
Print Icon
To Next Page IconTo Next Page
To Next Page IconTo Next Page
To Previous Page IconTo Previous Page
To Previous Page IconTo Previous Page
Loading...
76
KDF-46E2000/46E2010/50E2000/50E2010/55E2000/55E2010
KDF-46E2000/46E2010/50E2000/50E2010/55E2000/55E2010
HB BOARD SCHEMATIC DIAGRAM
1 | 2 | 3 | 4 | 5 | 6 | 7 | 8 | 9 | 10 | 11 | 12 | 13
A
B
C
D
E
F
G
H
I
2SC3052EF-T1-LEF
Q110
2SC3052EF-T1-LEF
Q111
2SC3052EF-T1-LEF
Q112
2SC3052EF-T1-LEF
Q113
G
R
SML-020MVT-T86
D113
SML-310LTT86
D114
G
R
SML-020MVT-T86
D115
R110
1.5k
1/10W
RN-CP
C111
10
50V
VCC
GND
OUT
GP1UE26SXKOF
IC111
CHIP
0
R114
C110
0.1
25V
F
1608
C113
0.01
50V
F
1608
C112
0.01
50V
F
1608
C118
0.01
50V
F
1608
C120
0.01
50V
F
1608
C121
0.01
50V
F
1608
C115
1608
10V
1
B
C117
1608
50V
10p
CH
C116
1608
50V
10p
CH
C114
1608
25V
0.1
F
R113
47
1/10W
5%
RN-CP
R122
10k
1/10W
5%
RN-CP
R123
10k
1/10W
5%
RN-CP
R124
220
1/10W
5%
RN-CP
R125
220
1/10W
5%
RN-CP
R127
10k
1/10W
5%
RN-CP
R126
10k
1/10W
5%
RN-CP
R128
220
1/10W
5%
RN-CP
R130
10k
1/10W
5%
RN-CP
R131
10k
1/10W
5%
RN-CP
R132
10k
1/10W
5%
RN-CP
R129
10k
1/10W
5%
RN-CP
R119
CHIP
0
1/10W
RN-CP
5%
22
R112
1/10W
RN-CP
5%
22
R115
C119
0.1
25V
F
1608
1
2
3
4
5
6
7
8
9
10
11
12
13
13P
CN110
5V
GND
SDA
SCL
P_ON
SIRCS
POW_LED
STBY_LED
LAMP_LED
TIMER_LED
NC
GND
STBY+3.3V
R133
470
1/10W
0.5%
RN-CP
CHIP
0
R138
1/10W
RN-CP
0.5%
470
R137
S110
8
765
4321
LM75BIM-5/NOPB
IC110
R117
10k
R118
10k
HB
STBY_RED POWER_GREEN
TIMER (RED + GREEN)
SIRCS/P-ON
9-883-709-01<LA4>HB
CN3008
TO B BOARD

Table of Contents

Related product manuals