EasyManua.ls Logo

Sony LBT-A57CD - Page 83

Sony LBT-A57CD
92 pages
Print Icon
To Next Page IconTo Next Page
To Next Page IconTo Next Page
To Previous Page IconTo Previous Page
To Previous Page IconTo Previous Page
Loading...
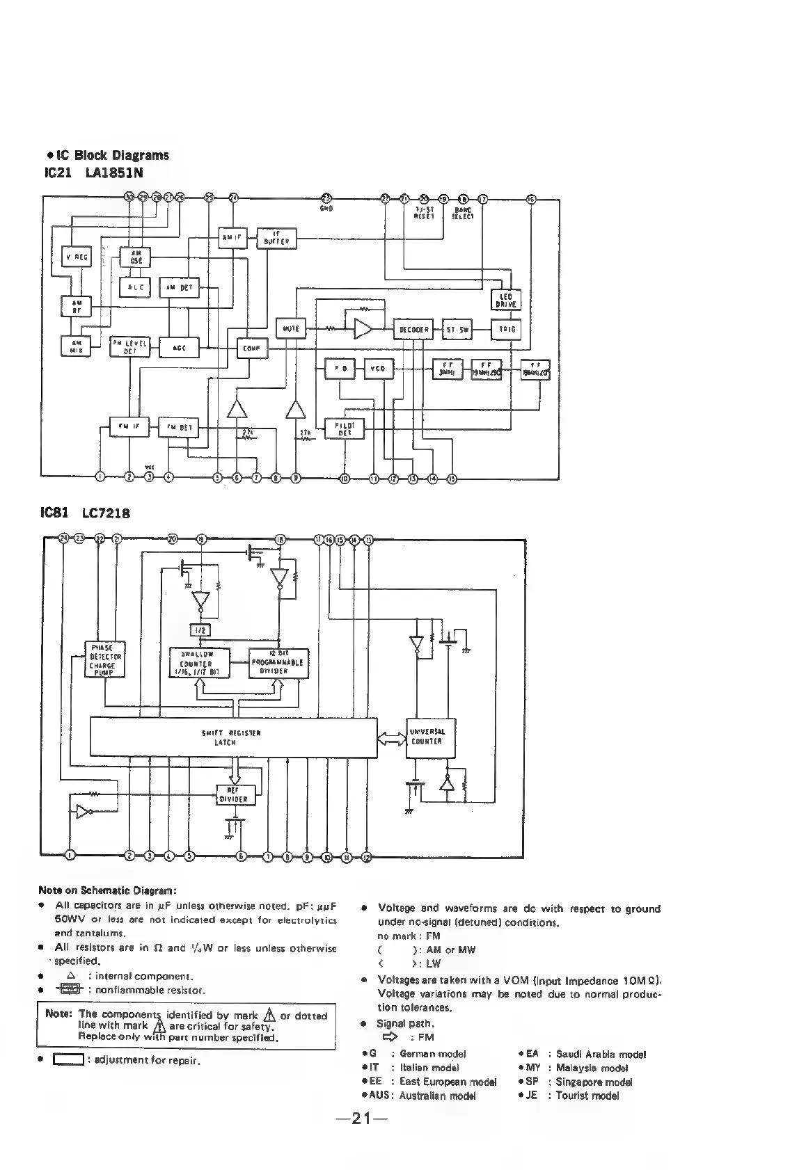
IC
Block
Diagrams
1C21
LA1851N
ono
7
vere]
|
qf
at
H
aie]
[ow
cer
"
F
ww
iB
[a8
se
cour
Hore
H
veo
reat
Lag
|
ae
FA
tug
vee
DOO
DOD
PHASE
‘SWALLOW
aT
DETECTOR
CHARGE
counrer
PROGRAMMABLE
PUMP.
ig,
WAT
BIT
DIVIDER
SHIFT
REGISTER
tatew
REF
DIVIDER
Note
on
Schematic
Diagram:
All
capacitors
are
in
uF
unless
otherwise
noted.
pF:
yuF
SOWV
or
less
are
not
indicated
except
for
electrolytics
and
tantalums,
©
All
resistors
are
in
@
and
'/:W
or
less
unless
otherwise
specified.
7
A
.
&
Note:
The
components
identified
by
mark
/\
or
dotted
ine
with
mark
A\
are
critical
for
safety.
Replace
only
with
part
number
specified.
internal
component.
nonflammable
resistor.
©
[771
adjustment
for
repair,
UNIVERSAL
counter
©
Voltage
and
waveforms
are
de
with
respect
to
ground
under
no-ignal
(detuned)
conditions,
no
mark
:
FM
(
M
or
MW
<
>:
LW
Voltages
are
taken
with
a
VOM
(Input
Impedance
10M@).
Voltage
variations
may
be
noted
due
to
normal
produc-
tion
tolerances.
©
Signal
path.
>
:FM
©G
:
German
model
EA
:
Saudi
Arabia
model
elT
:
Italian
model
*MY
:
Malaysia
model
EE
:
East
European
model
©
SP_
:
Singapore
model
AUS:
Australian
model
°JE
:
Tourist
model
=94=

Related product manuals