EasyManua.ls Logo

Sony LDI-D100B - Page 59

Sony LDI-D100B
133 pages
Print Icon
To Next Page IconTo Next Page
To Next Page IconTo Next Page
To Previous Page IconTo Previous Page
To Previous Page IconTo Previous Page
Loading...
5-10
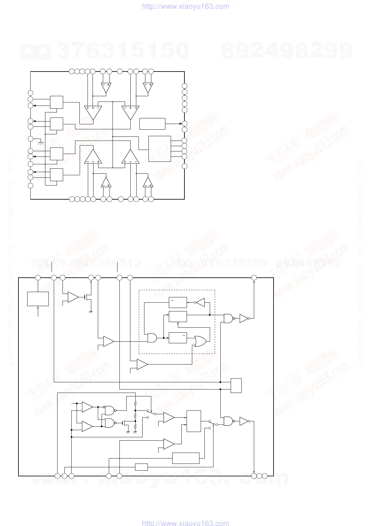
IC701 MB3785APFV-G-BND-ER
IC703 MAX863EEE-TG068
CB 4
VE 4
OUT 3
VE 3
VE 2
OUT 2
OUT 1
VE 1
GND
V
CC
2
OUT 4
CB 1
40
42
43
44
48
3
37
38
39
41
RE
D
RE
C
45
46
47
RE
B
RE
A
36 35 34 33 32 31 30 29 28 27 26 25
CA 4
CB 3
CA 3
DTC 4
FB 4
–IN 4 (E)
+IN 4 (E)
–IN 3 (E)
+IN 3 (E)
DTC 3
FB 3
–IN 4 (C)
D
C
24
23
4 521
SAW
OSC
CT
RT
XTAL
XTAL
–IN 2 (C)
V
CC
1
VOLTAGE
REFERENCE
+2.5V
22
21
20
–IN 3 (C)
SCP
CTL 3
CTL 2
CTL 1
VREF
CT
RT
OSCO
OSCI
19
18
17
16
15
14
13
BA
6 7 8 9
10
11 12
–IN 1 (C)
CA 2
DTC 1
FB 1
DTC 2
FB 2
–IN 2 (E)
+IN 2 (E)
–IN 1 (E)
+IN 1 (E)
CB 2
CA 1
A
B
C
D
1 2 3 4
SENSE1
FB1
VDD
BOOT
LBI
LBO
FB2
CS2
EXT2
REF
16 15 14 13
5 6 7 8
9101112
GND
PGND
S
Q
R
TIMING
BLOCK
LOW VOLTAGE
OSCILLATOR
REFERENCE
VOLTAGE
(+1.25V)
BIAS
UVLO
CS1
EXT1
SHDN2
SHDN1
Q
TRIG
MAX. ON-TIME ONE SHOT
TIMING BLOCK
Q
TRIG
MIN. ON-TIME
ONE SHOT
REF
100mV
100mV
VDD
ERROR
COMPARATOR
CURRENT SENSE
COMPARATOR
+
100mV
CURRENT SENSE
COMPARATOR
+
+
REF
+
ERROR
COMPARATOR
REF
+
+
+
w
w
w
.
x
i
a
o
y
u
1
6
3
.
c
o
m
Q
Q
3
7
6
3
1
5
1
5
0
9
9
2
8
9
4
2
9
8
T
E
L
1
3
9
4
2
2
9
6
5
1
3
9
9
2
8
9
4
2
9
8
0
5
1
5
1
3
6
7
3
Q
Q
TEL 13942296513 QQ 376315150 892498299
TEL 13942296513 QQ 376315150 892498299
http://www.xiaoyu163.com
http://www.xiaoyu163.com

Related product manuals