EasyManua.ls Logo

Sony MDS-SD1 - IC Block Diagrams

Sony MDS-SD1
64 pages
Print Icon
To Next Page IconTo Next Page
To Next Page IconTo Next Page
To Previous Page IconTo Previous Page
To Previous Page IconTo Previous Page
Loading...
– 61 –
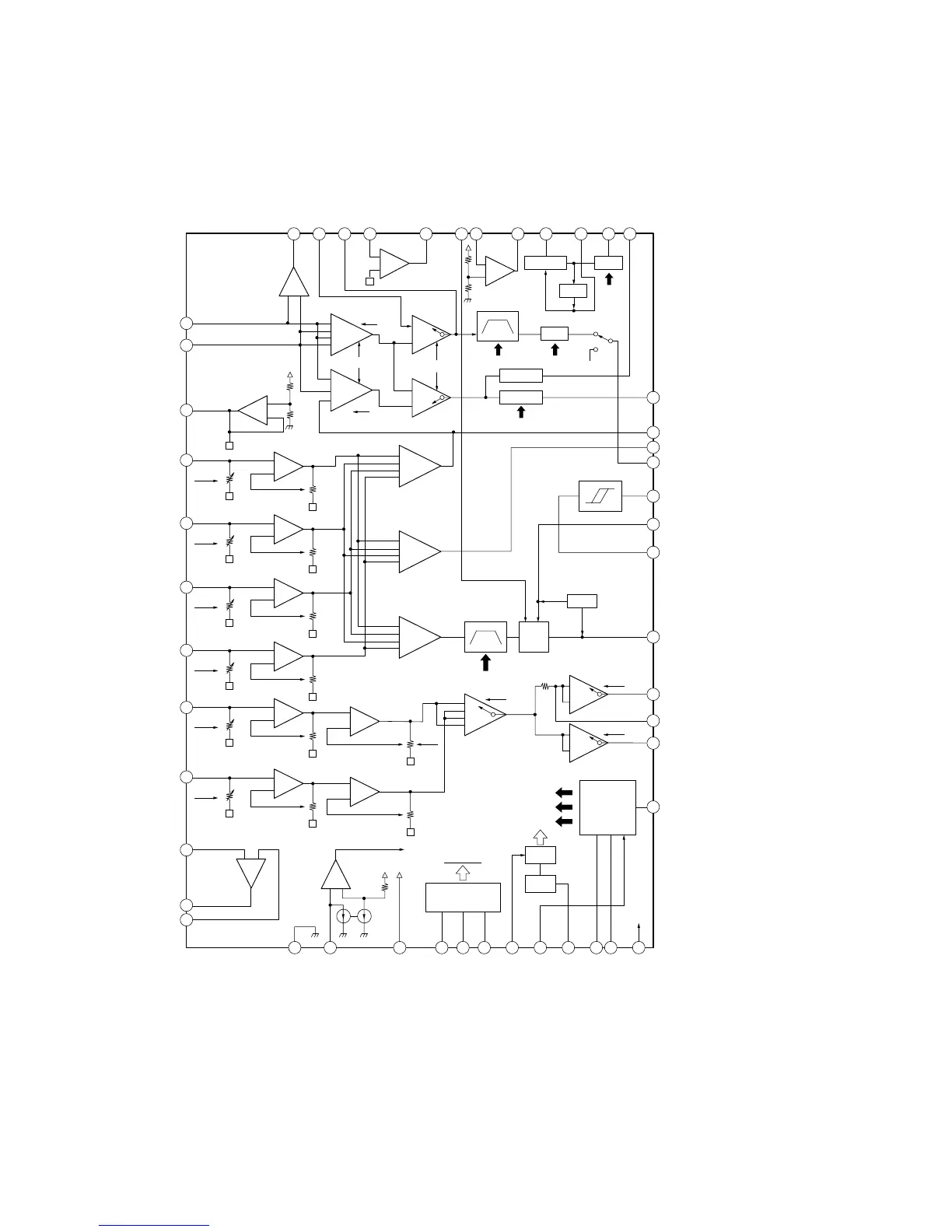
6-17. IC BLOCK DIAGRAMS
– BD Section –
IC101 CXA2523AR
–1
–2
+
IVR
BB
+
IVR
AA
+
IVR
CC
+
IVR
DD
+
IVR
+
EE
EE'
EFB TESW
PTGR
48
MORFO
47
MORFI
46
RFO
45
OPN
44
OPO
43
ADDC
42
COMPP
41
COMPO
40
AGCI
39
RF AGC
38
RF
37
PEAK
36
BOTM
35
ABCD
34
FE
33
AUX
32 ADFG
31 ADAGC
30 ADIN
29 ADFM
28 SE
27 CSLED
26 TE
25 WBLADJ
24
VCC
23
3TADJ
22
EQADJ
21
VREF
20
F0CNT
19
XSTBY
18
XLAT
17
SCLK
16
SWDT
15
TEMPR
14
TEMPI
13
GND
12APCREF
11APC
10PD
9F
8E
7D
6C
5B
4A
3VC
VI CONV
BGR
VREF
SCRI - PARA
DECODE
+
+
AUXSW
COMMAND
+
IVR
GSW IV
+
FF
FBAL
FF'
TG
SEA
+
+
–1
–2
TG
TEA
WBL
3T
EQ
+
+
+
+
+
+
+
+
DET
ADIP
AGC
WBL
BPF22
BPFC
ABCDA
FEA
WBL
ATA
+
CVB
+
RFA1
1
2
1
2
GRVA
CFST
RFA2
GRV
HLPT
PTGR
–2
–1
–1
–2
BOTTOM
PEAK
RF AGC EQ
EQ
DET
P-P
WBL
3T WBL
TEMP
PBH
+
USROP
+
USRC
3T
BPF3T
PEAK3T
1I
2J

Related product manuals