EasyManua.ls Logo

Sony NAS-E35HD - Page 61

Sony NAS-E35HD
100 pages
Print Icon
To Next Page IconTo Next Page
To Next Page IconTo Next Page
To Previous Page IconTo Previous Page
To Previous Page IconTo Previous Page
Loading...
NAS-E35HD/SS-CE35HD
61
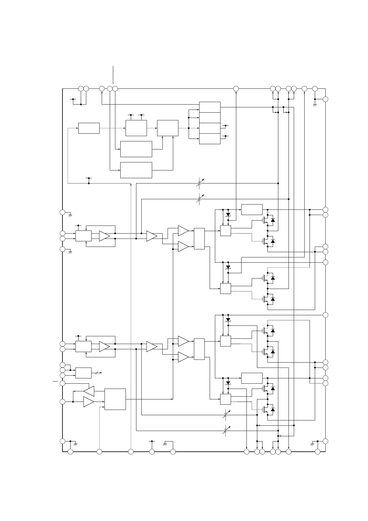
– D-AMP Board –
IC352 TPA3100D2PHPR
RINN 2
RINP
3
GND
AVCC
1
48
AVCC
47
SHUTDOWN
44
MUTE
45
FAULT
46
VCLAMPL
30
GND
25
PVCCL
26
AGND
4
GND
GND
12
13
ROSC
14
VREG
15
AGND
17
GND
24
PVCCL
27
PGNDL
PGNDL
29
28
VBYP
16
+
+
+
+
GAIN
CONTROL
PWM
LOGIC
STARTUP
PROTECTION
LOGIC
BIASES
&
REFERENCE
VCCOK
VREGOK
THERMAL
SC DETECT
TLL INPUT
BUFFER
(VCC COMPLIANT)
TLL INPUT
BUFFER
(VCC COMPLIANT)
BSRP
43
ROUTP
41
+
+
LINP
5
LINN
6
+
+
+
+
GAIN
CONTROL
PWM
LOGIC
GATE
DRIVE
GAIN0
8
GAIN1
9
GAIN0
7
MSTR/SLV
10
SYNC
11
GAIN
CONTROL
TO GAIN
ADJUSTMENT
BLOCKS &
STARTUP LOGIC
RAMP
GENERATOR
GATE
DRIVE
+
+
8
AVCC
VREG
VBYP AVCC
VBYP
VBYP
VREG
AVCC
BSLP
18
LOUTP
19
LOUTP
20
VBYP
4V
REGULATOR
VCLAMP
GENERATOR
LOUTN
22
BSLN
23
LOUTN
21
GND
36
VCLAMPR
31
PGNDR
PGNDR
33
32
PVCCR
PVCCR
35
34
GATE
DRIVE
GATE
DRIVE
ROUTP
42
ROUTN
40
BSRN
38
GND
37
ROUTN
39
VCLAMP
GENERATOR
GAIN
GAIN
GAIN
GAIN

Table of Contents

Related product manuals