EasyManua.ls Logo

Sony PVM-9L1 - 6 Block Diagrams

Sony PVM-9L1
56 pages
Print Icon
To Next Page IconTo Next Page
To Next Page IconTo Next Page
To Previous Page IconTo Previous Page
To Previous Page IconTo Previous Page
Loading...
6-1
PVM-9L1
6-1
A (1/2), CA (1/2), C
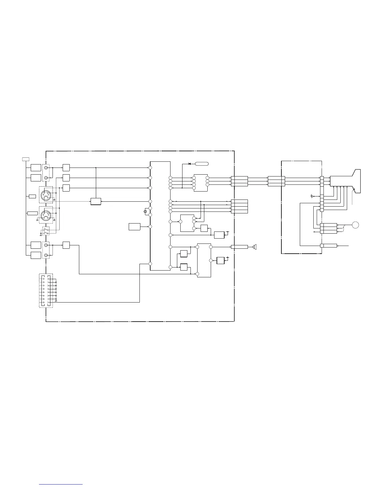
Section 6
Block Diagrams
LINE A
BUFF
Q202
Y/C IN
CN202
Y/C OUT
CN203
Y2
28
CVBS1
32
56
R OUT
C2
27
71
SCL
78
CS
64
XOUT
X001
63
XIN
A
(1/2)
SIGNAL I/O
Y/C JUNGLE
AUDIO AMP
72
SDA
75
AGING
CTBS1
IN
J201
CTBS1
OUT
BUFF
Q201
BUFF
Q203
MUTE
Q221,222
J202
AUDIO
IN
AUDIO
OUT
BUFF
Q206
CN201
LINE A/S
70
PR 16:9
80
V PULSE
57
G OUT
58B OUT
55IK
EEPROM
6
IC004
5
7
FUNCTION
KEY
RESET
IC003
77
NVM WP
65
RESET
8
+3.3V
REG
Q3502
+15V
2
KEY
S001-004
74AUDIO VOL
5AUDIO MUTE
MUTE
Q3501
IN
1
8OUT
9VCC
IC3501
AUDIO AMP
MUTE
Q3503
VOL4
RESET
Q001
CN301
R OUT
B OUT
G OUT
5
3
1
CN001
SDA
BINT
SCL
AGING
3
2
4
5
CN3501
AUDIO OUT
3
R OUT
CN701
7
6
9
(FBT)
(FBT)
V901
PICTURE TUBE
G2
HV
5
3
4
RV701
G1
GV
H1
H2
GV
5
H2
4
H1
CN703
CN704
1G2
1 120V
H2
H1
G1
C
(RGB OUT)
J701
A
5
G OUT
3
B OUT
1
KR
KG
KB
2
8
G2
A(2/2)BOARD
CN502
IC001(1/2)
Y/C JUNGLE
()
7
RO
IC101
RGB AMP
R IN
3
G IN
2
B IN
1
IK
5
8
GO
9
BO

Other manuals for Sony PVM-9L1

Related product manuals