EasyManua.ls Logo

Sony PVM-9L1 - A (2;2), G, Dy

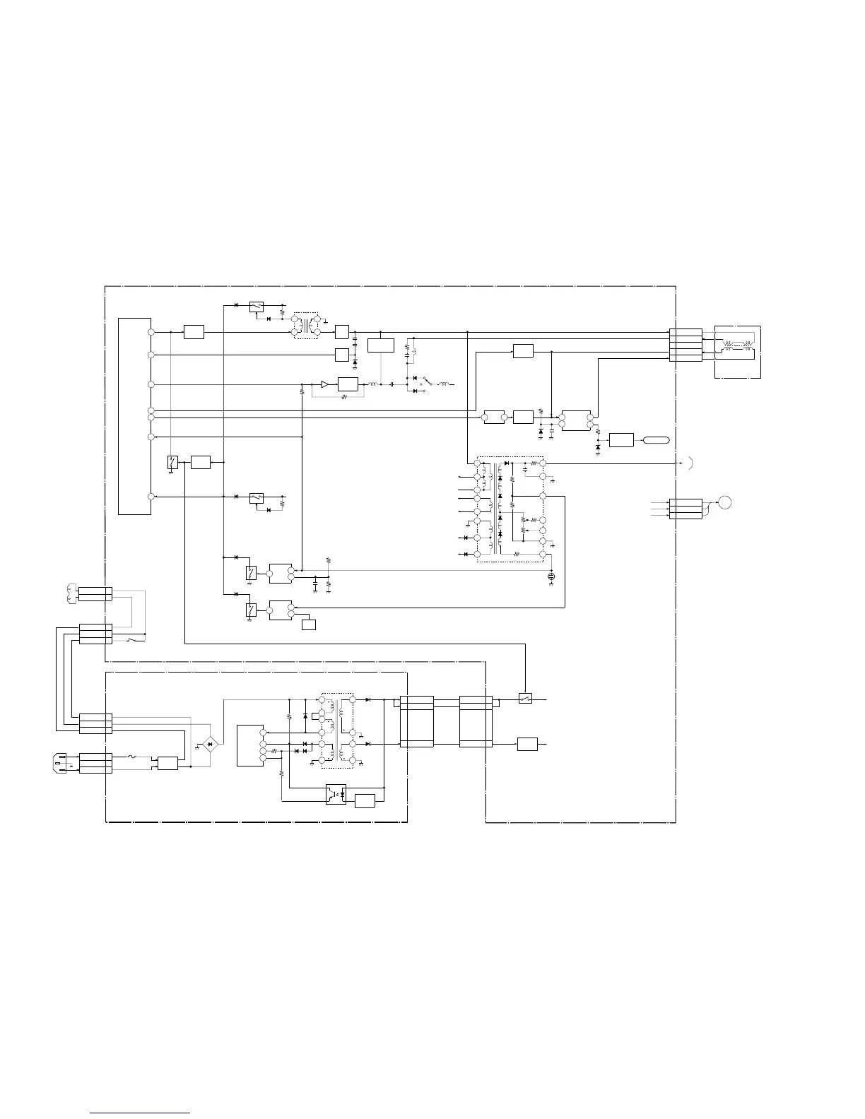
Sony PVM-9L1
56 pages
Print Icon
To Next Page IconTo Next Page
To Next Page IconTo Next Page
To Previous Page IconTo Previous Page
To Previous Page IconTo Previous Page
Loading...
6-2
PVM-9L1
6-2
A (2/2), G, DYA (2/2), G, DY
2
3
1
HV
FV
13
T501 FBT
4
10
SV
C BOARD
PICTURE TUBE
HV
IC001(2/2)
µCOM
24
H OUT
23FBSIO
17
EWD
H OUT
Q501
BUFF
Q558
-VIN
1
IC551
V OUT
+VIN
7
5OUT
1
H (+)
CN801
2
H (-)
3
V (-)
4
V (+)
DY
IC651
H DRIVE
Q502
Q503
LATCH
Q561,562
+8V
REG
IC501
31
IC552
PIN AMP
6
4
1
3
T502
HDT
+B
DUMPER
D504,505,518
ERROR
AMP
PIN OUT
Q565
A
G
(2/2)
µCOM,DY
REG
L507
+B
S501
L551
18
VD-
79
V CENTER
V PULSE
3OUT
9
8
7
5
+120V
+B
H1
H2
+15V
+24V
11
12
NL501
26EHDT OCP
54
ABL
Q559,560
LIVE
1
NEUTRAL
2
CN601
5
L-OUT
L-IN
NEUTRAL
1
3
CN602
5
L-OUT
L-IN
NEUTRAL
1
3
CN101
CN102
LINE
FILTER
2
1
5
6
6
9
T601
SRT
1DG-1
7
5
6
3
DG-2
3
4
12
S101
T603
F601
D601
AC RECT
VCC 4
3
D
1
OCP/FB
IC601
REG OSC
PH601
+B FEEDBACK
2S
10
D619
D618
CN802
H1
4
5
120V
1
H2
H1
120V
H2
CN604
40V
2
40V
1
10V
6
A
C BOARD
CN703
()
+24V
V BUFF
Q554
V BLK BUFF
Q564
V
AMP
IC553
V CENT
Q551-553
CN1502
40V
2
40V
1
10V
6
31
+8V
COMP
IC301(1/2)
Q301
D301
D507
Q101
+B
D102
D101
2
3
1
COMP
REF V
IC301(2/2)
IC302
Q302
D302
Q102,103
+B PROTECTOR
+B
+8V

Other manuals for Sony PVM-9L1

Related product manuals