EasyManua.ls Logo

Sony RMT-D142P - Block Diagrams; Overall Block Diagram

Sony RMT-D142P
108 pages
Print Icon
To Next Page IconTo Next Page
To Next Page IconTo Next Page
To Previous Page IconTo Previous Page
To Previous Page IconTo Previous Page
Loading...
DVP-NS305/NS310/NS315/NS405/NS410/NS415
SECTION 3
BLOCK DIAGRAMS
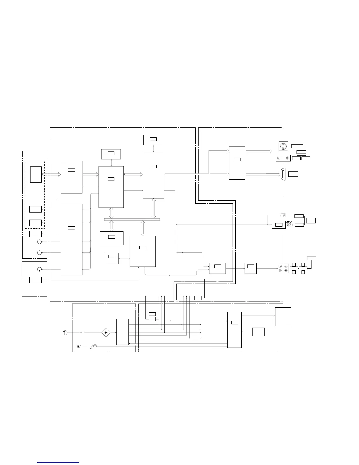
3-1. OVERALL BLOCK DIAGRAM
3-1 3-2
IC201
IC301
IC403
IC303
IC101
IC601
IC404
IC404
IC102
J104 (1/2)
J101 (2/2)
J103
CN103
IC202
BASE UNIT
KHM-270AAA/J1RP
MS-81 BOARD
(SEE PAGE 4-17)
MB-103 BOARD
(SEE PAGE 4-15 to 4-28)
AV-61 BOARD
(SEE PAGE 4-31 to 4-34)
IF-89 BOARD
(SEE PAGE 4-9)
OPTICAL DEVICE
DVD/CD
PD IC
RF
DVD/CD RF AMP,
DIGITAL SERVO
RF+
ARP,
SERVO DSP
FOCUS
COIL
TRACKING
COIL
FOCUS/TRACKING
COIL DRIVE,
SPINDLE/SLED/
LOADING
MOTOR DRIVE
MM
MM
MM
SPINDLE
MOTOR
SLED
MOTOR
M001
LOADING
MOTOR
FUNCTION
KEY
ND401
FLUORESCENT
INDICATOR TUBE
IF COM
P CON
POWER
SERIAL BUS
EEPROM
PARALLEL BUS
CDDOUT, CDDATA,
CDBCK, CDLRCK
SDI 0 – 7
AV DECODER
SPDIF, ACH12,
ACH34, ACH56,
BCK, LRCK
16M DRAM
16M SDRAM
V, Y, C
Y, Cb, Cr
VIDEO
BUFFER
SPDIF
IC204
AUDIO
D/A CONVERTER
IC201
AUDIO
AMP
EVER+3.3V
+11V
+5V
SW+3.3V
+1.8V
SW+3.3V
+5V
SW+11V
EVER–13V
INLIMIT
SENSOR
CHUCK/TRAY
DETECT
SWITCHING REGULATOR
(SRV1246JUC)
(SEE PAGE 4-37)
SWITCHING
REG
AC IN
16
LINE OUT
VIDEO 1VIDEO 2
S VIDEO OUT
L
R
LINE OUT
AUDIO 2
L
R
AUDIO 1
OPTICAL
DIGITAL
OUT
COAXIAL
J201
D101-104
F101
2A
100V 50/60Hz
AI+5V
EVER+3.3V
AU+11V
SW–13V
REG
IC104
IC403
SYSTEM
CONTROL
S001
D1 VIDEO
OUT
AU+5V
REG
IC106
FLASH
MEMORY
SW801
POWER

Table of Contents

Related product manuals