EasyManua.ls Logo

Sony RMT-D142P - Video Out)

Sony RMT-D142P
108 pages
Print Icon
To Next Page IconTo Next Page
To Next Page IconTo Next Page
To Previous Page IconTo Previous Page
To Previous Page IconTo Previous Page
Loading...
DVP-NS305/NS310/NS315/NS405/NS410/NS415
4-33 4-34
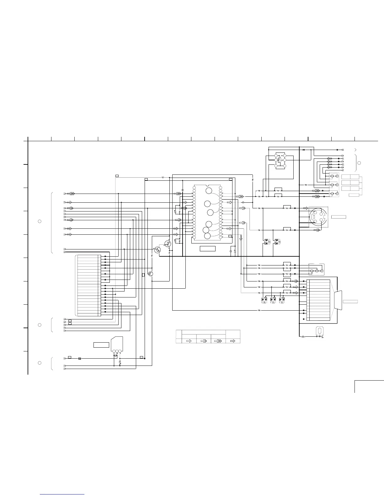
VIDEO OUT
AV-61 (2/2)
For Schematic Diagram
• Refer to page 4-29 for printed wiring board.
• Refer to page 4-6 for waveforms.
JL115
UN2111-TX
Q105
WIDE
JL109
JL106
R148
68
LCH_OUT2
D103
HZM6.8ZWA1TL
RCH_OUT2
1
7
8
14
CN103
14P
Y
1
D_GND_VIDEO
2
Cb
3
D_GND_VIDEO
4
Cr
5
D_GND_VIDEO
6
N.C.
7
LINE1
8
LINE2
9
N.C.
10
LINE3
11
SW_GND
12
N.C.
13
SW
14
JL113
JL120
JL131
R122
XX
Y
C
GG
J103
JL105
R150
68
XX
C115
D102
HZM6.8ZWA1TL
0.047u
B
C109
JL117
JL133
J104
JL126
ET101
XX
JL121
VMUTE
R146
68
68
R133
CN102
21P
1RGBSEL
2ERAUDIOL
3EUROVY
4P_GND_AUDIO
5ERAUDIOR
6+11V
7DISCEXT
8+5V
9WIDE
10VMUTE
11cR/B
12D_GND_VIDEO
13Cb/R
14D_GND_VIDEO
15Y/G
16D_GND_VIDEO
17Y
18D_GND_VIDEO
19C
20-5V
21V
R127
XX
JL103
CR/B
JL134
ERAUDIOL
68
R134
Q106
XX
JL116
C
D104
HZM6.8ZWA1TL
JL118
ERAUDIOR
Y/G
CB/R
JL129
JL104
R154
0
JL122
Y
P_GND
XX
D101
68
R130
JL119
100uH
L101
JL111
LCH_OUT
JL128
JL107
RCH_OUT
0
R286
JL130
R128
XX
D_GND_VIDEO
SW_-13V
D_GND_VIDEO
JL101
JL127
EUROVY
10k
R121
R126
XX
JL102
R152
10k
V
P_GND
JL124
JL125
0.1u
B
C112
JL137
JL123
JL110
HZM6.8ZWA1TL
D105
10k
R129
JL136
AU+11V
0.01u
B
C101
XX
R124
SW_-13V
0.1u
B
C114
JL112
IC102 LA73050-TLM
NC
1
NC
2
VIDEO_IN
3
DCCNT1
4
GND
5
C_IN
6
MUTE1
7
Y_IN
8
NC(DCCNT2)
9
NC(GND)
10
NC
11
Y_IN(NC)
12
DCCNT2
13
GND
14
Cb_IN
15
MUTE2
16
Cr_IN
17
-5V
18
-5V
19
CB_OUT
22
GND
23
Y_OUT
24
+5V(NC)
25
NC
26
-5V
27
-5V
28
Y_OUT
29
NC
30
C_OUT
31
GND
32
VIDEO_OUT
33
+5V
34
NC
35
NC
36
NC
21
Cr_OUT
20
HZM6.8ZWA1TL
D106
DISCEXT
RGBSEL
D_GND_VIDEO
JL114
UN2213-TX
Q104
XX
R123
JL132
JL108
33
R153
XX
R141
XX
R142
XX
R144
XX
R143
XXR145
XX
R147
XX
R149
XX
R151
XX
R155
16V
47u
C110
16V
47u
C111
16V
47u
C113
16V
47u
C102
XX
R140
RY102
XX
1
2
3
4
5
6
68
R131
NJM79M05DL1A(TE2)
IC103
1
GND
2
IN
3
OUT
J102
XX
AI+5V
1
A
D_GND_VIDEO
AUDIO
AUDIO
WIDE SWITCH
WIDE SWITCH
2
TO(1/2)
NOT USE
AUDIO1 AUDIO2
RR
AUDIO2
LL
AUDIO1
VIDEO1 VIDEO2
LINE OUT
S1 VIDEO OUT
D1 VIDEO OUT
IC102
VIDEO BUFFER
-5V REG
IC103
1
TO(1/2)
TO(1/2)
3
TO(1/2)
4
AV-61 BOARD(2/2)
-REF.NO.:2000 SERIES-
XX MARK:NO MOUNT
VIDEO OUT
16
H
23 12
J
9
G
11
E
C
10 14136
B
7
I
D
F
15584
B+
B- B+
B+
B-
B+
B- B-
B-
4.50.5
0.6 0.6
0.6 0.1
0.6
3.4
0.5
-5.0
-5.0
4.5
1.1
1.1 0.6
0.10.6
0.6 0.1
-5.0 -5.0
3.4
0.5
1
2
3
4
5
6
4.5
4.5
0
0
-9.8
-5.0
NO MARK:PB MODE
AUDIO
Y/CHROMA
VIDEO SIGNAL
SIGNAL
Y
SIGNAL PATH
PB
CHROMA
(SEE PAGE 4-37)
TO ER-14 BOARD
CN901

Table of Contents

Related product manuals