EasyManua.ls Logo

Sony RMT-D142P - Power Block Diagram (2;2)

Sony RMT-D142P
108 pages
Print Icon
To Next Page IconTo Next Page
To Next Page IconTo Next Page
To Previous Page IconTo Previous Page
To Previous Page IconTo Previous Page
Loading...
DVP-NS305/NS310/NS315/NS405/NS410/NS415
3-17 3-18
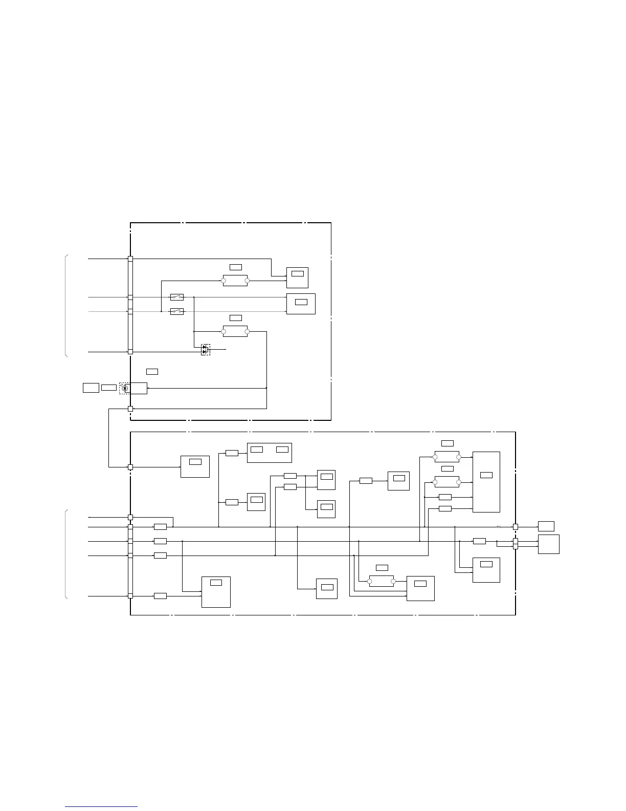
3-9. POWER BLOCK DIAGRAM (2/2)
1
11
19
AV-61 BOARD
(SEE PAGE 4-31 to 4-34)
OPTICAL
DEVICE
16
MB-103 BOARD
(SEE PAGE 4-15 to 4-28)
CN101
CN102
CN203
INLIMIT
SENSOR
5
CN204
IC102
VIDEO
BUFFER
IC103
5V REG
3OUT
IC601
AUDIO
D/A CONVERTER
IC101
EEPROM
IC202
FOCUS/TRACKING
COIL DRIVE,
SPINDLE/SLED/
LOADING
MOTOR DRIVE
IC404
16M SDRAM
AI+5V
2
IN
IC203
+5V REG
1OUT
3
IN
IC402
+3.3V REG
4VOUT
5
VIN
IC401
+1.8V REG
4VOUT
5
VIN
IC302
+3.3V REG
4VOUT
5
VIN
MUTE V
SW13V
EVER+3.3V
AU+11V
D201
IC204
OPTICAL DIGITAL
OUT
CN203
25
CN601
POWER 1
(SEE PAGE 3-16)
POWER 1
(SEE PAGE 3-16)
IC201
AUDIO AMP
Q201
Q203, 216
OPTICAL
DIGITAL
OUT
FILTER
FL110
7
4
IC104
SYSTEM
CONTROL
FILTER
FL103
FILTER
FL201
+3.3V
FILTER
FL105
2
+5V
FILTER
FL104
1
+1.8V
FILTER
FL109
5
CN202
6
5
7
3
+11V
3.3V MNT
IC303
16M DRAM
IC201
DVD/CD RF AMP,
DIGITAL
SERVO
IC403
AV DECODER
IC301
ARP,
SERVO DSP
VCC
MOD
LED
FILTER
FL404
FILTER
FL403
FILTER
FL402
AU+5V
IC103
PLL
FILTER
FL101
IC106
FLASH
MEMORY
IC107
OTP
FILTER
FL106
or
FILTER
FL102

Table of Contents

Related product manuals