EasyManua.ls Logo

Sony STR-DE585 - Diagrams and Schematics (Continued); Main Section Schematic (1;2)

Sony STR-DE585
52 pages
Print Icon
To Next Page IconTo Next Page
To Next Page IconTo Next Page
To Previous Page IconTo Previous Page
To Previous Page IconTo Previous Page
Loading...
STR-DE585
2222
JW100
R402
R409
R452
R459
C374
C471
C498
C805
C806
C807
C810
CNP915
D560
D801
D804
D896
D904
D905
Q361
Q362
Q363
Q364
Q365
Q366
R373
R374
R375
R376
R377
R378
R380
R381
R404
R405
R406
R407
R408
R411
R412
R415
R416
R422
R424
R425
R426
R427
R431
R432
R435
R436
R442
R444
R445
R446
R447
R454
R455
R456
R457
R458
R461
R462
R463
R464
R470
R473R499
R532
R533R802
R804
R803
R806
C472
R560
C811
C407
C457
C406
C456
C408
C458
C405
C455
C404
C454
C409
C459
C402
C452
C413 C433
C461
C462
C432
C412
C431
C411
C493
C486
C485
C495
C464
C802C801
C822
R417
R414
R413
R418
R419
R420
R469
C483C491C481
J404
J401
R361
R362
R379
R367
R368
R366
R369
R371
R372
R370
R360
R363
C903
D903
D902
C901
C830
R472
R471
R475
C488
C487
C489
C490
C497
C467
C466
R474
Q801
Q560
Q471
Q379
C465
CNP501
CN505
IC401
IC801
IC802
CNP802
CNP801
R910
CNP502
CNP911
C492
C482
C494
C484
C496
C414
C415
C418
C417
C416
RY560
CC07
CC57
CC05
CC04
CC02
C376
C375
C373
C372
C371
D802
C419
CC06
CC56
CC08
CC58
CC55
CC54
CC09
CC59
CC52
CC32
C500
J403
J402
C700
C800
CC61
CC62
CC42
CC31
CC41
C400
J405
IC201
C808
C803
C804
JW300
JW400
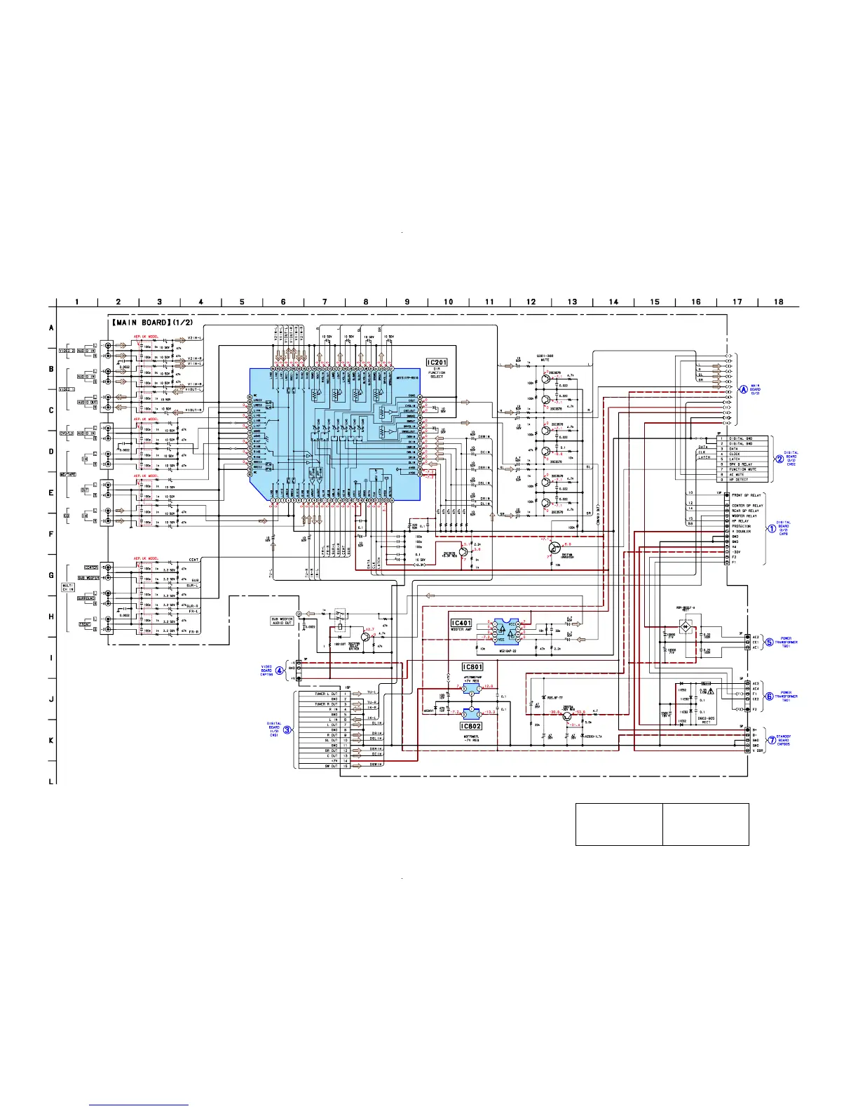
4-8. SCHEMATIC DIAGRAM — MAIN SECTION (1/2) — • Refer to page 20 for Common Note on Schematic Diagram.
(Page 23)
(Page 27)
(Page 29)
(Page 26)
(Page 27)
(Page 33)
(Page 33)
(Page 33)
The components identified by
mark 0 or dotted line with mark
0 are critical for safety.
Replace only with part number
specified.
Les composants identifiés par une
marque 0 sont critiques pour la
sécurité.
Ne les remplacer que par une piéce
portant le numéro spécifié.

Other manuals for Sony STR-DE585

Related product manuals