EasyManua.ls Logo

Sony STR-DE585 - Video Section Schematic

Sony STR-DE585
52 pages
Print Icon
To Next Page IconTo Next Page
To Next Page IconTo Next Page
To Previous Page IconTo Previous Page
To Previous Page IconTo Previous Page
Loading...
STR-DE585
29 29
IC B/D
C200
R220
R218R221
C214
C215
C248C249
R219
C827
D203
D204
J201
C201
J200
C825
C824
C213
C210
R200
C207
C206
R201
IC103
IC804
CNS150
C208
C209
IC807
C809
CNP156
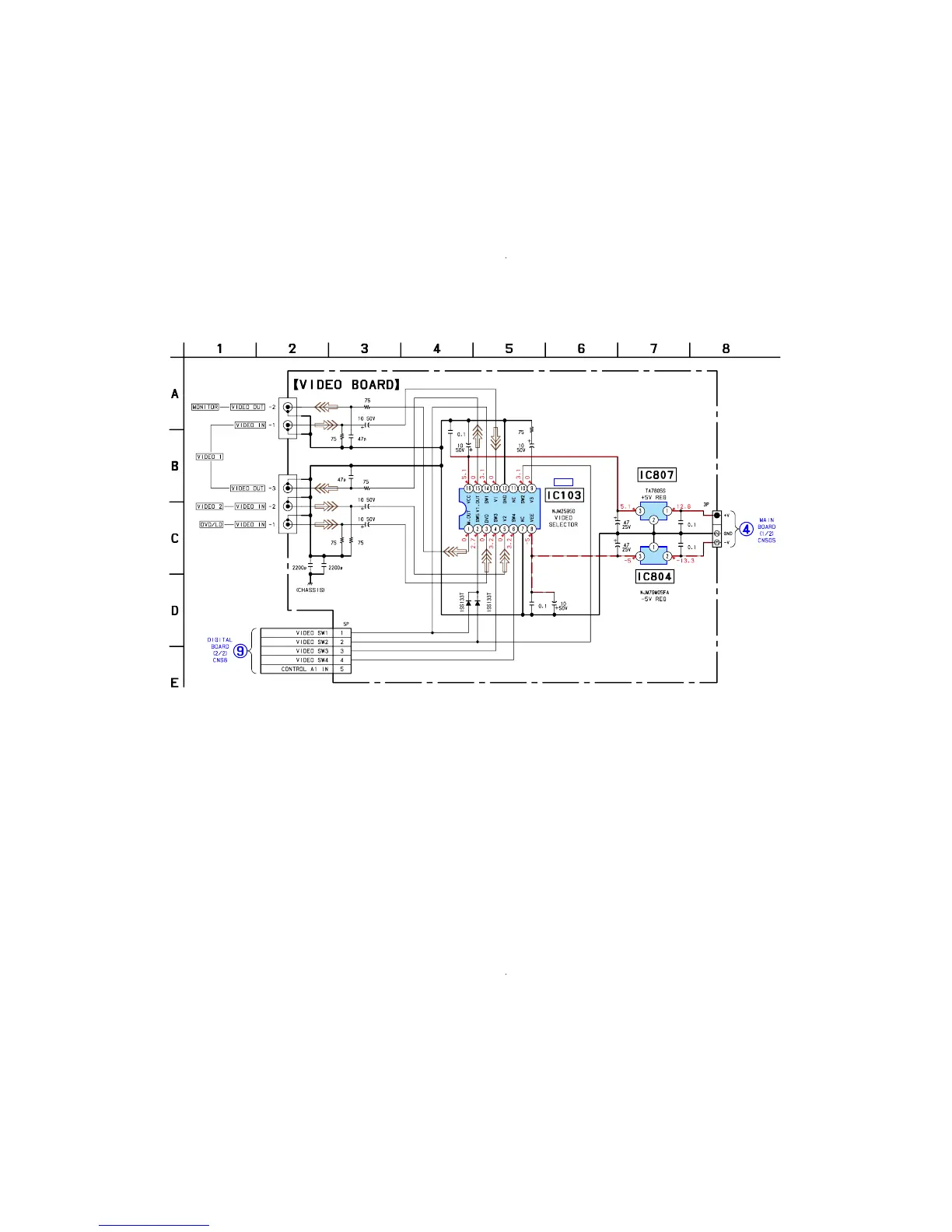
4-15. SCHEMATIC DIAGRAM — VIDEO SECTION — • Refer to page 20 for Common Note on Schematic Diagram and page 34 for IC Block Diagrams.
(Page 22)
(Page 27)

Other manuals for Sony STR-DE585

Related product manuals