EasyManua.ls Logo

Sony STR-DE585 - Power Section Schematic

Sony STR-DE585
52 pages
Print Icon
To Next Page IconTo Next Page
To Next Page IconTo Next Page
To Previous Page IconTo Previous Page
To Previous Page IconTo Previous Page
Loading...
STR-DE585
33 33
C813
C814
C920
C921
C950
D820
D821
D822
D823
D898 D899
R810
R902
R903
R904
C815
C816
C898
R811
R812
D910
D911
D912
D913
RY901
CNP903 CNP902
Q901
F901
CNP901
R901
G901
CNP905
D915
D914
C899
D901
R921
C923
R922
R923
CNP912
Q921
T901
T902
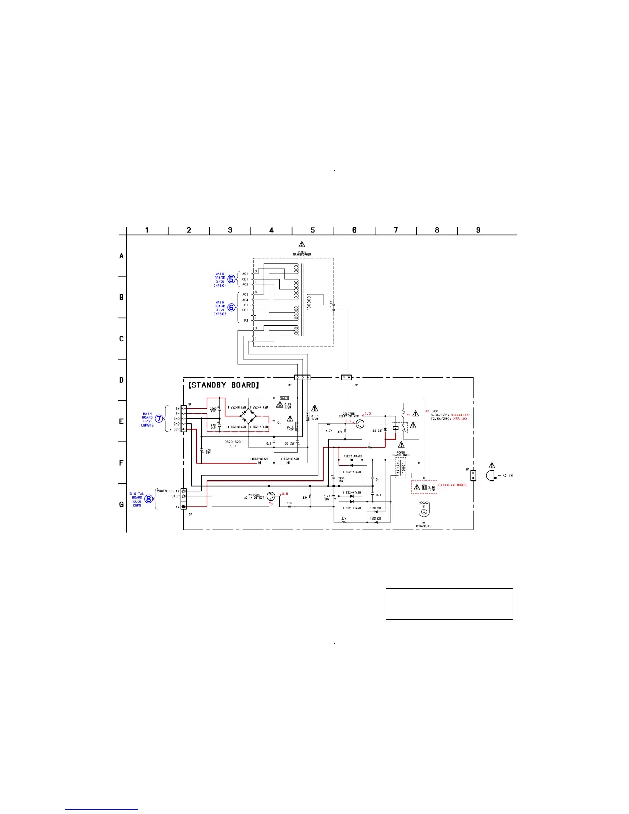
4-19. SCHEMATIC DIAGRAM — POWER SECTION — • Refer to page 20 for Common Note on Schematic Diagram.
(Page 22)
(Page 22)
(Page 22)
(Page 27)
The components identified by
mark 0 or dotted line with mark
0 are critical for safety.
Replace only with part number
specified.
Les composants identifiés par une
marque 0 sont critiques pour la
sécurité.
Ne les remplacer que par une piéce
portant le numéro spécifié.

Other manuals for Sony STR-DE585

Related product manuals